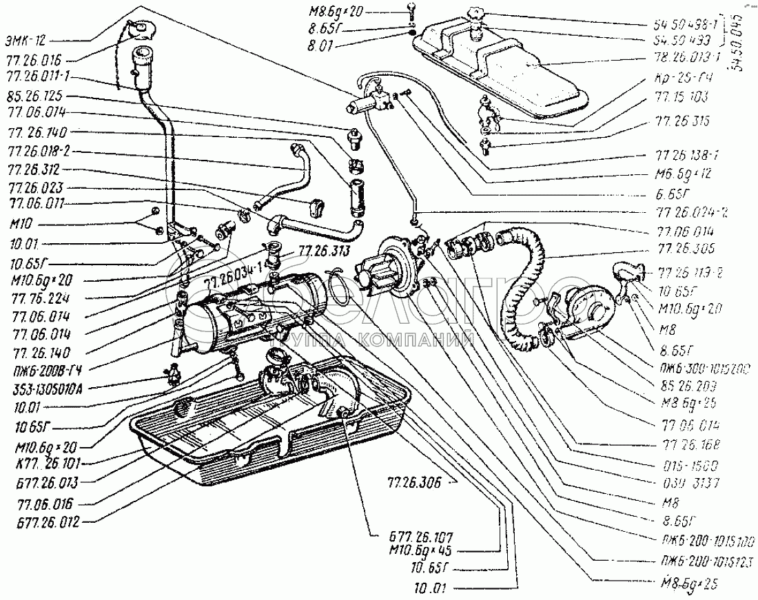
Каталог запасных частей к технике: ВгТЗ ДТ-75Н. Установка подогревателя ПЖБ-200

zoom-in zoom-out enlarge shrink circle-right circle-left file-text2 info cart arraw right arraw left zoom out zoom in arraw maximize arraw minimize
77.06.014
77.06.014
77.06.014
77.06.014
77.06.014
77.15.103
54.50.499
015-1500
77.26.312
78.26.024-2
78.86.023
77.26.018-2
77.26.011-1
77.26.034-1
85.26.209
78.26.224
77.06.011
77.26.016
6.65Г
8.65Г
8.65Г
8.65Г
10.65Г
10.65Г
10.65Г
10.65Г
8.01
10.01
10.01
10.01
77.26.140
77.26.140
77.26.313
77.26.305
ПЖБ-200-1015123
85.26.125
77.26.315
030-3137
ЭМК-12
77.26.138-1
М8.6gх20
М8.6gх25
М8.6gх25
М10.6gх20
М10.6gх20
М10.6gх20
М10.6gх45
ПЖБ-200-1015200
М6.6gх12
Б77.26.107
М8
М8
М10
ГЖБ-200-1015100
78.26.019-1
К77.26.101
ПЖБ-200В-Г4
КР-25
353-1305010А
77.26.119-2
77.26.306
54.50.045
54.50.498-1
77.26.168
Б77.26.012
Б77.26.013
77.06.014
Хомутик стяжной
В узле: 9
77.15.103
Прокладка
В узле: 1
54.50.499
Прокладка крышки бачка
В узле: 1
015-1500
Свеча накаливания СР65А
В узле: 1
77.26.312
Скоба
В узле: 1
78.26.024-2
Топливопровод
В узле: 1
77.26.038
Труба заливная
В узле: 1
78.86.023
Труба паровая
В узле: 1
77.26.018-2
Трубка
В узле: 1
77.26.011-1
Трубка заливная
В узле: 1
77.26.034-1
Хомут
В узле: 2
85.26.209
Хомут
В узле: 1
78.26.224
Хомут
В узле: 1
77.06.011
Хомутик стяжной
В узле: 2
77.26.016
Пробка
В узле: 1
6.65Г
Шайба ГОСТ 6402-70
В узле: 2
8.65Г
Шайба ГОСТ 6402-70
В узле: 7
10.65Г
Шайба ГОСТ 6402-70
В узле: 12
8.01
Шайба
В узле: 4
10.01
Шайба ГОСТ 11371-78
В узле: 10
77.26.140
Шланг
В узле: 2
77.26.313
Шланг
В узле: 1
77.26.305
Шланг воздухоподводящий
В узле: 1
ПЖБ-200-1015123
Шнур асбестовый
В узле: 1
85.26.125
Штуцер
В узле: 1
77.26.315
Штуцер
В узле: 1
030-3137
Штуцер
В узле: 1
ЭМК-12
Клапан электромагнитный
В узле: 1
77.26.138-1
Бензопровод
В узле: 1
М8.6gх20
Болт
В узле: 5
М8.6gх25
Болт
В узле: 2
М10.6gх20
Болт
В узле: 9
М10.6gх30
Болт
В узле: 1
М10.6gх45
Болт
В узле: 2
ПЖБ-200-1015200
Вентилятор
В узле: 1
М6.6gх12
Винт
В узле: 2
Б77.26.107
Втулка
В узле: 1
М8
Гайка
В узле: 3
М10
Гайка ГОСТ 5915-70
В узле: 2
ГЖБ-200-1015100
Горелка подогревателя
В узле: 1
78.26.019-1
Бачок топливный
В узле: 1
К77.26.101
Кожух поддона
В узле: 1
ПЖБ-200В-Г4
Котел подогревателя
В узле: 1
КР-25
Кран
В узле: 1
353-1305010А
Кран пускового подогревателя
В узле: 1
77.26.119-2
Кронштейн вентилятора
В узле: 1
77.26.306
Кронштейн подогревателя
В узле: 1
54.50.045
Пробка бачка в сборе
В узле: 1
54.50.498-1
Крышка горловины бачка
В узле: 1
77.26.168
Патрубок
В узле: 1
Б77.26.012
Патрубок подводящий
В узле: 1
Б77.26.013
Патрубок промежуточный
В узле: 1
78.26.003
Подогреватель ПЖБ-200
В узле: 1
Содержащиеся в справочниках-каталогах запасные части и детали не предлагаются к продаже, а носят исключительно информационный характер

Ваша заявка была отправлена. В ближайшее время наши специалисты с Вами свяжутся по указанному Вами телефону.

Представьтесь
Поле обязательно для заполнения
Ваш телефон
Введите правильный номер телефона
E-mail
Введите правильный e-mail
Тема
Тема
применяемость финансирование доставка цена, наличие другое сервис и гарантия
Время для звонка
08:00
08:00 09:00 10:00 11:00 12:00 13:00 14:00 15:00 16:00 17:00 18:00 19:00
19:00
08:00 09:00 10:00 11:00 12:00 13:00 14:00 15:00 16:00 17:00 18:00 19:00

Мы постараемся перезвонить в указанное время

Если вы не хотите ждать, то звоните нашим вежливым консультантам:

8 800 100-2-700
Подтвердите, что вы не робот
Подтвердите, что вы не робот
Спасибо!

Ваше сообщение успешно отправлено!

ЗакрытьПовторить попытку