Каталог запасных частей к технике: ВгТЗ ДТ-75Н. Устройство навесное заднее. Стойки и тяги

zoom-in zoom-out enlarge shrink circle-right circle-left file-text2 info cart arraw right arraw left zoom out zoom in arraw maximize arraw minimize
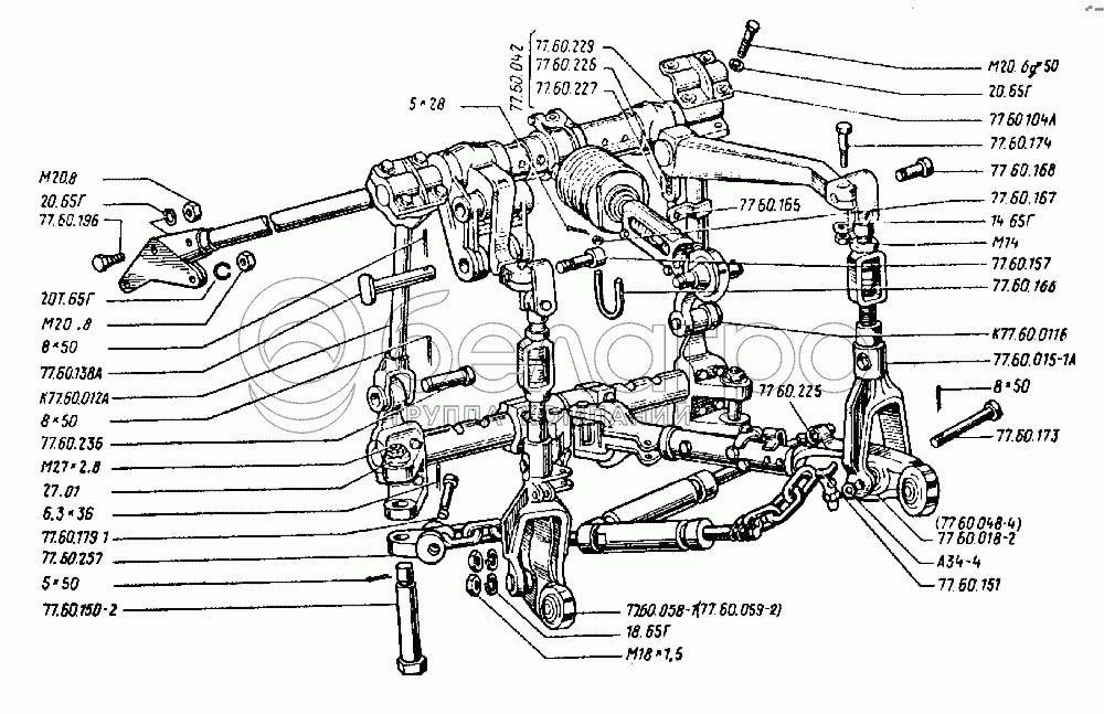
77.60.166
77.60.229
77.60.257
К77.60.011Б
К77.60.012А
77.60.151
77.60.042
77.60.018-2
77.60.048-4
77.60.058-1
77.60.059-2
77.60.225
А34-4
14.65Г
18.65Г
20.65Г
20.65Г
20Т.65Г
27.01
5х50
5х28
6.3х36
8х50
8х50
8х50
77.60.226
77.60.196
М20.6gх50
77.60.227
77.60.167
М27х2.8
М20.8
М20.8
М18х1,5
М14
77.60.104А
77.60.174
77.60.138А
77.60.150-2
77.60.165
77.60.168
77.60.173
77.60.179-1
77.60.236
77.60.157
77.60.015-1А
77.60.166
Фиксатор
В узле: 1
77.60.229
Серьга
В узле: 1
77.60.257
Серьга
В узле: 2
К77.60.011Б
Стойка
В узле: 1
К77.60.012А
Стойка
В узле: 1
77.60.151
Стремянка
В узле: 2
77.60.042
Стяжка
В узле: 1
77.60.018-2
Тяга
В узле: 1
77.60.048-4
Тяга
В узле: 1
77.60.058-1
Тяга
В узле: 1
77.60.059-2
Тяга
В узле: 1
77.60.225
Рым-болт
В узле: 1
А34-4
Шайба
В узле: 2
14.65Г
Шайба
В узле: 2
18.65Г
Шайба ГОСТ 6402-70
В узле: 10
20.65Г
Шайба ГОСТ 6402-70
В узле: 10
20Т.65Г
Шайба ГОСТ 6402-70
В узле: 4
27.01
Шайба
В узле: 2
5х50
Шплинт
В узле: 2
5х28
Шплинт
В узле: 1
6.3х36
Шплинт
В узле: 4
8х50
Шплинт
В узле: 7
77.60.226
Муфта
В узле: 1
77.60.196
Болт
В узле: 2
М20.6gх50
Болт
В узле: 8
77.60.227
Вилка
В узле: 1
77.60.167
Гайка фиксатора
В узле: 1
М27х2.8
Гайка
В узле: 2
М20.8
Гайка
В узле: 1
М18х1,5
Гайка
В узле: 10
М14
Гайка
В узле: 2
М20.6Н
Гайка
В узле: 10
77.60.104А
Крышка
В узле: 2
77.60.174
Болт рычагов
В узле: 2
77.60.138А
Палец рычага штока
В узле: 1
77.60.150-2
Шайба упорная
В узле: 2
77.60.165
Палец серьги раскоса
В узле: 2
77.60.168
Палец рычага малый
В узле: 1
77.60.173
Палец рычагов нижний
В узле: 2
77.60.179-1
Палец
В узле: 4
77.60.236
Палец
В узле: 2
77.60.042Р
Палец прицепной скобы
В узле: 2
77.60.157
Палец рычага
В узле: 1
77.60.015-1А
Раскос в сборе
В узле: 1
Содержащиеся в справочниках-каталогах запасные части и детали не предлагаются к продаже, а носят исключительно информационный характер

Ваша заявка была отправлена. В ближайшее время наши специалисты с Вами свяжутся по указанному Вами телефону.

Представьтесь
Поле обязательно для заполнения
Ваш телефон
Введите правильный номер телефона
E-mail
Введите правильный e-mail
Тема
Тема
применяемость финансирование доставка цена, наличие другое сервис и гарантия
Время для звонка
08:00
08:00 09:00 10:00 11:00 12:00 13:00 14:00 15:00 16:00 17:00 18:00 19:00
19:00
08:00 09:00 10:00 11:00 12:00 13:00 14:00 15:00 16:00 17:00 18:00 19:00

Мы постараемся перезвонить в указанное время

Если вы не хотите ждать, то звоните нашим вежливым консультантам:

8 800 100-2-700
Подтвердите, что вы не робот
Подтвердите, что вы не робот
Спасибо!

Ваше сообщение успешно отправлено!

ЗакрытьПовторить попытку