Каталог запасных частей к технике: ВгТЗ ДТ-75В, ДТ-75БВ, ДТ75Н. Корпус

zoom-in zoom-out enlarge shrink circle-right circle-left file-text2 info cart arraw right arraw left zoom out zoom in arraw maximize arraw minimize
1
2
3
4
4
5
6
7
7
8
9
10
11
12
13
14
14
15
15
16
16
17
17
18
18
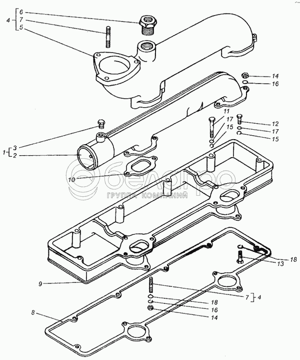
1
14Н-06С38-01
Коллектор впускной
В узле: 1
2
14Н-06С17
Коллектор впускной
В узле: 1
3
Пробка КГ 1/8"
Пробка КГ 1/8"
В узле: 1
4
17К-06С17-А
Коллектор впускной
В узле: 1
5
17К-0661-1
Коллектор впускной
В узле: 1
6
20-1230
Втулка
В узле: 1
7
М10-То/6gх28.56.016
Шпилька ГОСТ 22036-66
В узле: 7
8
СМД9-0627
Прокладка
В узле: 1
9
СМД9-0628
Корпус колпака головки
В узле: 1
10
СМД1-0662
Прокладка впускного коллектора
В узле: 2
11
М8-6gх60.56.016
Болт ГОСТ 7795-70
В узле: 8
12
М8-6gх25.56.016
Болт ГОСТ 7796-70
В узле: 2
13
М10-6gх30.56.016
Болт ГОСТ 7796-70
В узле: 4
14
М10-6Н6.016
Гайка ГОСТ 2524-70
В узле: 4
15
8.65Г.05
Шайба ГОСТ 6402-70
В узле: 10
16
10.65Г.05
Шайба ГОСТ 6402-70
В узле: 4
17
8х1,5.04.05
Шайба ГОСТ 10450-78
В узле: 10
18
10х1,5.04.05
Шайба ГОСТ 10450-78
В узле: 4
Содержащиеся в справочниках-каталогах запасные части и детали не предлагаются к продаже, а носят исключительно информационный характер

Ваша заявка была отправлена. В ближайшее время наши специалисты с Вами свяжутся по указанному Вами телефону.

Представьтесь
Поле обязательно для заполнения
Ваш телефон
Введите правильный номер телефона
E-mail
Введите правильный e-mail
Тема
Тема
применяемость финансирование доставка цена, наличие другое сервис и гарантия
Время для звонка
08:00
08:00 09:00 10:00 11:00 12:00 13:00 14:00 15:00 16:00 17:00 18:00 19:00
19:00
08:00 09:00 10:00 11:00 12:00 13:00 14:00 15:00 16:00 17:00 18:00 19:00

Мы постараемся перезвонить в указанное время

Если вы не хотите ждать, то звоните нашим вежливым консультантам:

8 800 100-2-700
Подтвердите, что вы не робот
Подтвердите, что вы не робот
Спасибо!

Ваше сообщение успешно отправлено!

ЗакрытьПовторить попытку