Каталог запасных частей к технике: ВгТЗ ДТ-75В, ДТ-75БВ, ДТ75Н. Радиатор водяной

zoom-in zoom-out enlarge shrink circle-right circle-left file-text2 info cart arraw right arraw left zoom out zoom in arraw maximize arraw minimize
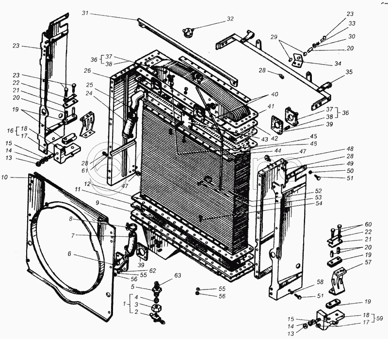
1
2
3
4
5
6
7
8
9
10
11
12
13
13
14
14
15
15
16
17
17
17
17
18
18
19
19
19
20
20
20
21
21
22
22
23
23
23
24
25
26
28
28
28
29
30
31
32
33
33
34
35
36
36
37
37
38
38
39
39
40
41
42
43
44
45
46
47
47
49
49
50
51
51
52
53
54
55
55
56
56
57
58
59
60
61
62
63
32
А21.01.270
Крышка тип I
В узле: 1
А21.01.270 Пробка радиатора МТЗ большая, РФ Под заказ 1 179.06 р.
А21.01.270 Пробка радиатора МТЗ малая, (А) Под заказ 39.26 р.
А21.01.270 Пробка радиатора МТЗ большая, (А) Под заказ 33.32 р.
77.13.004-1
Радиатор водяной
В узле: ---
85У.13.054
Стойка правая
В узле: 1
1
85.13.046-3
Кран
В узле: 1
2
85.13.050
Кран
В узле: 1
3
Н.036.01.005
Гайка
В узле: 1
4
85.13.417-2
Основание крана
В узле: 1
5
85.13.421
Штуцер
В узле: 1
6
77У.13.314-1
Патрубок
В узле: ---
7
78.13.119
Шланг
В узле: 1
8
77.06.015
Хомутик
В узле: 4
9
77У.13.055
Бак радиатора нижний
В узле: 1
10
77.13.045
Кожух радиатора
В узле: 1
11
МО4У.13.118
Прокладка баков
В узле: 2
12
МО4У.13.123
Накладка внутренняя
В узле: 4
13
М18.6.016
Гайка ГОСТ 5915-70
В узле: 4
14
18Т.65Г05
Шайба ГОСТ 6402-70
В узле: 4
15
18.01
Шайба ГОСТ 11371-68
В узле: 4
16
85.13.053
Опора радиатора левая со шпильками
В узле: 1
17
М18.6gх45.10.9.40Х.019
Шпилька ГОСТ 22032-76
В узле: 2
18
85.13.054
Корпус опоры левой
В узле: 1
19
МО4.13.171
Подушка
В узле: 4
20
МО413.169
Втулка
В узле: 5
21
МО4.13.170
Накладка
В узле: 2
22
МО4.13.178
Пластина замковая
В узле: 2
23
М12.6gх55.88.019
Болт ГОСТ 7796-70
В узле: 1
24
77.13.117
Шланг
В узле: 1
25
77У.13.310
Патрубок верхнего бака
В узле: 1
26
85У.13.053
Стойка левая
В узле: 1
27
85.13.042
Стойка левая
В узле: 1
28
М12.6.016
Гайка ГОСТ 5915-70
В узле: 4
29
Т4.02.133-1
Прокладка
В узле: 2
30
12.01
Шайба ГОСТ 11371-68
В узле: 4
31
85.13.044-1
Кронштейн задний
В узле: 1
33
12.65Г.05
Шайба ГОСТ 6402-70
В узле: 1
34
85.13.414
Планка
В узле: 1
35
85.13.043-2
Кронштейн передний
В узле: 1
36
85У.13.342
Фланец в сборе
В узле: 2
37
МО4.13.109
Фланец
В узле: 1
38
М8.6gх25.66.019
Шпилька ГОСТ 22034-76
В узле: 4
39
МО4.13.133
Прокладка
В узле: 4
40
МО4У.13.122
Накладка наружная
В узле: 4
41
МО4.13.121
Накладка угловая
В узле: 4
42
77У.13.050-1
Бак радиатора верхний
В узле: 1
43
85У.13.313
Заглушка
В узле: 2
44
85У.13.016
Сердцевина водяного радиатора
В узле: 1
45
М8.6gх30 88.019
Болт ГОСТ7796-70
В узле: 36
46
85.13.418-2
Труба пароотводящая
В узле: 1
47
85.13.420-А
Серьга крепления
В узле: 4
49
85.13.041
Стойка правая
В узле: 1
50
10Т.65Г.05
Шайба ГОСТ 6402-70
В узле: 2
51
М10.6gх20.88.019
Болт ГОСТ 7796-70
В узле: 4
52
85.26.131
Скоба
В узле: 2
53
М8.6gх16.88.35.016
Болт ГОСТ 7796-70
В узле: 6
54
М8.6gх25.88.019
Болт ГОСТ 7796-70
В узле: 40
55
8.65Г.05
Шайба ГОСТ 6402-70
В узле: 76
56
М8.6.016
Гайка ГОСТ 5915-70
В узле: 76
57
85У.13.406
Кронштейн
В узле: 2
58
10.65Г 05
Шайба ГОСТ 6402-70
В узле: 2
59
85.13.052
Опора радиатора правая со шпильками
В узле: 1
60
М12.6gх60.38.019
Болт ГОСТ 7796-70
В узле: 1
61
12Т65Г.05
Шайба ГОСТ 6402-70
В узле: 1
62
8.01
Шайба
В узле: 4
63
85.13.431
Кольцо уплотняющее
В узле: 1
Содержащиеся в справочниках-каталогах запасные части и детали не предлагаются к продаже, а носят исключительно информационный характер

Ваша заявка была отправлена. В ближайшее время наши специалисты с Вами свяжутся по указанному Вами телефону.

Представьтесь
Поле обязательно для заполнения
Ваш телефон
Введите правильный номер телефона
E-mail
Введите правильный e-mail
Тема
Тема
применяемость финансирование доставка цена, наличие другое сервис и гарантия
Время для звонка
08:00
08:00 09:00 10:00 11:00 12:00 13:00 14:00 15:00 16:00 17:00 18:00 19:00
19:00
08:00 09:00 10:00 11:00 12:00 13:00 14:00 15:00 16:00 17:00 18:00 19:00

Мы постараемся перезвонить в указанное время

Если вы не хотите ждать, то звоните нашим вежливым консультантам:

8 800 100-2-700
Подтвердите, что вы не робот
Подтвердите, что вы не робот
Спасибо!

Ваше сообщение успешно отправлено!

ЗакрытьПовторить попытку