Каталог запасных частей к технике: ВгТЗ ДТ-75В, ДТ-75БВ, ДТ75Н. Управление дизелем

zoom-in zoom-out enlarge shrink circle-right circle-left file-text2 info cart arraw right arraw left zoom out zoom in arraw maximize arraw minimize
1
1
1
1
2
3
3
3
4
4
4
4
4
5
5
6
7
8
9
10
11
12
13
14
15
16
17
18
19
20
20
20
21
21
21
22
22
22
23
24
25
26
26
27
28
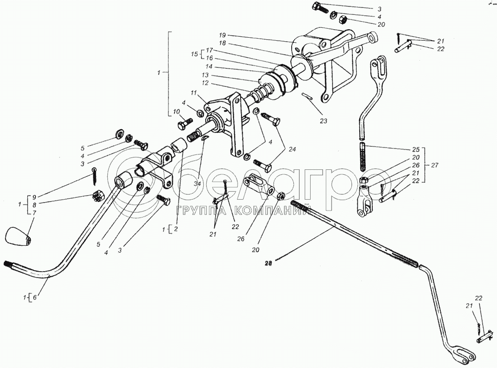
78.20.002
Управление дизелем
В узле: 1
1
78.20.030-1
Муфта в сборе
В узле: 1
2
78.20.022-1
Труба с кронштейном
В узле: 1
3
М8.6gх16.88.35.016
Болт ГОСТ 7796-70
В узле: 3
4
8.65Г.05
Шайба ГОСТ 6402-70
В узле: 2
5
8.01
Шайба
В узле: 2
6
78.20.206
Рычаг управления
В узле: 1
7
А13.05.000
Рукоятка управления
В узле: 1
8
88.20.211
Гайка
В узле: 1
9
Шплинт 4х32 ГОСТ 397-79
Шплинт 4х32 ГОСТ 397-79
В узле: 8
10
М8.6gх20.88.35.016
Болт ГОСТ 7796-70
В узле: 2
11
78.20.201-1
Кожух мусрты
В узле: 1
12
78.20.210-1
Пружина
В узле: 1
13
78.20.214
Диск
В узле: 1
14
78.20.211
Диск
В узле: 1
15
78.20.027
Диск в сборе
В узле: 1
16
78.20.213
Накладка
В узле: 2
17
78.20.212
Диск
В узле: 1
18
78.20.023
Рычаг верхний в сборе
В узле: 1
19
88.20.029
Кожух в сборе
В узле: 1
20
М8.6.016
Гайка ГОСТ 5915-70
В узле: 3
21
Шплинт 3,2х18 ГОСТ 397-79
Шплинт 3,2х18 ГОСТ 397-79
В узле: 8
22
54.20.405-1
Палец
В узле: 4
23
Штифт 4Гх18 ГОСТ 3128-70
Штифт 4Гх18 ГОСТ 3128-70
В узле: 1
24
М8.6gх30.88.35.016
Болт ГОСТ 7796-70
В узле: 2
25
78.20.024
Тяга вертикальная
В узле: 1
26
77.20.111-А
Вилка
В узле: 2
27
78.20.029
Тяга вертикальная
В узле: ---
28
78.20.025
Тяга топливного насоса
В узле: 1
Содержащиеся в справочниках-каталогах запасные части и детали не предлагаются к продаже, а носят исключительно информационный характер

Ваша заявка была отправлена. В ближайшее время наши специалисты с Вами свяжутся по указанному Вами телефону.

Представьтесь
Поле обязательно для заполнения
Ваш телефон
Введите правильный номер телефона
E-mail
Введите правильный e-mail
Тема
Тема
применяемость финансирование доставка цена, наличие другое сервис и гарантия
Время для звонка
08:00
08:00 09:00 10:00 11:00 12:00 13:00 14:00 15:00 16:00 17:00 18:00 19:00
19:00
08:00 09:00 10:00 11:00 12:00 13:00 14:00 15:00 16:00 17:00 18:00 19:00

Мы постараемся перезвонить в указанное время

Если вы не хотите ждать, то звоните нашим вежливым консультантам:

8 800 100-2-700
Подтвердите, что вы не робот
Подтвердите, что вы не робот
Спасибо!

Ваше сообщение успешно отправлено!

ЗакрытьПовторить попытку