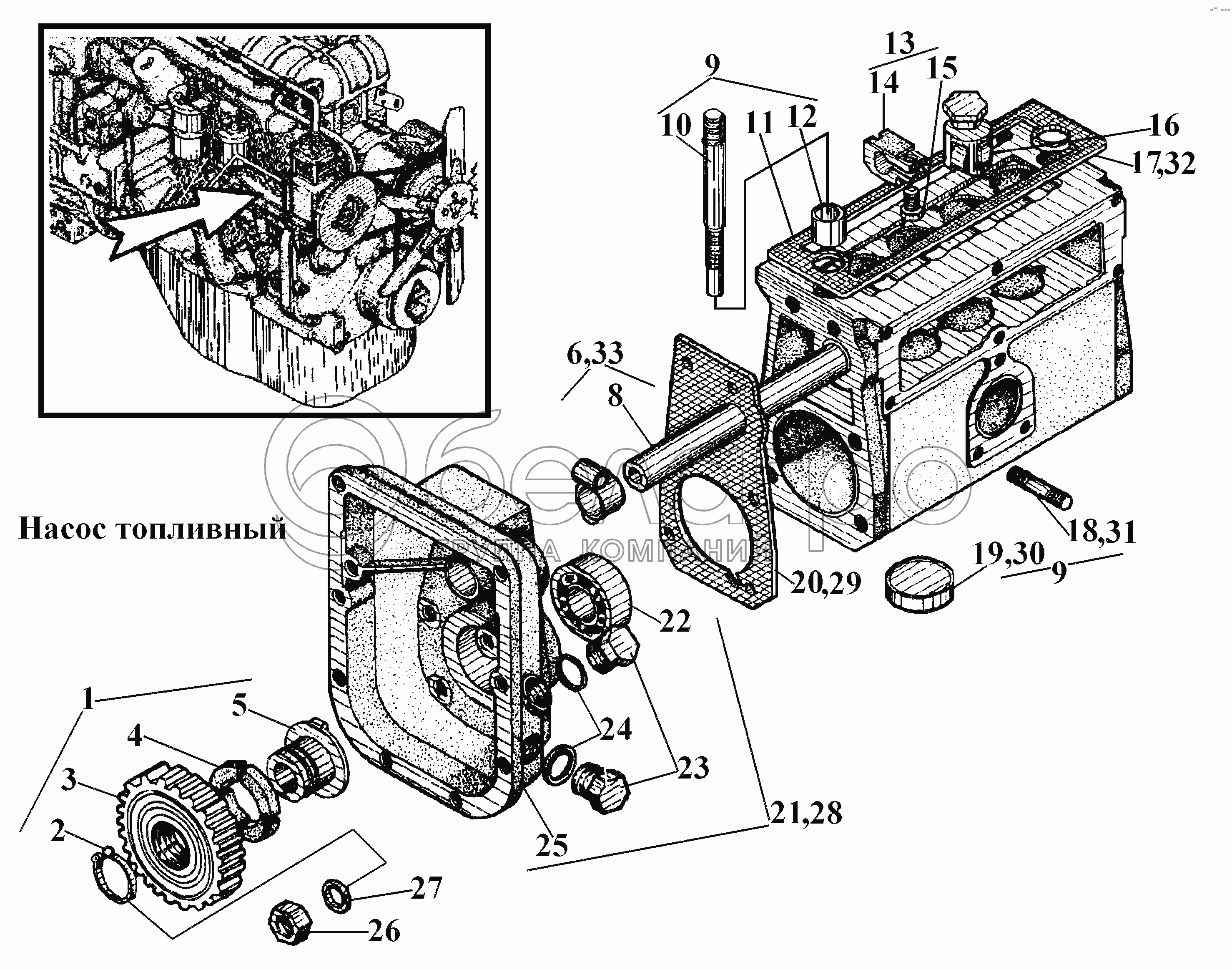
Каталог запасных частей к технике: ВгТЗ ВТ-100Д. Насос топливный (1)

zoom-in zoom-out enlarge shrink circle-right circle-left file-text2 info cart arraw right arraw left zoom out zoom in arraw maximize arraw minimize
1
2
3
4
5
6
8
9
9
10
11
12
13
14
15
16
17
18
19
20
21
22
23
24
25
26
27
28
29
30
31
32
33
41-16с25-1А.20
Корпус насоса
В узле: 1
В2.80.16.085-2А.20
Муфта упругая
В узле: 1
Л16-100А.20
Шпилька
В узле: 2
1
В2.80.16.085-2А
Муфта упругая в сборе
В узле: 1
2
41-16108
Кольцо стопорное
В узле: 1
3
В2.80.16.564-4
Колесо зубчатое
В узле: 1
4
236-1110517Б
Сухарь
В узле: 4
5
В2.80.16.565-1
Втулка зубчатого колеса
В узле: 1
6
16с23-ЗА-30
Рейка
В узле: 1
8
16-025-4А
Рейка
В узле: 1
9
41-16с25-1А
Корпус насоса
В узле: 1
10
Л16-100А
Шпилька
В узле: 2
11
41-1601-1А
Корпус насоса
В узле: 1
12
16-003
Штифт установочный
В узле: 2
13
16с7
Хомутик
В узле: 4
14
16-019-1А
Хомутик
В узле: 1
15
M6-6gx20.88.35.05
Болт
В узле: 1
16
80.16.013-2
Толкатель плунжера в сборе
В узле: 4
17
16-079Б
Прокладка головки насоса
В узле: 1
18
16-008
Шпилька
В узле: 3
19
16-004
Пробка
В узле: 4
20
16-084А
Прокладка
В узле: 2
21
41-16с4В
Фланец регулятора
В узле: 1
22
6020
Подшипник
В узле: 1
23
16-204А
Пробка горловины
В узле: 2
24
16-210
Прокладка
В узле: 2
25
03-1614-1Б
Фланец крепления регулятора
В узле: 1
26
41-16112
Гайка
В узле: 1
27
14.65Г.05
Шайба ГОСТ 6402-70
В узле: 1
28
41-16с4В.20
Фланец регулятора
В узле: 1
29
16-084А.20
Прокладка
В узле: 2
30
16-004.20
Пробка
В узле: 4
31
16-008.20
Шпилька
В узле: 3
32
16-079Б.20
Прокладка
В узле: 1
33
16с23-ЗА-30.20
Рейка
В узле: 1
Содержащиеся в справочниках-каталогах запасные части и детали не предлагаются к продаже, а носят исключительно информационный характер

Ваша заявка была отправлена. В ближайшее время наши специалисты с Вами свяжутся по указанному Вами телефону.

Представьтесь
Поле обязательно для заполнения
Ваш телефон
Введите правильный номер телефона
E-mail
Введите правильный e-mail
Тема
Тема
применяемость финансирование доставка цена, наличие другое сервис и гарантия
Время для звонка
08:00
08:00 09:00 10:00 11:00 12:00 13:00 14:00 15:00 16:00 17:00 18:00 19:00
19:00
08:00 09:00 10:00 11:00 12:00 13:00 14:00 15:00 16:00 17:00 18:00 19:00

Мы постараемся перезвонить в указанное время

Если вы не хотите ждать, то звоните нашим вежливым консультантам:

8 800 100-2-700
Подтвердите, что вы не робот
Подтвердите, что вы не робот
Спасибо!

Ваше сообщение успешно отправлено!

ЗакрытьПовторить попытку