Каталог запасных частей к технике: ВгТЗ ВТ-100Д. Реверс-редуктор 100.58.001 (3)

zoom-in zoom-out enlarge shrink circle-right circle-left file-text2 info cart arraw right arraw left zoom out zoom in arraw maximize arraw minimize
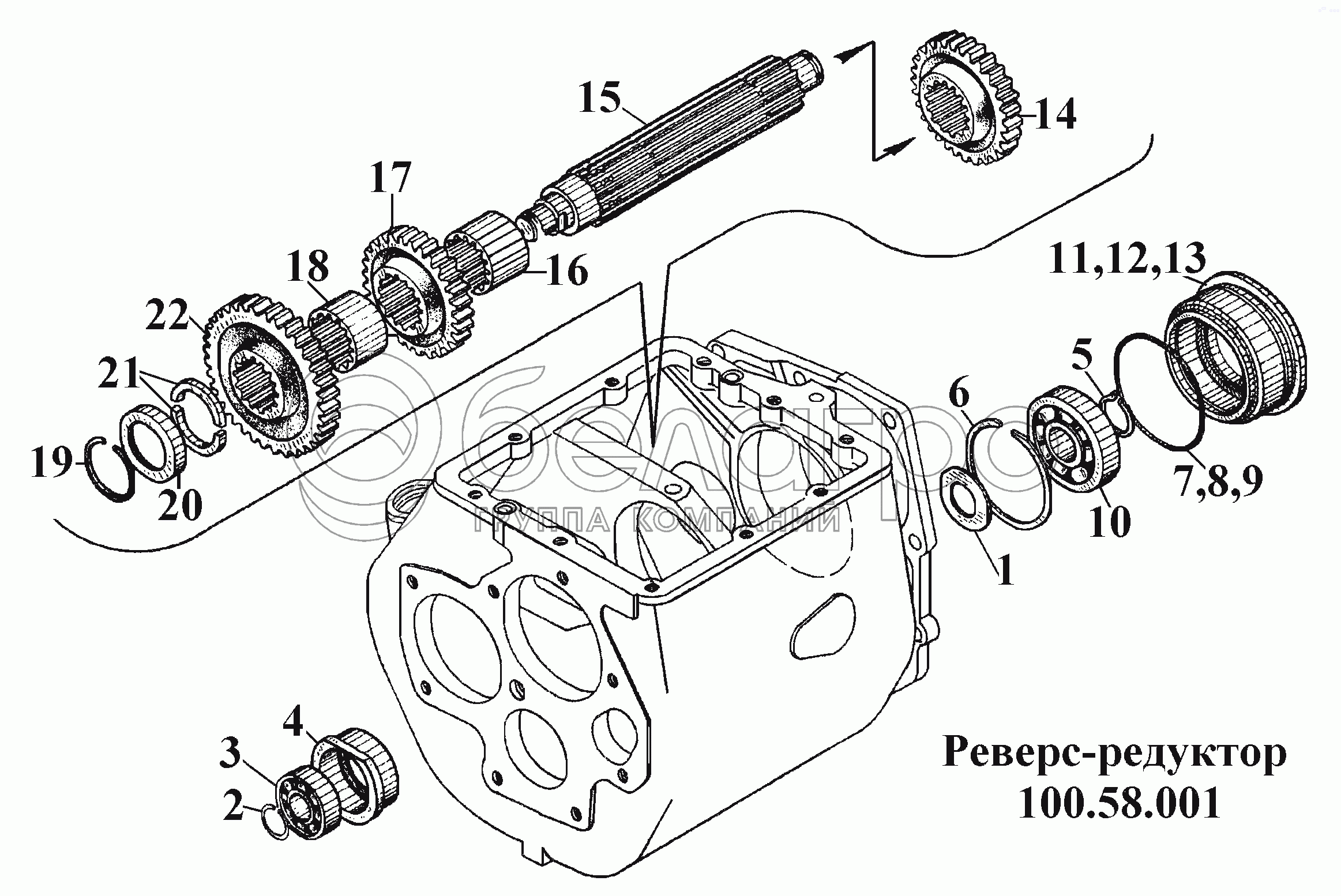
1
2
3
4
5
6
7
8
9
10
11
12
13
14
15
16
17
18
19
20
21
22
1
77/37/157
Шайба упорная
В узле: 1
2
54.05.436
Кольцо пружинное
В узле: 1
3
70-32605КМ
Подшипник ГОСТ 8328-75
В узле: 1
4
77.52.232
Стакан подшипника
В узле: 1
5
В35
Кольцо ГОСТ 13942-68
В узле: 1
6
КУВ100Т
Кольцо упорное внутреннее
В узле: 1
7
77.41.202А
Кольцо
В узле: 1
8
77.41.202А-10
Кольцо резиновое
В узле: 1
9
77.41.202А-20
Кольцо резиновое
В узле: 1
10
407К
Подшипник ГОСТ 8338-75
В узле: 1
11
77.52.235А
Стакан подшипника
В узле: 1
12
77.52.235А-10
Стакан подшипника
В узле: 1
13
77.52.235А-20
Стакан подшипника
В узле: 1
14
77.52.215
Шестерня
В узле: 1
15
К77.58.218
Вал пониженных скоростей
В узле: 1
16
К77.58.205-1
Втулка распорная
В узле: 1
17
77.58.101
Шестерня
В узле: 1
18
К77.58.217
Втулка распорная
В узле: 1
19
КУН55
Кольцо упорное наружное
В узле: 1
20
К77.58.219
Колпачок защитный
В узле: 1
21
К77.58.220
Полукольцо
В узле: 2
22
77.58.117
Шестерня ведомая
В узле: 1
Содержащиеся в справочниках-каталогах запасные части и детали не предлагаются к продаже, а носят исключительно информационный характер

Ваша заявка была отправлена. В ближайшее время наши специалисты с Вами свяжутся по указанному Вами телефону.

Представьтесь
Поле обязательно для заполнения
Ваш телефон
Введите правильный номер телефона
E-mail
Введите правильный e-mail
Тема
Тема
применяемость финансирование доставка цена, наличие другое сервис и гарантия
Время для звонка
08:00
08:00 09:00 10:00 11:00 12:00 13:00 14:00 15:00 16:00 17:00 18:00 19:00
19:00
08:00 09:00 10:00 11:00 12:00 13:00 14:00 15:00 16:00 17:00 18:00 19:00

Мы постараемся перезвонить в указанное время

Если вы не хотите ждать, то звоните нашим вежливым консультантам:

8 800 100-2-700
Подтвердите, что вы не робот
Подтвердите, что вы не робот
Спасибо!

Ваше сообщение успешно отправлено!

ЗакрытьПовторить попытку