Каталог запасных частей к технике: ВТЗ Т-25А. Поршни и шатуны

zoom-in zoom-out enlarge shrink circle-right circle-left file-text2 info cart arraw right arraw left zoom out zoom in arraw maximize arraw minimize
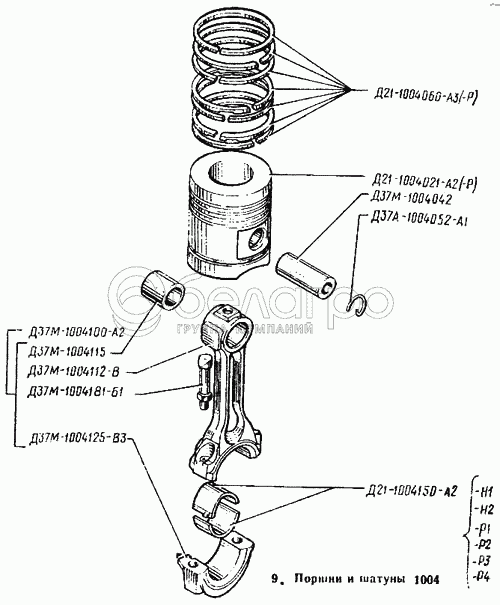
Д21-1004150-А2-Р3
Д37М-1004100-А2
Д37М-1004112-В
Д21-1004021-А2-Р
Д21-1004021-А2
Д37М-1004042
Д37М-1004125-В3
Д21-1004150А2-Р1
Д21-1004150-А2-Р4
Д37М-1004181-Б1
Д21-1004150-А2-Р2
Д21-1004150-А2-Н2
Д21-1004150-А2-Н1
Д37А-1004052-А1
Д21-1004060-А3
Д21-1004060А-Р
Д37М-1004115
Д21-1004150-А2-Р3
Комплект шатунных вкладышей
В узле: 1
Д37М-1004100-А2
Шатун в сборе
В узле: 2
Д37М-1004112-В
Шатун
В узле: 2
Д21-1004021-А2-Р
Поршень диаметром 105,7 мм
В узле: 2
Д21-1004021-А2
Поршень диаметром 105,0 мм
В узле: 2
Д37М-1004042
Палец
В узле: 2
Д37М-1004125-В3
Крышка
В узле: 2
Д21-1004150А2-Р1
Комплект шатунных вкладышей
В узле: 1
Д21-1004150-А2-Р4
Комплект шатунных вкладышей
В узле: 1
Д37М-1004181-Б1
Болт с гайкой в сборе
В узле: 4
Д21-1004150-А2-Р2
Комплект шатунных вкладышей
В узле: 1
Д21-1004150-А2-Н2
Комплект шатунных вкладышей
В узле: 1
Д21-1004150-А2-Н1
Комплект шатунных вкладышей
В узле: 1
Д37А-1004052-А1
Кольцо
В узле: 4
Д21-1004060-А3
Кольца поршневые диаметром 105,0 мм
В узле: 1
Д21-1004060А-Р
Кольца поршневые 0 105,7 мм
В узле: 1
Д37М-1004115
Втулка
В узле: 2
Содержащиеся в справочниках-каталогах запасные части и детали не предлагаются к продаже, а носят исключительно информационный характер

Ваша заявка была отправлена. В ближайшее время наши специалисты с Вами свяжутся по указанному Вами телефону.

Представьтесь
Поле обязательно для заполнения
Ваш телефон
Введите правильный номер телефона
E-mail
Введите правильный e-mail
Тема
Тема
применяемость финансирование доставка цена, наличие другое сервис и гарантия
Время для звонка
08:00
08:00 09:00 10:00 11:00 12:00 13:00 14:00 15:00 16:00 17:00 18:00 19:00
19:00
08:00 09:00 10:00 11:00 12:00 13:00 14:00 15:00 16:00 17:00 18:00 19:00

Мы постараемся перезвонить в указанное время

Если вы не хотите ждать, то звоните нашим вежливым консультантам:

8 800 100-2-700
Подтвердите, что вы не робот
Подтвердите, что вы не робот
Спасибо!

Ваше сообщение успешно отправлено!

ЗакрытьПовторить попытку