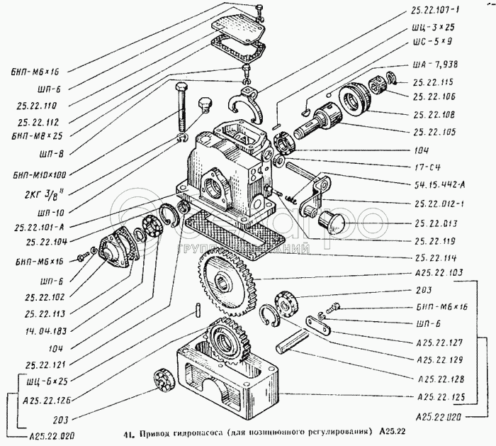
Каталог запасных частей к технике: ВТЗ Т-25А. Привод гидронасоса (для позиционного регулирования)

zoom-in zoom-out enlarge shrink circle-right circle-left file-text2 info cart arraw right arraw left zoom out zoom in arraw maximize arraw minimize
25.22.119
203
203
2КГ-3/8"
25.22.112
25.22.113
25.22.114
54.15.442-А
25.22.013
25.22.012-1
17-С4
104
104
ШП-10
ШП-6
ШП-6
ШП-6
ШП-8
ША-7,938
А25.22.103
А25.22.126
ШС-5Х9
ШЦ-3Х25
ШЦ-6Х25
25.22.104
БНП-М6Х16
БНП-М6Х16
БНП-М6Х16
БНП-М8Х25
25.22.105
25.22.107-1
25.22.106
25.22.121
14.04.183
25.22.115
А25.22.129
БНП-М10Х100
25.22.101-А
А25.22.020
А25.22.020
А25.22.125
25.22.102
25.22.110
25.22.108
А25.22.128
А25.22.127
25.22.119
Фиксатор
В узле: 1
203
Подшипник
В узле: 2
2КГ-3/8"
Пробка
В узле: 2
25.22.112
Прокладка
В узле: 1
25.22.113
Прокладка
В узле: 1
25.22.114
Прокладка
В узле: 1
54.15.442-А
Пружина
В узле: 1
25.22.013
Рукоятка в сборе
В узле: 1
25.22.012-1
Рычаг в сборе
В узле: 1
17-С4
Сальник в сборе
В узле: 1
104
Подшипник
В узле: 2
ШП-10
Шайба
В узле: 4
ШП-6
Шайба
В узле: 9
ШП-8
Шайба
В узле: 1
ША-7,938
Шарик
В узле: 4
А25.22.103
Шестерня
В узле: 1
А25.22.126
Шестерня промежуточная
В узле: 1
ШС-5Х9
Шпонка
В узле: 1
ШЦ-3Х25
Штифт
В узле: 1
ШЦ-6Х25
Штифт
В узле: 2
25.22.104
Кольцо стопорное
В узле: 1
БНП-М6Х16
Болт
В узле: 9
БНП-М8Х25
Болт
В узле: 1
25.22.105
Валик
В узле: 1
25.22.107-1
Вилка
В узле: 1
25.22.106
Втулка
В узле: 1
25.22.121
Кольцо
В узле: 1
14.04.183
Кольцо
В узле: 1
25.22.115
Кольцо стопорное
В узле: 1
А25.22.129
Кольцо
В узле: 1
БНП-М10Х100
Болт
В узле: 4
25.22.101-А
Корпус
В узле: 1
А25.22.020
Корпус в сборе
В узле: 1
А25.22.125
Корпус промежуточный
В узле: 1
25.22.102
Крышка
В узле: 1
25.22.110
Крышка
В узле: 1
25.22.108
Муфта
В узле: 1
А25.22.128
Ось
В узле: 1
А25.22.127
Планка
В узле: 1
Содержащиеся в справочниках-каталогах запасные части и детали не предлагаются к продаже, а носят исключительно информационный характер

Ваша заявка была отправлена. В ближайшее время наши специалисты с Вами свяжутся по указанному Вами телефону.

Представьтесь
Поле обязательно для заполнения
Ваш телефон
Введите правильный номер телефона
E-mail
Введите правильный e-mail
Тема
Тема
применяемость финансирование доставка цена, наличие другое сервис и гарантия
Время для звонка
08:00
08:00 09:00 10:00 11:00 12:00 13:00 14:00 15:00 16:00 17:00 18:00 19:00
19:00
08:00 09:00 10:00 11:00 12:00 13:00 14:00 15:00 16:00 17:00 18:00 19:00

Мы постараемся перезвонить в указанное время

Если вы не хотите ждать, то звоните нашим вежливым консультантам:

8 800 100-2-700
Подтвердите, что вы не робот
Подтвердите, что вы не робот
Спасибо!

Ваше сообщение успешно отправлено!

ЗакрытьПовторить попытку