Каталог запасных частей к технике: ВТЗ Т-25А. Установка фильтра воздушного

zoom-in zoom-out enlarge shrink circle-right circle-left file-text2 info cart arraw right arraw left zoom out zoom in arraw maximize arraw minimize
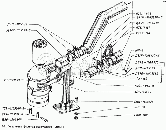
А25.11.156
ШП-8
ШП-10
Д37Е-1109530
Д37Е-1109530
Д37Е-1109530
ХЗ-1109546
Д37Е-1109532
А25.11.046
А25.11.056-В
ХЗ-1109549
А25.11.157
БНП-М10Х25
Т29-1109544-Б
Т29-1109542-Б
Д37М-1109534-В
Д37М-1109534-В
Д37А-1008127-Б
ГПШ-М10
ГК-М6
Д30-1308244
БНП-М6Х35
А25.11.156
Патрубок
В узле: 1
ШП-8
Шайба
В узле: 3
ШП-10
Шайба
В узле: 2
Д37Е-1109530
Хомут в сборе
В узле: 4
ХЗ-1109546
Хомут
В узле: 1
Д37Е-1109532
Хомут
В узле: 4
А25.11.046
Трубопровод в сборе
В узле: 1
А25.11.056-В
Стойка в сборе
В узле: 1
ХЗ-1109549
Прокладка
В узле: 1
А25.11.157
Прокладка
В узле: 1
БНП-М10Х25
Болт
В узле: 2
Т29-1109544-Б
Палец резьбовой
В узле: 1
Т29-1109542-Б
Палец подвижный
В узле: 1
Д37М-1109534-В
Муфта
В узле: 2
Д37А-1008127-Б
Гайка
В узле: 3
ГПШ-М10
Гайка
В узле: 2
ГК-М6
Гайка
В узле: 4
Д30-1308244
Винт
В узле: 1
БНП-М6Х35
Болт
В узле: 4
Содержащиеся в справочниках-каталогах запасные части и детали не предлагаются к продаже, а носят исключительно информационный характер

Ваша заявка была отправлена. В ближайшее время наши специалисты с Вами свяжутся по указанному Вами телефону.

Представьтесь
Поле обязательно для заполнения
Ваш телефон
Введите правильный номер телефона
E-mail
Введите правильный e-mail
Тема
Тема
применяемость финансирование доставка цена, наличие другое сервис и гарантия
Время для звонка
08:00
08:00 09:00 10:00 11:00 12:00 13:00 14:00 15:00 16:00 17:00 18:00 19:00
19:00
08:00 09:00 10:00 11:00 12:00 13:00 14:00 15:00 16:00 17:00 18:00 19:00

Мы постараемся перезвонить в указанное время

Если вы не хотите ждать, то звоните нашим вежливым консультантам:

8 800 100-2-700
Подтвердите, что вы не робот
Подтвердите, что вы не робот
Спасибо!

Ваше сообщение успешно отправлено!

ЗакрытьПовторить попытку