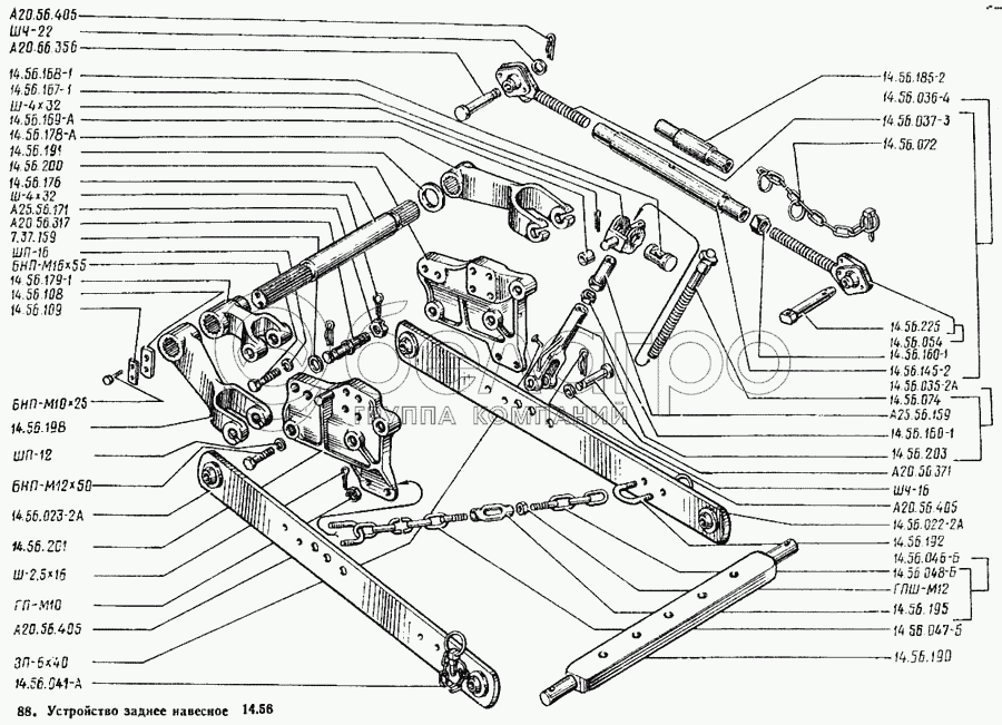
Каталог запасных частей к технике: ВТЗ Т-25А. Устройство заднее навесное

zoom-in zoom-out enlarge shrink circle-right circle-left file-text2 info cart arraw right arraw left zoom out zoom in arraw maximize arraw minimize
14.56.041-А
14.56.198
14.56.145-2
14.56.185-2
14.56.054
14.56.023-2А
14.56.037-3
14.56.022-2А
14.56.036-4
14.56.192
14.56.047-Б
14.56.048-Б
14.56.046-Б
14.56.179-1
14.56.072
14.56.108
14.56.191
7.37.159
ШП-12
ШП-16
ШЧ-16
ШЧ-22
14.56.168-1
А20.56.405
А20.56.405
А20.56.405
Ш-2,5Х16
Ш-4Х32
Ш-4Х32
ГПШ-М12
БНП-М12Х50
БНП-М16Х55
14.56.190
14.56.176
14.56.203
14.56.074
14.56.169-А
14.56.160-1
14.56.160-1
14.56.195
А25.56.159
А25.56.171
ГП-М10
БНП-М10Х25
14.56.167-1
ЗП-6Х40
14.56.200
14.56.201
14.56.225
А20.56.317
А20.56.356
А20.56.371
14.56.109
14.56.035-2А
14.56.178-А
14.56.022-2А
Тяга правая в сборе
В узле: 1
14.56.022-2А Тяга правая Т-25, Польша <10 шт. 5 370.54 р.
14.56.041-А
Чека в сборе
В узле: 2
14.56.198
Рычаг
В узле: 1
14.56.145-2
Труба
В узле: 1
14.56.185-2
Труба
В узле: 1
14.56.054
Тяга задняя в сборе
В узле: 1
14.56.023-2А
Тяга левая в сборе
В узле: 1
14.56.037-3
Тяга передняя в сборе
В узле: 1
14.56.036-4
Тяга центральная в сборе
В узле: 1
14.56.192
Ушко
В узле: 4
14.56.047-Б
Цепь в сборе
В узле: 2
14.56.048-Б
Цепь в сборе
В узле: 2
14.56.046-Б
Цепь в сборе
В узле: 2
14.56.179-1
Рычаг
В узле: 1
14.56.072
Чека в сборе
В узле: 1
14.56.108
Шайба
В узле: 2
14.56.191
Шайба
В узле: 5
7.37.159
Шайба
В узле: 2
ШП-12
Шайба
В узле: 8
ШП-16
Шайба
В узле: 4
ШЧ-16
Шайба
В узле: 2
ШЧ-22
Шайба
В узле: 1
14.56.168-1
Шарнир
В узле: 2
А20.56.405
Шплинт
В узле: 5
Ш-2,5Х16
Шплинт
В узле: 8
Ш-4Х32
Шплинт
В узле: 6
ГПШ-М12
Гайка
В узле: 2
БНП-М12Х50
Болт
В узле: 8
БНП-М16Х55
Болт
В узле: 4
14.56.190
Брус
В узле: 1
14.56.176
Вал
В узле: 1
14.56.203
Вилка
В узле: 2
14.56.074
Винт
В узле: 2
14.56.169-А
Втулка гнезда
В узле: 4
14.56.160-1
Гайка
В узле: 5
14.56.195
Гайка
В узле: 2
А25.56.159
Гайка
В узле: 2
А25.56.171
Гайка
В узле: 2
ГП-М10
Гайка
В узле: 8
БНП-М10Х25
Болт
В узле: 4
14.56.167-1
Гнездо
В узле: 2
ЗП-6Х40
Заклепка
В узле: 2
14.56.200
Кронштейн
В узле: 1
14.56.201
Кронштейн
В узле: 1
14.56.225
Палец
В узле: 1
А20.56.317
Палец
В узле: 2
А20.56.356
Палец
В узле: 1
А20.56.371
Палец
В узле: 2
14.56.109
Пластина
В узле: 2
14.56.035-2А
Раскос в сборе
В узле: 2
14.56.178-А
Рычаг
В узле: 1
Содержащиеся в справочниках-каталогах запасные части и детали не предлагаются к продаже, а носят исключительно информационный характер

Ваша заявка была отправлена. В ближайшее время наши специалисты с Вами свяжутся по указанному Вами телефону.

Представьтесь
Поле обязательно для заполнения
Ваш телефон
Введите правильный номер телефона
E-mail
Введите правильный e-mail
Тема
Тема
применяемость финансирование доставка цена, наличие другое сервис и гарантия
Время для звонка
08:00
08:00 09:00 10:00 11:00 12:00 13:00 14:00 15:00 16:00 17:00 18:00 19:00
19:00
08:00 09:00 10:00 11:00 12:00 13:00 14:00 15:00 16:00 17:00 18:00 19:00

Мы постараемся перезвонить в указанное время

Если вы не хотите ждать, то звоните нашим вежливым консультантам:

8 800 100-2-700
Подтвердите, что вы не робот
Подтвердите, что вы не робот
Спасибо!

Ваше сообщение успешно отправлено!

ЗакрытьПовторить попытку