Каталог запасных частей к технике: ВТЗ Т-25А. Вентилятор

zoom-in zoom-out enlarge shrink circle-right circle-left file-text2 info cart arraw right arraw left zoom out zoom in arraw maximize arraw minimize
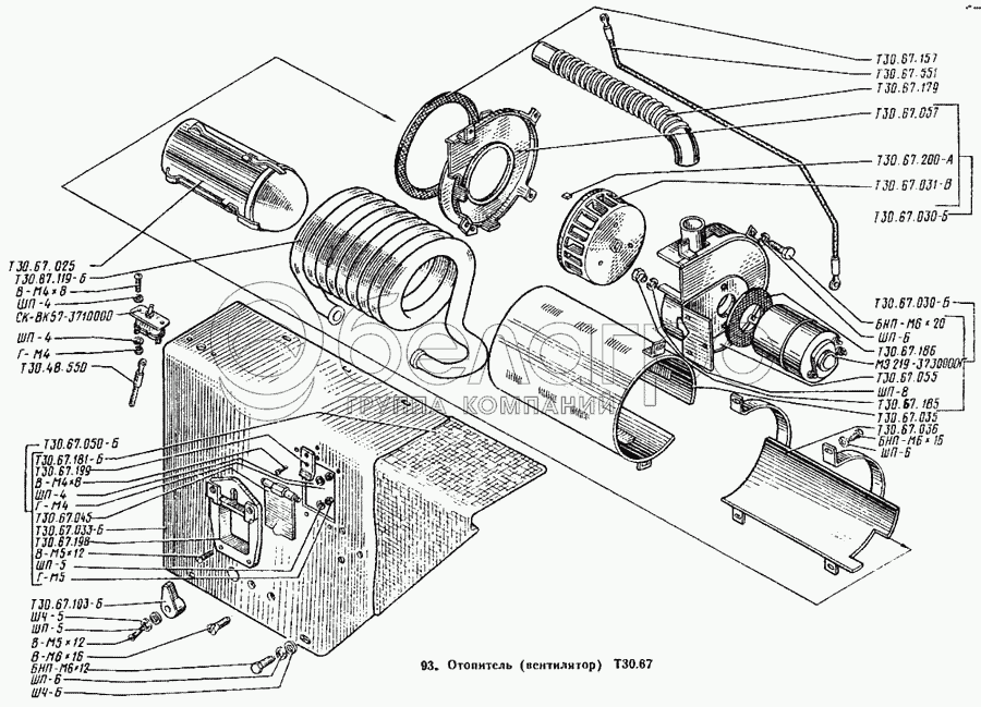
ШП-5
ШП-5
Т30.67.157
Т30.67.186
Т30.67.200-А
Т30.67.199
Т30.87.119-Б
Т30.67.103-Б
Т30.67.025
Т30.67.035
ШП-4
ШП-4
ШП-4
Т30.67.551
ШП-6
ШП-6
ШП-6
ШП-8
ШЧ-5
ШЧ-6
Т30.67.179
Т30.67.055
Т30.67.057
МЭ219-3730000-Г
Т30.67.185
БНП-М6Х16
БНП-М6Х20
Т30.67.030-Б
Т30.67.030-Б
В-М4Х8
В-М4Х8
В-М5Х12
В-М5Х12
В-М6Х16
СК-ВК57-3710000
Г-М4
Г-М4
Г-М5
БНП-М6Х12
Т30.67.045
Т30.67.031-В
Т30.67.181-Б
Т30.67.033-Б
Т30.67.198
Т30.67.050-Б
Т30.67.036
Т30.48.550
ШП-5
Шайба
В узле: 5
Т30.67.157
Прокладка
В узле: 1
Т30.67.186
Прокладка
В узле: 1
Т30.67.200-А
Прокладка
В узле: 1
Т30.67.199
Пружина
В узле: 1
Т30.87.119-Б
Радиатор
В узле: 1
Т30.67.103-Б
Рукоятка
В узле: 1
Т30.67.025
Цилиндр внутренний
В узле: 1
Т30.67.035
Цилиндр наружный
В узле: 1
ШП-4
Шайба
В узле: 1
Т30.67.551
Провод
В узле: ---
ШП-6
Шайба
В узле: 25
ШП-8
Шайба
В узле: 1
ШЧ-5
Шайба
В узле: 1
ШЧ-6
Шайба
В узле: 10
Т30.67.179
Шланг
В узле: 1
Т30.67.055
Щека задняя
В узле: 1
Т30.67.057
Щека передняя
В узле: 1
МЭ219-3730000-Г
Электродвигатель
В узле: 1
Т30.67.185
Гайка
В узле: 2
БНП-М6Х16
Болт
В узле: 6
БНП-М6Х20
Болт
В узле: 6
Т30.67.030-Б
Вентилятор
В узле: 1
В-М4Х8
Винт
В узле: 4
В-М5Х12
Винт
В узле: 5
В-М6Х16
Винт
В узле: 2
СК-ВК57-3710000
Включатель
В узле: 1
Г-М4
Гайка
В узле: 4
Г-М5
Гайка
В узле: 4
БНП-М6Х12
Болт
В узле: 15
Т30.67.045
Заслонка
В узле: 1
Т30.67.031-В
Колесо в сборе
В узле: 1
Т30.67.181-Б
Отделка
В узле: 1
Т30.67.033-Б
Панель
В узле: 1
Т30.67.198
Панель
В узле: 1
Т30.67.050-Б
Панель отопителя
В узле: 1
Т30.67.036
Постель в сборе
В узле: 1
Т30.48.550
Провод
В узле: ---
Содержащиеся в справочниках-каталогах запасные части и детали не предлагаются к продаже, а носят исключительно информационный характер

Ваша заявка была отправлена. В ближайшее время наши специалисты с Вами свяжутся по указанному Вами телефону.

Представьтесь
Поле обязательно для заполнения
Ваш телефон
Введите правильный номер телефона
E-mail
Введите правильный e-mail
Тема
Тема
применяемость финансирование доставка цена, наличие другое сервис и гарантия
Время для звонка
08:00
08:00 09:00 10:00 11:00 12:00 13:00 14:00 15:00 16:00 17:00 18:00 19:00
19:00
08:00 09:00 10:00 11:00 12:00 13:00 14:00 15:00 16:00 17:00 18:00 19:00

Мы постараемся перезвонить в указанное время

Если вы не хотите ждать, то звоните нашим вежливым консультантам:

8 800 100-2-700
Подтвердите, что вы не робот
Подтвердите, что вы не робот
Спасибо!

Ваше сообщение успешно отправлено!

ЗакрытьПовторить попытку