Каталог запасных частей к технике: ВТЗ Т-30A-80. Головка цилиндра Клапаны и толкатели клапанов

zoom-in zoom-out enlarge shrink circle-right circle-left file-text2 info cart arraw right arraw left zoom out zoom in arraw maximize arraw minimize
1
2
3
4
5
6
7
8
9
10
11
12
13
14
15
16
17
18
19
20
21
22
23
24
25
26
26
27
28
29
30
31
32
33
34
35
36
37
38
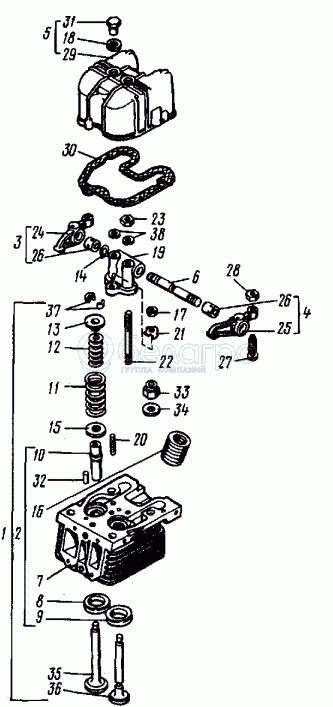
1
Д37М-1003008-Б5-01
Головка цилиндра в сборе
В узле: ---
2
Д37М-1003012Б5
Головка цилиндра
В узле: ---
3
Д37М-1007210А2
Коромысло правое
В узле: ---
4
Д37М-1007220А2
Коромысло левое
В узле: ---
5
Д37М-1007400Б3
Крышка
В узле: ---
6
А46.16.000
Ось
В узле: ---
7
Д144-1003015
Головка
В узле: 2
8
Д37М1003021Б2
Седло впускное
В узле: 2
9
Д37М-1005022Б2
Седло выпускное
В узле: 2
10
Д37М-1007033А2
Втулка
В узле: 4
11
Д37Е-1007045А
Пружина
В узле: 4
12
Д37Е-1007046А
Пружина
В узле: 4
13
Д37Е-1007048
Тарелка
В узле: 4
14
Д30-1007108
Кольцо
В узле: 4
15
Д37Е-1007109
Шайба
В узле: 4
16
Д37А-1003118-02
Вставка головки
В узле: 2
17
Д37А-1008127Б
Гайка
В узле: 2
18
Д37М-1104144
Прокладка
В узле: 4
19
Д37М-1007151
Стойка
В узле: 2
20
Д37М-1007157
Шпилька
В узле: 2
21
Д37М-1002176
Шайба стопорная
В узле: 2
22
Д37М-1007188А2
Шпилька
В узле: 4
23
Д30-1007198
Гайка
В узле: 4
24
Д37М-1007212Б-02
Коромысло правое
В узле: 2
25
Д37М-100721ЗБ-02
Коромысло левое
В узле: 2
26
Д37М-1007215Б
Втулка
В узле: 4
27
Д37М-1007218Б
Заглушка
В узле: 4
28
Д37Е-1007275Б1
Винт
В узле: 4
29
Д30-1007278
Гайка
В узле: 4
30
Д37М-1007415БЗ
Крышка
В узле: 2
31
Д37М-1007419А2
Прокладка
В узле: 2
32
Д37М-1007483
Гайка
В узле: 4
33
Д30-1007494
Штифт
В узле: 4
34
Д37М-1003540А1
Гайка
В узле: 8
35
Д37М-1003549
Шайба
В узле: 8
36
A05.09.001
Клапан впускной
В узле: 2
37
А05.09.002
Клапан выпускной
В узле: 2
38
A67.09.001
Сухарь
В узле: 8
39
10.ОТ.65Г.06
Шайба
В узле: 8
Содержащиеся в справочниках-каталогах запасные части и детали не предлагаются к продаже, а носят исключительно информационный характер

Ваша заявка была отправлена. В ближайшее время наши специалисты с Вами свяжутся по указанному Вами телефону.

Представьтесь
Поле обязательно для заполнения
Ваш телефон
Введите правильный номер телефона
E-mail
Введите правильный e-mail
Тема
Тема
применяемость финансирование доставка цена, наличие другое сервис и гарантия
Время для звонка
08:00
08:00 09:00 10:00 11:00 12:00 13:00 14:00 15:00 16:00 17:00 18:00 19:00
19:00
08:00 09:00 10:00 11:00 12:00 13:00 14:00 15:00 16:00 17:00 18:00 19:00

Мы постараемся перезвонить в указанное время

Если вы не хотите ждать, то звоните нашим вежливым консультантам:

8 800 100-2-700
Подтвердите, что вы не робот
Подтвердите, что вы не робот
Спасибо!

Ваше сообщение успешно отправлено!

ЗакрытьПовторить попытку