Каталог запасных частей к технике: ВТЗ Т-30A-80. Колонка рулевая

zoom-in zoom-out enlarge shrink circle-right circle-left file-text2 info cart arraw right arraw left zoom out zoom in arraw maximize arraw minimize
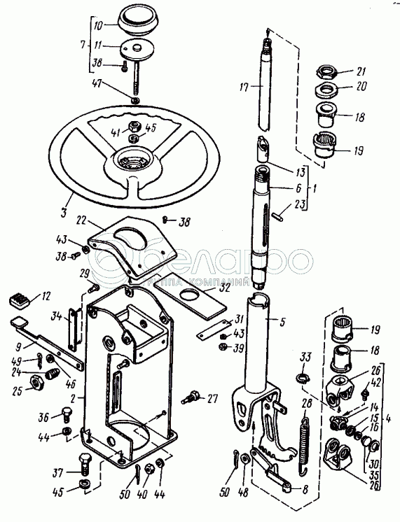
1
2
3
4
5
6
7
8
9
10
11
12
13
14
15
16
17
18
18
19
19
20
21
22
23
24
25
26
26
27
28
29
30
31
32
33
34
35
36
37
38
38
38
39
40
41
42
43
43
44
44
45
45
46
47
48
49
50
50
18
70-3401076
Втулка
В узле: 2
70-3401076 Втулка МТЗ амортизатора рулевой колонки >10 шт. 49.36 р.
14
50-3401062
Крестовина
В узле: 1
50-3401062 Крестовина МТЗ, ЮМЗ без подшипников, ВЗТЗЧ <10 шт. 396.66 р.
50-3401062 Крестовина МТЗ с подшипниками, (А) >10 шт. 85.78 р.
19
70-3401077-Б
Амортизатор
В узле: 2
70-3401077-Б - Амортизатор <10 шт. 198.76 р.
70-3401077-Б Амортизатор Под заказ 34.98 р.
13
70-3401054-Б
Хвостовик
В узле: 1
70-3401054-Б Хвостовик МТЗ, БЗТДиА <10 шт. 1 218.12 р.
17
70-3401074-Б
Вал
В узле: 1
70-3401074-Б Вал МТЗ, ЮМЗ рулевой, БЗТДиА <10 шт. 1 663.57 р.
20
70-3401078
Гайка
В узле: 1
70-3401078 Гайка МТЗ, БЗТДиА <10 шт. 265.52 р.
21
70-3401079
Контргайка
В узле: 1
70-3401079 Контргайка МТЗ привода рулевого управления, САЗ* Под заказ 102.31 р.
1
T35.40.011
Вал
В узле: 1
2
Т35.40.015-13
Корпус
В узле: 1
3
66-3402015-02
Колесо рулевое в сборе
В узле: 1
4
Т35.40.025-03
Кардан
В узле: 1
5
Т35.40.027-13
Труба
В узле: 1
6
Т35.40.029
Вал
В узле: 1
7
70-3401030-01
Зажим
В узле: 1
8
Т35.40.031-03
Фиксатор
В узле: 1
9
Т35.40.032-03
Педаль
В узле: 1
10
70-3401035-01
Головка
В узле: 1
11
70-3401140
Пластина со стержнем
В узле: 1
12
A13.38.002
Чехол
В узле: 1
15
50-3401063-01
Обойка
В узле: 4
16
50-3401064
Сальник
В узле: 4
22
Т35.40.108-03
Крышка
В узле: 1
23
Т35.40.139
Штифт
В узле: 1
24
T30.40.140
Винт
В узле: 2
25
Т35.40.142
Контргайка
В узле: 2
26
T35.40.146
Вилка
В узле: 2
27
T30.40.153
Ось
В узле: 1
28
50-1605152-01
Пружина
В узле: 1
29
T35.40.165
Ось
В узле: 2
30
T35.40.191
Кольцо
В узле: 4
31
Т25Б.40.196
Пластина
В узле: 1
32
Т25Б.40.305
Пластина
В узле: 1
33
54.03.441
Кольцо
В узле: 1
34
T35.40.672
Тяга
В узле: 1
35
90 4700УС-17
Подшипник
В узле: 4
36
4M12.6gx25.88.35.019
Болт
В узле: 2
37
4M16.6gx45.88.35.019
Болт
В узле: 2
38
B1.M6.6gx12.58.019
Винт
В узле: 7
39
M6.6H.6.019
Гайка
В узле: 2
40
М12x1,25.6H.6.019
Гайка
В узле: 1
41
М16x1,5.6H.8.40.019
Гайка
В узле: 1
42
01.01.2001
Масленка
В узле: 1
43
6Т.65Г.06
Шайба
В узле: 6
44
12.ОТ.65Г.06
Шайба
В узле: 3
45
16.ОТ.65Г.06
Шайба
В узле: 3
46
6.02.019
Шайба
В узле: 2
47
8.02.019
Шайба
В узле: 1
48
14.02.019
Шайба
В узле: 1
49
2x12.019
Шплинт
В узле: 2
50
3,2x20.019
Шплинт
В узле: 2
Содержащиеся в справочниках-каталогах запасные части и детали не предлагаются к продаже, а носят исключительно информационный характер

Ваша заявка была отправлена. В ближайшее время наши специалисты с Вами свяжутся по указанному Вами телефону.

Представьтесь
Поле обязательно для заполнения
Ваш телефон
Введите правильный номер телефона
E-mail
Введите правильный e-mail
Тема
Тема
применяемость финансирование доставка цена, наличие другое сервис и гарантия
Время для звонка
08:00
08:00 09:00 10:00 11:00 12:00 13:00 14:00 15:00 16:00 17:00 18:00 19:00
19:00
08:00 09:00 10:00 11:00 12:00 13:00 14:00 15:00 16:00 17:00 18:00 19:00

Мы постараемся перезвонить в указанное время

Если вы не хотите ждать, то звоните нашим вежливым консультантам:

8 800 100-2-700
Подтвердите, что вы не робот
Подтвердите, что вы не робот
Спасибо!

Ваше сообщение успешно отправлено!

ЗакрытьПовторить попытку