Каталог запасных частей к технике: ВТЗ Т-30A-80. Мост передний

zoom-in zoom-out enlarge shrink circle-right circle-left file-text2 info cart arraw right arraw left zoom out zoom in arraw maximize arraw minimize
1
1
1
1
2
3
4
5
6
7
8
9
10
11
12
13
14
15
15
16
17
17
18
18
19
20
20
21
22
23
24
25
26
27
28
29
30
31
32
33
34
35
36
37
38
39
39
40
40
1
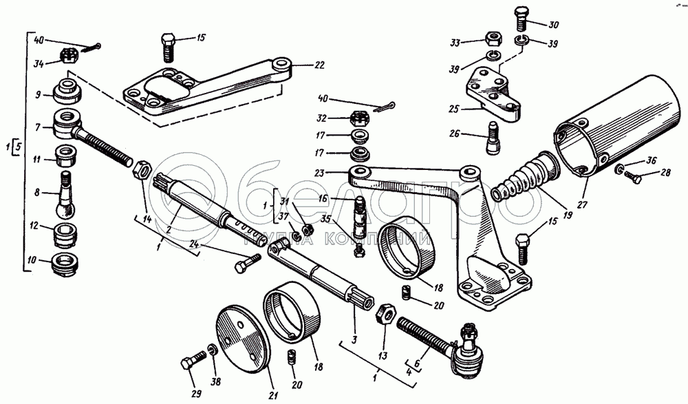
Т25Б.31.018
Тяга поперечная
В узле: 1
2
Т25Б.31.041
Труба
В узле: 1
3
Т25Б.31.042
Труба
В узле: 1
4
A35.32.000A
Шарнир
В узле: 1
5
A35.32.000A-01
Шарнир
В узле: 1
6
A35.32.001
Корпус
В узле: 1
7
A35.32.001-01
Корпус
В узле: 1
8
A35.32.002A
Палец шаровой
В узле: 2
9
А35.32.005Б
Чехол
В узле: 2
10
A35.32.006
Пробка
В узле: 2
11
A35.32.007
Вкладыш
В узле: 2
12
A35.32.008
Вкладыш
В узле: 2
13
A35.32.012
Контргайка
В узле: 1
14
A35.32.012-01
Контргайка
В узле: 1
15
T35A-3414032
Болт
В узле: 8
16
T35A-3414044
Палец
В узле: 2
17
T35A-3414045
Втулка
В узле: 4
18
Т25Б.30.102
Втулка
В узле: 2
19
Т25Б-2203122
Чехол
В узле: 1
20
Т25Б.31.137
Фиксатор
В узле: 2
21
Т25Б.31.138
Шайба
В узле: 1
22
Т25Б.31.146
Рычаг правый
В узле: 1
23
Т25Б.31.147
Рычаг левый
В узле: 1
24
7.31.150-1
Болт
В узле: 1
25
Т25Б.30.151
Кронштейн
В узле: 1
26
Т25Б.31.153
Болт
В узле: 1
27
Т25Б.31.201
Кожух
В узле: 1
28
4M8.6gx18.88.35.019
Болт
В узле: 4
29
4M14.6gx40.88.35.019
Болт
В узле: 3
30
4M16.6gx35.88.35.019
Болт
В узле: 2
31
М10.6Н.6.019
Гайка
В узле: 1
32
M16x1,5.6H.8.40.019
Гайка
В узле: 2
33
M16x1,5.6H.8.40.019
Гайка
В узле: 1
34
M18x1,5.6H.6.019
Гайка
В узле: 2
35
1.3.01.01
Масленка
В узле: 4
36
8Т.65Г.06
Шайба
В узле: 4
37
10.ОТ.65Г.06
Шайба
В узле: 1
38
14.ОТ.65Г.06
Шайба
В узле: 3
39
16.ОТ.65Г.06
Шайба
В узле: 1
40
4x32.019
Шплинт
В узле: 4
Содержащиеся в справочниках-каталогах запасные части и детали не предлагаются к продаже, а носят исключительно информационный характер

Ваша заявка была отправлена. В ближайшее время наши специалисты с Вами свяжутся по указанному Вами телефону.

Представьтесь
Поле обязательно для заполнения
Ваш телефон
Введите правильный номер телефона
E-mail
Введите правильный e-mail
Тема
Тема
применяемость финансирование доставка цена, наличие другое сервис и гарантия
Время для звонка
08:00
08:00 09:00 10:00 11:00 12:00 13:00 14:00 15:00 16:00 17:00 18:00 19:00
19:00
08:00 09:00 10:00 11:00 12:00 13:00 14:00 15:00 16:00 17:00 18:00 19:00

Мы постараемся перезвонить в указанное время

Если вы не хотите ждать, то звоните нашим вежливым консультантам:

8 800 100-2-700
Подтвердите, что вы не робот
Подтвердите, что вы не робот
Спасибо!

Ваше сообщение успешно отправлено!

ЗакрытьПовторить попытку