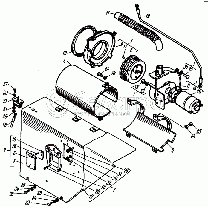
Каталог запасных частей к технике: ВТЗ Т-30A-80. Отопитель (вентилятор)

zoom-in zoom-out enlarge shrink circle-right circle-left file-text2 info cart arraw right arraw left zoom out zoom in arraw maximize arraw minimize
1
1
1
1
2
3
4
5
6
7
7
8
9
10
11
12
13
14
15
16
17
18
19
20
21
22
23
24
25
25
25
26
27
28
29
29
30
31
31
32
33
34
34
34
35
35
35
35
1
Т30.67.030Д-03
Вентилятор
В узле: 1
2
Т30.67.031Г-03
Колесо
В узле: 1'
3
Т30.67.033Б-03
Панель
В узле: 1
4
T30.67.035-03
Цилиндр наружный
В узле: 1
5
T30.67.036-03
Постель
В узле: 1
6
T30.67.045-03
Заслонка
В узле: 1
7
Т30.67.050Б-03
Панель отопителя
В узле: 1
8
T30.67.055-03
Щека задняя
В узле: 1
9
Т30. 67.057-03
Щека передняя
В узле: 1
10
T30.67.157
Прокладка
В узле: 1
11
T30.67.179
Шланг
В узле: 1
12
Т30.67.181Б-03
Отделка
В узле: 1
13
Т30.67.185
Гайка
В узле: 2
14
T30.67.186
Прокладка
В узле: 1
15
T30.67.198A
Панель
В узле: 1
16
T30.67.199
Пружина
В узле: 1
17
Т30.67.200А
Прокладка
В узле: 1
18
Т30.48.550-01
Провод
В узле: ---
19
T30.48.551B-03
Провод
В узле: ---
20
МЭ236-3730000-Т
Электродвигатель
В узле: 1
21
4607.3710010
Выключатель
В узле: 1
22
Д37Ц-1008078
Шайба
В узле: 2
23
M6.6gx12.88.35.019
Болт
В узле: 10
24
M6.6gx16.88.35.019
Болт
В узле: 2
25
М6.6gx20.88.35.019
Болт
В узле: 14
26
B.M4.6gx8.58.019
Винт
В узле: 2
27
B.M4.6gx12.58.019
Винт
В узле: 2
28
B.M5.6gx12.58.019
Винт
В узле: 4
29
M4.6H.6A.019
Гайка
В узле: 4
30
M5.6Н.6A.019
Гайка
В узле: 4
31
4.65Г.06
Шайба
В узле: 4
32
5Т.65Г.06
Шайба
В узле: 4
33
5.02.019
Шайба
В узле: 2
34
6Т.65Г.06
Шайба
В узле: 14
35
6.02.019
Шайба
В узле: 21
Содержащиеся в справочниках-каталогах запасные части и детали не предлагаются к продаже, а носят исключительно информационный характер

Ваша заявка была отправлена. В ближайшее время наши специалисты с Вами свяжутся по указанному Вами телефону.

Представьтесь
Поле обязательно для заполнения
Ваш телефон
Введите правильный номер телефона
E-mail
Введите правильный e-mail
Тема
Тема
применяемость финансирование доставка цена, наличие другое сервис и гарантия
Время для звонка
08:00
08:00 09:00 10:00 11:00 12:00 13:00 14:00 15:00 16:00 17:00 18:00 19:00
19:00
08:00 09:00 10:00 11:00 12:00 13:00 14:00 15:00 16:00 17:00 18:00 19:00

Мы постараемся перезвонить в указанное время

Если вы не хотите ждать, то звоните нашим вежливым консультантам:

8 800 100-2-700
Подтвердите, что вы не робот
Подтвердите, что вы не робот
Спасибо!

Ваше сообщение успешно отправлено!

ЗакрытьПовторить попытку