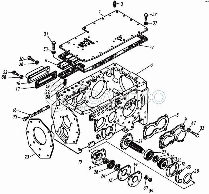
Каталог запасных частей к технике: ВТЗ Т-30A-80. Передача главная (блокировка передач)

zoom-in zoom-out enlarge shrink circle-right circle-left file-text2 info cart arraw right arraw left zoom out zoom in arraw maximize arraw minimize
1
2
3
4
5
6
7
8
9
10
11
12
13
14
15
16
17
18
19
20
21
22
23
24
25
26
27
28
29
30
31
32
33
34
35
36
36
37
37
37
37
38
1
Т30.37.011Б-03
Лист
В узле: 1
2
Т25Б.37.016
Картер
В узле: ---
3
T28-1702370A
Сапун
В узле: 1
4
7.37.123
Крышка
В узле: 1
5
7.37.124-03
Прокладка
В узле: 1
6
T30.37.149-03
Крышка
В узле: 1
7
7.37.152-03
Прокладка
В узле: 1
8
7.37.159
Шайба
В узле: 1
9
7.37.164-1
Кольцо
В узле: 1
10
7.37.167
Гнездо
В узле: 1
11
7.37.168
Прокладка
В узле: 2
12
7.37.169
Прокладка
В узле: 8
13
7.37.170
Прокладка
В узле: 2
14
14.37.171
Крышка
В узле: 2
15
7.37.172-03
Прокладка
В узле: 1
16
7.37.178
Крышка
В узле: 2
17
7.37.179-03
Прокладка
В узле: 2
18
A25.37.188B
Валик
В узле: 1
19
7.37.189A-03
Прокладка
В узле: 1
20
А25.37.211
Шестерня
В узле: 1
21
25.37.213
Валик
В узле: 1
22
150.21.221
Пружина
В узле: 4
23
Т25Б.37.425
Прокладка
В узле: 1
24
54.03.441
Кольцо
В узле: 1
25
A31.62-03
Пробка
В узле: 2
26
070-075-30-2-2
Кольцо
В узле: 1
27
207
Подшипник
В узле: 1
28
305
Подшипник
В узле: 1
29
4M8.6gx20.88.35.019
Болт
В узле: 6
30
4М8.6gх25.88.35.019
Болт
В узле: 2
31
4М10.6gх20.88.35.019
Болт
В узле: 4
32
4М10.6gx25.88.35.019
Болт
В узле: 22
33
4М10.6gх30.88.35.019
Болт
В узле: 6
34
M10.6H.6.019
Гайка
В узле: 4
35
КГ 1/2 -40.019
Пробка
В узле: 1
36
8Т.65Г.06
Шайба
В узле: 9.
37
10.ОТ.65Г.06
Шайба
В узле: 36
38
15,081-40
Шарик
В узле: 4
Содержащиеся в справочниках-каталогах запасные части и детали не предлагаются к продаже, а носят исключительно информационный характер

Ваша заявка была отправлена. В ближайшее время наши специалисты с Вами свяжутся по указанному Вами телефону.

Представьтесь
Поле обязательно для заполнения
Ваш телефон
Введите правильный номер телефона
E-mail
Введите правильный e-mail
Тема
Тема
применяемость финансирование доставка цена, наличие другое сервис и гарантия
Время для звонка
08:00
08:00 09:00 10:00 11:00 12:00 13:00 14:00 15:00 16:00 17:00 18:00 19:00
19:00
08:00 09:00 10:00 11:00 12:00 13:00 14:00 15:00 16:00 17:00 18:00 19:00

Мы постараемся перезвонить в указанное время

Если вы не хотите ждать, то звоните нашим вежливым консультантам:

8 800 100-2-700
Подтвердите, что вы не робот
Подтвердите, что вы не робот
Спасибо!

Ваше сообщение успешно отправлено!

ЗакрытьПовторить попытку