Каталог запасных частей к технике: ВТЗ Т-30A-80. Платформа с покрытием

zoom-in zoom-out enlarge shrink circle-right circle-left file-text2 info cart arraw right arraw left zoom out zoom in arraw maximize arraw minimize
1
2
3
4
5
6
7
8
9
10
11
12
13
14
15
16
17
18
19
20
21
22
23
24
25
26
27
28
29
30
31
32
33
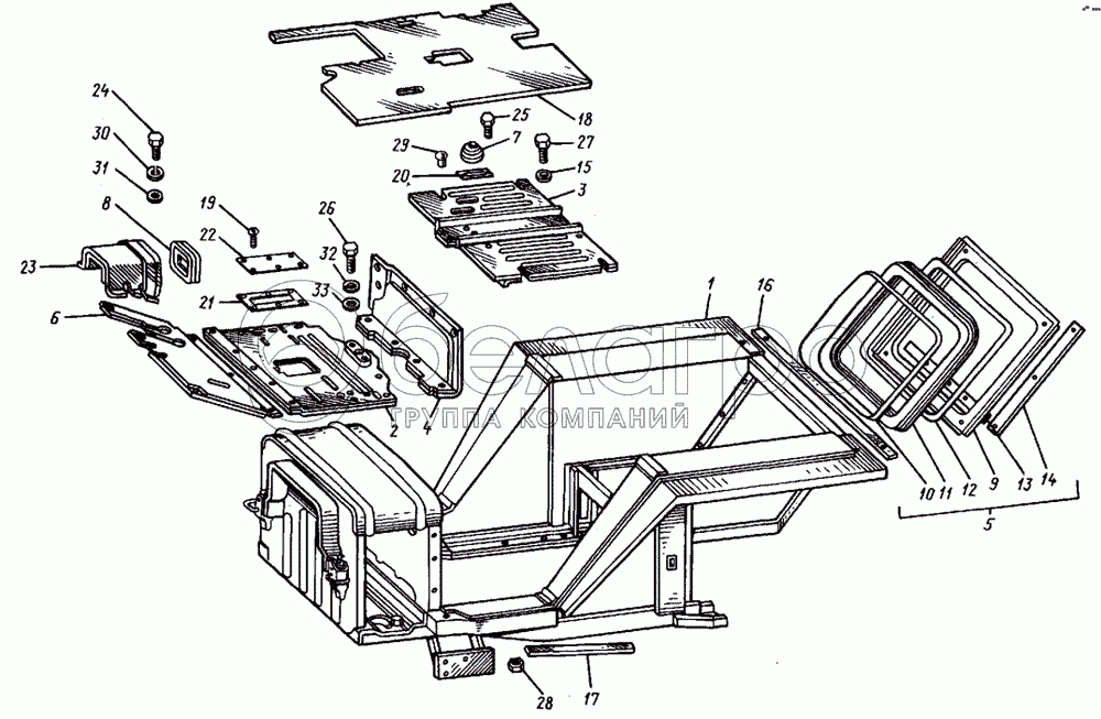
1
Т30.47.003Б-13
Платформа с покрытием
В узле: 1
2
'Т30.47.010Б-10
Пол задний с покрытием
В узле: 1
3
T30.47.016-13
Поддон с покрытием
В узле: 1
4
T30.47.021-10
Перегородка с покрытием
В узле: 1
5
Т30.47.039-03
Окно заднее
В узле: 1
6
Т30.47.055Б
Полик
В узле: 1
7
24-1108152
Уплотнитель рычага
В узле: 2
8
T30.47.417-03
Уплотнитель
В узле: 1
9
Т30.47.442-03
Рамка
В узле: 1
10
Т30.47.443А
Стекло
В узле: 1
11
Т30.47.490-03
Окантовка
В узле: 1
12
T30.47.491-03
Шнур распорный
В узле: 1
13
T30.47.516-03
Прокладка
В узле: 1
14
T30.47.517-03
Прокладка
В узле: 2
15
Т30.47.525
Шайба
В узле: 6
16
Т30.45.560-03
Уплотнитель
В узле: 1
17
Т30.45.562-03
Уплотнитель
В узле: 2
18
Т30.47.609Б-03
Прокладка
В узле: 1
19
Т30.45.645
Винт
В узле: 5
20
Т30.47.709
Рамка
В узле: 2
21
T30.47.712
Рамка
В узле: 1
22
T30.47.713
Прокладка
В узле: 1
23
T30.47.926Б-03
Колпак
В узле: 1
24
M6.6gx16.88.35.019
Болт
В узле: 3
25
M6.6gx20.88.35.019
Болт
В узле: 4
26
4M10.6gx30.88.35.019
Болт
В узле: 3
27
4М10.6gx40.88.35.019
Болт
В узле: 3
28
M10.6H.6.019
Гайка
В узле: 6
29
2,5x6.37
Заклепка
В узле: 4
30
6Т.65Г.06
Шайба
В узле: 3
31
6.02.019
Шайба
В узле: 3
32
10.ОТ.65Г.06
Шайба
В узле: 39
33
10.02.019
Шайба
В узле: 13
Содержащиеся в справочниках-каталогах запасные части и детали не предлагаются к продаже, а носят исключительно информационный характер

Ваша заявка была отправлена. В ближайшее время наши специалисты с Вами свяжутся по указанному Вами телефону.

Представьтесь
Поле обязательно для заполнения
Ваш телефон
Введите правильный номер телефона
E-mail
Введите правильный e-mail
Тема
Тема
применяемость финансирование доставка цена, наличие другое сервис и гарантия
Время для звонка
08:00
08:00 09:00 10:00 11:00 12:00 13:00 14:00 15:00 16:00 17:00 18:00 19:00
19:00
08:00 09:00 10:00 11:00 12:00 13:00 14:00 15:00 16:00 17:00 18:00 19:00

Мы постараемся перезвонить в указанное время

Если вы не хотите ждать, то звоните нашим вежливым консультантам:

8 800 100-2-700
Подтвердите, что вы не робот
Подтвердите, что вы не робот
Спасибо!

Ваше сообщение успешно отправлено!

ЗакрытьПовторить попытку