Каталог запасных частей к технике: ВТЗ Т-30A-80. Полурама

zoom-in zoom-out enlarge shrink circle-right circle-left file-text2 info cart arraw right arraw left zoom out zoom in arraw maximize arraw minimize
1
2
3
4
5
6
7
7
8
9
10
11
12
13
14
15
16
17
17
17
18
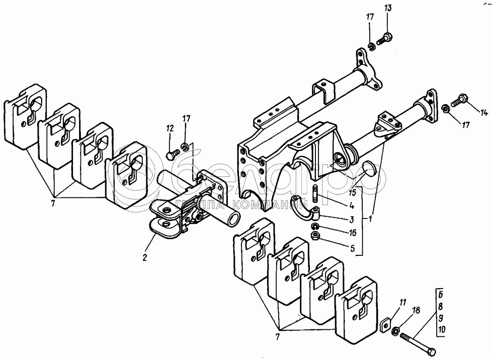
1
Т25Б.30.023-03
Полурама
В узле: 1
2
A25.30.025-03
Кронштейн
В узле: 1
3
Т25Б.30.132
Бугель
В узле: 2
4
Т25Б.30.133
Шпилька
В узле: 4
5
50-1004188
Гайка
В узле: 4
6
A25.30.226
Болт
В узле: 2
7
A25.30.227A-03
Груз
В узле: 2/6
8
A25.30.229
Болт
В узле: 2
9
A25.30.229-01
Болт
В узле: 2
10
A25.30.229-02
Болт
В узле: 2
11
А25.30.232
Шайба
В узле: 2
12
4M16.6gx40.88.35.019
Болт
В узле: 6
13
4М16.6gx55.88.35.019
Болт
В узле: 7
14
4М16.6gx60.88.35.019
Болт
В узле: 7
15
5,5.08кп.
Заглушка
В узле: 2
16
14.ОТ.65Г.06
Шайба
В узле: 4
17
16.ОТ.65Г.06
Шайба
В узле: 14
18
18.ОТ.65Г.06
Шайба
В узле: 2
Содержащиеся в справочниках-каталогах запасные части и детали не предлагаются к продаже, а носят исключительно информационный характер

Ваша заявка была отправлена. В ближайшее время наши специалисты с Вами свяжутся по указанному Вами телефону.

Представьтесь
Поле обязательно для заполнения
Ваш телефон
Введите правильный номер телефона
E-mail
Введите правильный e-mail
Тема
Тема
применяемость финансирование доставка цена, наличие другое сервис и гарантия
Время для звонка
08:00
08:00 09:00 10:00 11:00 12:00 13:00 14:00 15:00 16:00 17:00 18:00 19:00
19:00
08:00 09:00 10:00 11:00 12:00 13:00 14:00 15:00 16:00 17:00 18:00 19:00

Мы постараемся перезвонить в указанное время

Если вы не хотите ждать, то звоните нашим вежливым консультантам:

8 800 100-2-700
Подтвердите, что вы не робот
Подтвердите, что вы не робот
Спасибо!

Ваше сообщение успешно отправлено!

ЗакрытьПовторить попытку