Каталог запасных частей к технике: ВТЗ Т-30A-80. Распределитель Р80-3-2 в сборе

zoom-in zoom-out enlarge shrink circle-right circle-left file-text2 info cart arraw right arraw left zoom out zoom in arraw maximize arraw minimize
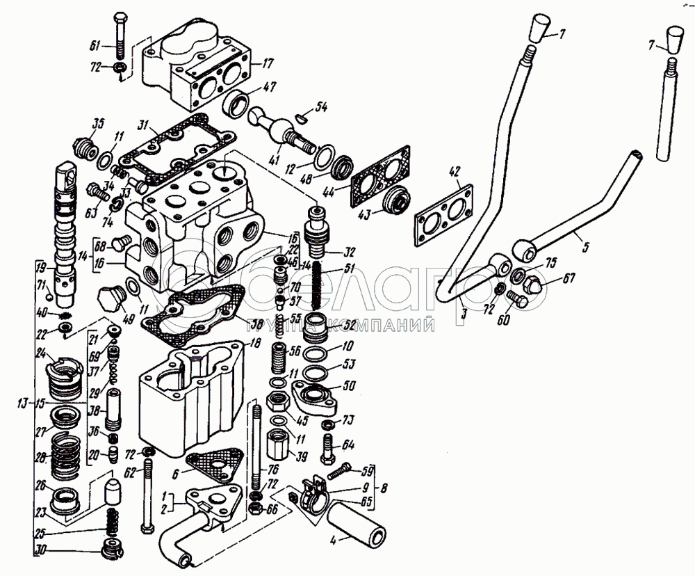
P80-3-2
1
2
3
4
5
6
7
7
8
9
10
11
11
11
11
12
13
14
14
15
16
16
17
18
19
20
21
22
22
23
24
25
26
27
28
29
30
31
32
33
34
35
36
37
38
39
40
41
42
43
44
45
46
47
48
49
50
51
52
53
54
55
56
57
58
59
60
61
62
63
64
65
66
67
68
69
70
71
72
72
72
72
73
74
75
76
P80-3-2
Распределитель
В узле: 1
1
A25.54.015-03
Патрубок
В узле: 1
2
А25.54.015Б
Патрубок
В узле: 1
3
Т30.54.105Б-03
Рычаг левый
В узле: 1
4
25.54.114
Шланг
В узле: 1
5
Т30.54.116Б-03
Рычаг правый
В узле: 1
6
54.53.402-03
Прокладка
В узле: 1
7
A13.05.000A
Рукоятка
В узле: 2
8
Д120-1405070
Хомут
В узле: 2
9
Д120-1405071
Хомут
В узле: 2
10
НШ10-0101031
Кольцо уплотнительное
В узле: 1
11
НШ10-0101034
Кольцо уплотнительное
В узле: 1
12
НШ46-0505037-03
Кольцо
В узле: 3
13
Р80-23.20.030
Золотник
В узле: 2
14
Р80-2-004
Корпус распределителя
В узле: 1
15
Р80-23.20.050
Гильза золотника
В узле: 2
16
P80-2-021
Корпус распределителя
В узле: 1
17
Р75-2-022Б
Крышка верхняя
В узле: 1
18
Р75-2-023
Крышка нижняя
В узле: 1
19
Р80-23.20.024
Золотник
В узле: 2
20
Р75-В-025
Бустер
В узле: 2
21
Р80-23.20.026
Гнездо
В узле: 2
22
Р75-В-028А
Прокладка
В узле: 5
23
Р75-В-029
Втулка
В узле: 2
24
Р80-23.20.031
Обойма
В узле: 2
25
Р75-В-032
Пружина
В узле: 2
26
Р75-033А
Стакан нижний
В узле: 2
27
Р75-034А
Стакан верхний
В узле: 2
28
Р75-035
Пружина
В узле: 2
29
Р80-23.20.036
Пружина
В узле: 2
30
Р75-037А
Пробка
В узле: 2
31
Р75-3-038
Прокладка
В узле: 1
32
P80-3-041
Клапан перепускной
В узле: 1
33
P80-042
Клапан
В узле: 1
34
P80-043
Пружина
В узле: 1
35
P80-044
Пробка
В узле: 1
36
Р75-В-044-Б
Винт
В узле: 2
37
P75-B-045
Направляющая клапана
В узле: 2
38
P80-23.20.046
Гильза
В узле: 2
39
Р75-051Б
Колпачок
В узле: 1
40
P75-B-052
Фильтр
В узле: 2
41
P75-054A
Рычаг
В узле: 2
42
Р75-2-055Б-03
Пластина
В узле: 1
43
P75-056M
Пыльник
В узле: 2
44
P75-2-057-03
Пластина
В узле: 1
45
Р75-058Б
Гайка
В узле: 1
46
P80-3-063
Гнездо
В узле: 1
47
P75-064A
Кольцо нижнее
В узле: 2
48
P75-065A
Кольцо верхнее
В узле: 2
49
P75-066
Заглушка
В узле: 2
50
Р75-071Г
Упор
В узле: 1
51
P75-072
Пружина
В узле: 1
52
P75-073A
Направляющая клапана
В узле: 1
53
P75-077
Кольцо
В узле: 1
54
P75-099
Шпонка
В узле: 2
55
Р40/75-0808048Б
Пружина
В узле: 1
56
P40/75-0808049A
Винт
В узле: 1
57
P40/75-0808059A
Направляющая клапана
В узле: 1
58
P16A-0808139A
Прокладка нижняя
В узле: 1
59
M6.6gx25.88.35.019
Болт
В узле: 2
60
M8.6gx16.88.35.019
Болт
В узле: 6
61
M8.6gx55.88.35.019
Болт
В узле: 6
62
4М8.6gx100.88.35.019
Болт
В узле: 4
63
4M10.6gх20.88.35.019
Болт
В узле: 6
64
4M10.6gx30.88.35.019
Болт
В узле: 1
65
M6.6H.5.019
Гайка
В узле: 2
66
M8.6H.6.019
Гайка
В узле: 3
67
M12x1,25.6H.6.019
Гайка
В узле: 2
68
КГ1/4-40.019
Пробка
В узле: 1
69
3,969
Шарик
В узле: 2
70
5,556
Шарик
В узле: 1
71
6,35
Шарик
В узле: 6
72
8Т.65Г.05
Шайба
В узле: 25
73
10.65Г.05
Шайба
В узле: 2
74
10.ОT.65Г.06
Шайба
В узле: 4
75
12.ОТ.65Г.06
Шайба
В узле: 2
76
ШМ 8x120
Шпилька
В узле: 3
Содержащиеся в справочниках-каталогах запасные части и детали не предлагаются к продаже, а носят исключительно информационный характер

Ваша заявка была отправлена. В ближайшее время наши специалисты с Вами свяжутся по указанному Вами телефону.

Представьтесь
Поле обязательно для заполнения
Ваш телефон
Введите правильный номер телефона
E-mail
Введите правильный e-mail
Тема
Тема
применяемость финансирование доставка цена, наличие другое сервис и гарантия
Время для звонка
08:00
08:00 09:00 10:00 11:00 12:00 13:00 14:00 15:00 16:00 17:00 18:00 19:00
19:00
08:00 09:00 10:00 11:00 12:00 13:00 14:00 15:00 16:00 17:00 18:00 19:00

Мы постараемся перезвонить в указанное время

Если вы не хотите ждать, то звоните нашим вежливым консультантам:

8 800 100-2-700
Подтвердите, что вы не робот
Подтвердите, что вы не робот
Спасибо!

Ваше сообщение успешно отправлено!

ЗакрытьПовторить попытку