Каталог запасных частей к технике: ВТЗ Т-30A-80. Раздаточная коробка

zoom-in zoom-out enlarge shrink circle-right circle-left file-text2 info cart arraw right arraw left zoom out zoom in arraw maximize arraw minimize
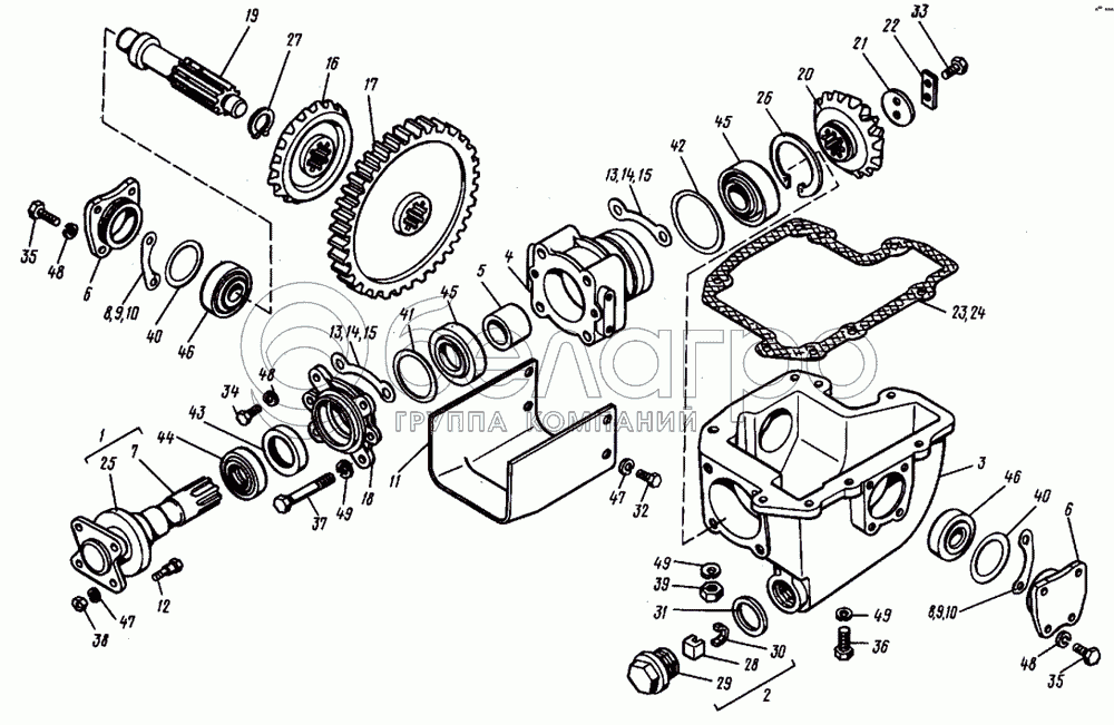
1
2
3
4
5
6
6
7
8
8
9
9
10
10
11
12
14
14
15
15
15
16
17
18
19
20
21
22
23
24
25
26
27
28
29
30
31
32
33
34
35
35
36
37
38
39
40
40
41
42
43
44
45
45
46
46
47
47
48
48
48
49
49
49
42
085-090-30-2-2
Кольцо
В узле: 1
085-090-30-2-2 Кольцо уплотнительное, Беларусь Под заказ 52.24 р.
1
Т25Б-1802010
Вал ведомый
В узле: 1
2
ПММ-39Б
Пробка в сборе
В узле: 1
3
Т25Б-1802036
Корпус
В узле: 1
4
Т25Б-1802038
Стакан
В узле: 1
5
T35A-1802042
Втулка
В узле: 1
6
T35A-2301042
Крышка
В узле: 2
7
Т25Б-1802044
Вал ведомый
В узле: 1
8
T35A-2301044
Прокладка
В узле: 4
9
T35A-2301044-10
Прокладка
В узле: 6
10
T35A-2301044-20
Прокладка
В узле: 12
11
Т25Б-2302044-03
Щиток
В узле: 1
12
T35A-1802046
Болт
В узле: 4
14
T35A-1802052-10
Прокладка
В узле: 8
15
T35A-1802052
Прокладка
В узле: 4
15
T35A-1802052-20
Прокладка
В узле: 12
16
Т25Б-1802056
Шестерня ведущая
В узле: 1
17
T35A-1802058
Шестерня
В узле: 1
18
T35A-1802062
Крышка стакана
В узле: 1
19
T35A-2301063
Вал
В узле: 1
20
Т25Б-1802067
Колесо коническое
В узле: 1
21
Т25Б-1802068
Шайба
В узле: 1
22
Т25Б-1802069
Шайба
В узле: 1
23
Т25Б-1802071-03
Прокладка
В узле: 1
24
Т25Б-1802071-13
Прокладка
В узле: 1
25
T35A-1802076
Щиток грязевой
В узле: 1
26
T35A-1802087
Кольцо
В узле: 1
27
7.37.164-1
Кольцо
В узле: 1
28
54.38.602
Магнит
В узле: 1
29
ПММ-1-39-1
Пробка
В узле: 1
30
ПММ-4-39
Скоба
В узле: 1
31
КУ-39
Кольцо
В узле: 1
32
4M8.6gx14.88.35.019
Болт
В узле: 4
33
4M8.6gx20.88.35.019
Болт
В узле: 2
34
4M10.6gx20.88.35.019
Болт
В узле: 2
35
4M10.6gx25.88.35.019
Болт
В узле: 8
36
4M12.6gx30.88.35.019
Болт
В узле: 5
37
4M12.6gx80.88.35.019
Болт
В узле: 4
38
M8.6H.6.019
Гайка
В узле: 4
39
M12x1,25.6H.6.019
Гайка
В узле: 1
40
056-062-36-2-2
Кольцо
В узле: 2
41
066-072-36-2-2
Кольцо
В узле: 1
43
1.2-42x62-1
Манжета
В узле: 1
44
2.2-42x62-1
Манжета
В узле: 1
45
7507A
Подшипник
В узле: 2
46
7605
Подшипник
В узле: 2
47
8Т.65Г.06
Шайба
В узле: 8
48
10.ОТ.65Г.06
Шайба
В узле: 10
49
12.ОТ.65Г.06
Шайба
В узле: 10
Содержащиеся в справочниках-каталогах запасные части и детали не предлагаются к продаже, а носят исключительно информационный характер

Ваша заявка была отправлена. В ближайшее время наши специалисты с Вами свяжутся по указанному Вами телефону.

Представьтесь
Поле обязательно для заполнения
Ваш телефон
Введите правильный номер телефона
E-mail
Введите правильный e-mail
Тема
Тема
применяемость финансирование доставка цена, наличие другое сервис и гарантия
Время для звонка
08:00
08:00 09:00 10:00 11:00 12:00 13:00 14:00 15:00 16:00 17:00 18:00 19:00
19:00
08:00 09:00 10:00 11:00 12:00 13:00 14:00 15:00 16:00 17:00 18:00 19:00

Мы постараемся перезвонить в указанное время

Если вы не хотите ждать, то звоните нашим вежливым консультантам:

8 800 100-2-700
Подтвердите, что вы не робот
Подтвердите, что вы не робот
Спасибо!

Ваше сообщение успешно отправлено!

ЗакрытьПовторить попытку