Каталог запасных частей к технике: ВТЗ Т-30A-80. Установка пускового приспособления

zoom-in zoom-out enlarge shrink circle-right circle-left file-text2 info cart arraw right arraw left zoom out zoom in arraw maximize arraw minimize
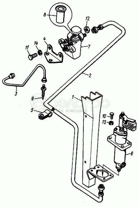
1
2
3
4
5
6
7
8
9
10
11
12
13
14
1
T30.81.010
Желоб
В узле: 1
2
T30.81.015
Трубопровод воздушный
В узле: 1
3
T30.81.020
Трубопровод эмульсионный
В узле: 1
4
25A1.81.102
Кронштейн смесителя
В узле: 1
5
14.48.139-01
Скоба
В узле: 2
6
6ПП-40А-01000
Насoc
В узле: 1
7
5ПП-40А-02000
Смеситель в сборе
В узле: 1
8
5ПП-40А-05000
Капсула в сборе
В узле: 100
9
5ПП-40А-06000
Распылитель в сборе
В узле: 1
10
M6.6gx16.88.35.019
Болт
В узле: 4
11
4M8.6gx25.88.35.019
Болт
В узле: 2
12
М8.6H.6.019
Гайка
В узле: 2
13
6Т.65Г.06
Шайба
В узле: 4
14
8Т.65Г.06
Шайба
В узле: 2
Содержащиеся в справочниках-каталогах запасные части и детали не предлагаются к продаже, а носят исключительно информационный характер

Ваша заявка была отправлена. В ближайшее время наши специалисты с Вами свяжутся по указанному Вами телефону.

Представьтесь
Поле обязательно для заполнения
Ваш телефон
Введите правильный номер телефона
E-mail
Введите правильный e-mail
Тема
Тема
применяемость финансирование доставка цена, наличие другое сервис и гарантия
Время для звонка
08:00
08:00 09:00 10:00 11:00 12:00 13:00 14:00 15:00 16:00 17:00 18:00 19:00
19:00
08:00 09:00 10:00 11:00 12:00 13:00 14:00 15:00 16:00 17:00 18:00 19:00

Мы постараемся перезвонить в указанное время

Если вы не хотите ждать, то звоните нашим вежливым консультантам:

8 800 100-2-700
Подтвердите, что вы не робот
Подтвердите, что вы не робот
Спасибо!

Ваше сообщение успешно отправлено!

ЗакрытьПовторить попытку