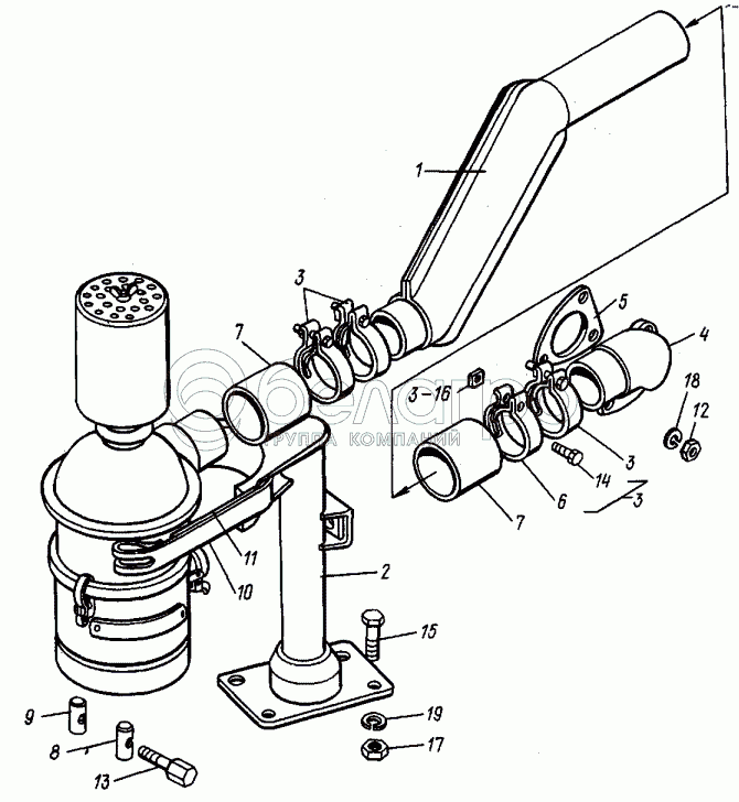
Каталог запасных частей к технике: ВТЗ Т-30A-80. Установка воздушного фильтра

zoom-in zoom-out enlarge shrink circle-right circle-left file-text2 info cart arraw right arraw left zoom out zoom in arraw maximize arraw minimize
1
2
3
3
3
3
4
5
6
7
7
8
9
10
11
12
13
14
15
16
17
18
19
1
A25.11.046
Трубопровод
В узле: 1
2
A25.11.056B2-03
Стойка
В узле: 1
3
Д37Е-1109530-03
Хомут
В узле: 4
4
A25.11.156
Патрубок
В узле: 1
5
A25.11.157
Прокладка
В узле: 1
6
Д37Е1109532
Хомут
В узле: 4
7
Д37М-1109534В
Муфта
В узле: 2
8
Т29-1109542Б
Палец подвижный
В узле: 1
9
Т29-1109544Б
Палец резьбовой
В узле: 1
10
X3-1109546A2
Хомут
В узле: 1
11
X3-1109549
Прокладка
В узле: 1
12
Д37А-1008127Б
Гайка
В узле: 3
13
Д30-1308244
Винт
В узле: 1
14
M6.6gx35.88.35.019
Болт
В узле: 4
15
4M10.6gx25.88.35.019
Болт
В узле: 2
16
M6.6H.6.019
Гайка
В узле: 4
17
M10.6H.6.019
Гайка
В узле: 2
18
8Т.65Г.06
Шайба
В узле: 3
19
10.ОТ.65Г.06
Шайба
В узле: 2
Содержащиеся в справочниках-каталогах запасные части и детали не предлагаются к продаже, а носят исключительно информационный характер

Ваша заявка была отправлена. В ближайшее время наши специалисты с Вами свяжутся по указанному Вами телефону.

Представьтесь
Поле обязательно для заполнения
Ваш телефон
Введите правильный номер телефона
E-mail
Введите правильный e-mail
Тема
Тема
применяемость финансирование доставка цена, наличие другое сервис и гарантия
Время для звонка
08:00
08:00 09:00 10:00 11:00 12:00 13:00 14:00 15:00 16:00 17:00 18:00 19:00
19:00
08:00 09:00 10:00 11:00 12:00 13:00 14:00 15:00 16:00 17:00 18:00 19:00

Мы постараемся перезвонить в указанное время

Если вы не хотите ждать, то звоните нашим вежливым консультантам:

8 800 100-2-700
Подтвердите, что вы не робот
Подтвердите, что вы не робот
Спасибо!

Ваше сообщение успешно отправлено!

ЗакрытьПовторить попытку