Каталог запасных частей к технике: Wirax Z069. Привод

zoom-in zoom-out enlarge shrink circle-right circle-left file-text2 info cart arraw right arraw left zoom out zoom in arraw maximize arraw minimize
1
1
1
1
1
1
1
1
1
1
1
1
1
1
1
1
2
3
4
5
6
7
8
9
10
11
12
12
13
13
14
15
15
15
16
17
18
19
20
21
21
21
21
22
23
24
25
26
27
28
29
29
30
30
30
31
31
32
32
33
33
34
34
35
36
37
37
37
37
37
38
39
39
40
40
40
40
40
40
40
40
40
41
42
43
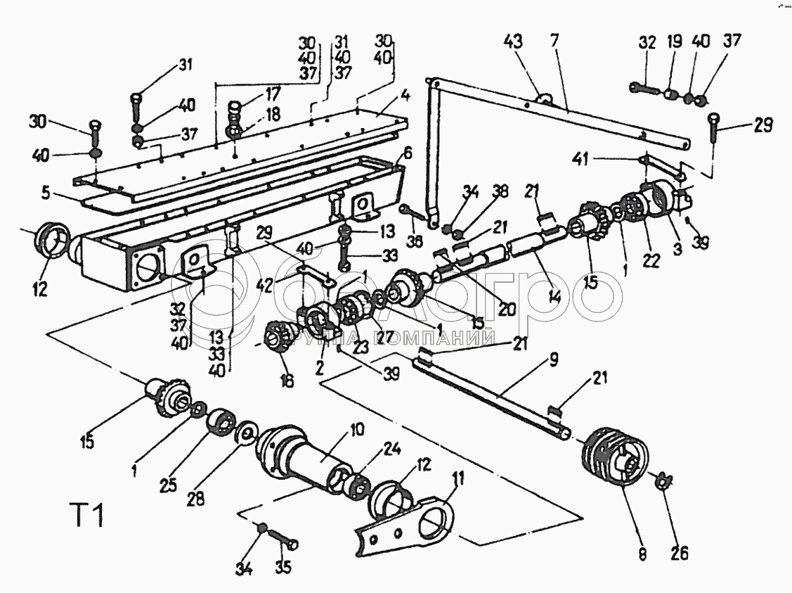
4
8245-036-010-658
Крышка коробки передач
В узле: 1
8245-036-010-658 Крышка коробки передач <10 шт. 1 929.59 р.
3
8245-036-010-190
Корпус подшипника правый
В узле: 1
8245-036-010-190 Корпус подшипника правый <10 шт. 849.38 р.
2
8245-036-010-187
Корпус подшипника левый
В узле: 1
8245-036-010-187 Корпус подшипника левый Под заказ 943.95 р.
8245-036-010-248
Приводной вал, комплект
В узле: 1
1
8245-036-010-098
Регулирующая шайба
В узле: ---
1
8245-036-010-120
Регулирующая шайба
В узле: ---
1
8245-036-010-105
Регулирующая шайба
В узле: ---
1
8245-036-010-118
Регулирующая шайба
В узле: ---
5
8245-036-010-210
Уплотнитель
В узле: 1
6
8245-036-010-810
Коробка передач
В узле: 1
7
8245-105-000-021
Тяга, комплект
В узле: 1
8
8245-036-010-250
Малый ремённый шкив
В узле: 1
9
8245-036-010-263
Приводной вал
В узле: 1
10
8245-036-010-276
Втулка
В узле: 1
11
8245-036-010-289
Задняя панель
В узле: 1
12
8245-036-010-291
Несущая втулка
В узле: 2
13
8245-036-010-337
Уплотняющая втулка
В узле: 8
14
8245-036-010-352
Приводной вал
В узле: 1
15
8245-036-010-673
Коническое колесо большое, комплект
В узле: 3
16
8245-036-010-066
Коническое колесо малое, комплект
В узле: 1
17
8245-036-010-044
Клапан
В узле: 1
18
8245-036-010-053
Шайба
В узле: 1
19
8245-036-010-719
Втулка
В узле: 1
21
PN-70/M-85005
Призматический шпунт
В узле: 4
24
PN-85/M-86100
Шарикоподшипник
В узле: 1
25
PN-87/M-86160
Радиально-упорный шарикоподшипник
В узле: 1
26
PN-81/VK85111
Стопорное пружинящее кольцо
В узле: 1
27
PN-81/M-85111
Стопорное пружинящее кольцо
В узле: 1
28
PN-72/M-86964
Уплотняющее кольцо
В узле: 1
36
PN-85/M-82101
Винт
В узле: 1
33
PN-85/M-821.01
Винт
В узле: 8
40
PN-77/M-82008
Пружинная шайба
В узле: 35
37
PN-86/W-82144
Гайка
В узле: 25
38
PN-86/M-82144
Гайка
В узле: 1
39
PN-89/M-85021
Цилиндрический штифт
В узле: 4
42
8245-036-010-632
Подкладка с двумя отверстиями, отгибающаяся
В узле: 1
43
PN-80/S-83100
Круглый отражатель
В узле: 2
Содержащиеся в справочниках-каталогах запасные части и детали не предлагаются к продаже, а носят исключительно информационный характер

Ваша заявка была отправлена. В ближайшее время наши специалисты с Вами свяжутся по указанному Вами телефону.

Представьтесь
Поле обязательно для заполнения
Ваш телефон
Введите правильный номер телефона
E-mail
Введите правильный e-mail
Тема
Тема
применяемость финансирование доставка цена, наличие другое сервис и гарантия
Время для звонка
08:00
08:00 09:00 10:00 11:00 12:00 13:00 14:00 15:00 16:00 17:00 18:00 19:00
19:00
08:00 09:00 10:00 11:00 12:00 13:00 14:00 15:00 16:00 17:00 18:00 19:00

Мы постараемся перезвонить в указанное время

Если вы не хотите ждать, то звоните нашим вежливым консультантам:

8 800 100-2-700
Подтвердите, что вы не робот
Подтвердите, что вы не робот
Спасибо!

Ваше сообщение успешно отправлено!

ЗакрытьПовторить попытку