Каталог запасных частей к технике: ЮМЗ-6КЛ, (6КМ). Двигатель пусковой

zoom-in zoom-out enlarge shrink circle-right circle-left file-text2 info cart arraw right arraw left zoom out zoom in arraw maximize arraw minimize
1
2
2
3
4
5
6
7
7
8
9
19
22
23
24
25
26
27
28
29
31
32
33
37
38
38
43
44
45
50
51
52
53
54
55
56
57
58
59
60
61
63
64
65
66
67
68
69
70
71
72
73
74
74
75
76
77
78
79
80
81
82
83
83
84
84
85
86
87
87
88
88
88
88
88
89
89
89
90
92
93
94
94
95
96
98
66
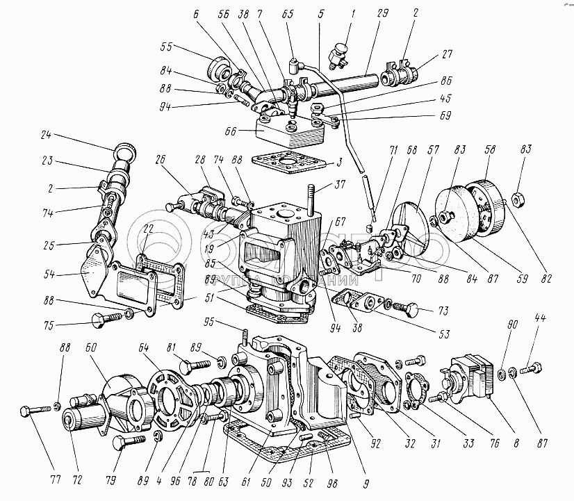
350.01.004.00
Головка цилиндра
В узле: 1
350.01.004.00 Головка цилиндра пускового двигателя (Д24.033-Б), (А) Под заказ 715.57 р.
Д24-С21-Б
Шатун
В узле: 1
350.01.040.00
Цилиндр
В узле: 1
Д65-24-С16-А
Трубопровод охлаждения
В узле: 1
Д65-1015540
Трубопровод газоотводной в сборе
В узле: 1
36-1015530-В1
Труба газоотводная в сборе
В узле: 1
Д24-С06-А
Поршень в сборе
В узле: 1
Д24-С32
Поршень со стопорный кольцом
В узле: 1
Д65-24-219-А
Корпус
В узле: 1
75.24.014-1
Картер
В узле: 1
Д65-24-С01-5
Двигатель П-10УД
В узле: 1
350.01.080.00
Головка цилиндра
В узле: 1
75.24.015
Втулка сальника в сборе
В узле: 1
Д65-24-053-А
Воздухоочиститель
В узле: 1
Д24-С20-Б
Вал коленчатый
В узле: 1
1
Д65-24-С10
Краник
В узле: 1
2
Д24-С15-А
Хомут
В узле: 7
3
Д24-С18-А
Прокладка головки цилиндра в сборе
В узле: 1
4
Д24-С26
Сальник войлочный в сборе
В узле: 1
5
Д24-079
Провод высокого напряжения
В узле: 1
6
Д48-24-С01-А
Хомут
В узле: 1
7
СН200-3707010
Свеча зажигания
В узле: 1
7
СН433-3707000-04
Свеча зажигания
В узле: 1
8
М124-Б1
Магнето
В узле: 1
9
Д24-001-Г
Картер (передняя половина)
В узле: 1
19
Д24-029-1
Цилиндр пускового двигателя
В узле: 1
22
Д24-051
Прокладка
В узле: 1
23
Д24-054-Б
Тарелка сальника
В узле: 1
24
Д24-055-А
Уплотнение
В узле: 1
25
Д24-056
Прокладка фланца
В узле: 1
26
Д24-061-М1
Патрубок
В узле: 1
27
Д24-063-А
Шланг патрубка
В узле: 3
28
Д24-064-А
Прокладка фланца
В узле: 1
29
Д24-065
Труба водоотводная
В узле: 1
31
Д24-072-М
Плита
В узле: 1
32
Д24-073-М1
Прокладка
В узле: 1
33
Д24-074
Прокладка магнето
В узле: 1
37
Д24-081
Шпилька
В узле: 4
38
Д24-093
Прокладка фланца
В узле: 3
43
Д24-101-М1
Патрубок
В узле: 1
44
Д24-102
Болт крепления магнето
В узле: 3
45
Д24-122-А
Планка крепления провода
В узле: 1
50
Д24-145
Прокладка
В узле: 1
51
Д24-146
Прокладка цилиндра
В узле: 1
52
Д24-149
Прокладка картера
В узле: 1
53
Д24-205
Заглушка
В узле: 1
54
Д65-24-050-А
Патрубок
В узле: 1
55
Д65-24-212
Заглушка
В узле: 1
56
Д65-24-213-А
Патрубок
В узле: 1
57
Д65-24-214-А
Корпус
В узле: 1
58
Д65-24-215-А
Крышка
В узле: 1
59
Д65-24-216-А
Элемент фильтрующий
В узле: 1
60
75.24.032-А
Кожух маховика
В узле: 1
61
75.24.102-1
Картер (задняя половина)
В узле: 1
63
75.24.105
Втулка сальника
В узле: 1
64
75.24.109-4-1
Плита кожуха маховика
В узле: 1
65
ПД8-3707692
Наконечник
В узле: 1
67
350.01.018.00
Прокладка
В узле: 1
68
350.01.019.10
Прокладка
В узле: 1
69
36-3723024-Б
Втулка провода
В узле: 1
70
11-1107011
Карбюратор
В узле: 1
71
119-74-А
Пробка
В узле: 1
72
СТ-362
Стартер
В узле: 1
73
М8х16.7796
Болт
В узле: 2
74
М8х20.7796
Болт
В узле: 6
75
М8х25.7796
Болт
В узле: 6
76
М8х35.7795
Болт
В узле: 2
77
М8х65.7795
Болт
В узле: 1
78
М10х22.7796
Болт
В узле: 1
79
М10х25.7796
Болт
В узле: 4
80
М10х30
Болт
В узле: 3
81
М10х60.7795
Болт
В узле: 4
82
М6х55.22042
Шпилька
В узле: 1
83
М6.5915
Гайка
В узле: 3
84
М8.5915
Гайка
В узле: 4
85
М10х1.2524
Гайка
В узле: 4
86
М10х1.1552
Гайка
В узле: 4
87
6.65Г
Шайба
В узле: 5
88
8.65Г
Шайба
В узле: 21
89
10.65Г
Шайба
В узле: 16
90
6.02
Шайба
В узле: 5
92
8С3х22
Штифт
В узле: 1
93
10С3Х22
Штифт
В узле: 2
94
М8х(То/1,25)х20
Шпилька
В узле: 4
95
М10х(1,5То/1,0)х22
Шпилька
В узле: 4
96
1.1-30х52-2
Манжета
В узле: 2
98
КГ1/8"А12.013
Пробка
В узле: 2
Содержащиеся в справочниках-каталогах запасные части и детали не предлагаются к продаже, а носят исключительно информационный характер

Ваша заявка была отправлена. В ближайшее время наши специалисты с Вами свяжутся по указанному Вами телефону.

Представьтесь
Поле обязательно для заполнения
Ваш телефон
Введите правильный номер телефона
E-mail
Введите правильный e-mail
Тема
Тема
применяемость финансирование доставка цена, наличие другое сервис и гарантия
Время для звонка
08:00
08:00 09:00 10:00 11:00 12:00 13:00 14:00 15:00 16:00 17:00 18:00 19:00
19:00
08:00 09:00 10:00 11:00 12:00 13:00 14:00 15:00 16:00 17:00 18:00 19:00

Мы постараемся перезвонить в указанное время

Если вы не хотите ждать, то звоните нашим вежливым консультантам:

8 800 100-2-700
Подтвердите, что вы не робот
Подтвердите, что вы не робот
Спасибо!

Ваше сообщение успешно отправлено!

ЗакрытьПовторить попытку