Каталог запасных частей к технике: ЮМЗ-6КЛ, (6КМ). Карбюратор

zoom-in zoom-out enlarge shrink circle-right circle-left file-text2 info cart arraw right arraw left zoom out zoom in arraw maximize arraw minimize
1
2
3
3
4
5
6
7
8
9
10
11
12
13
14
15
16
16
17
18
21
23
24
25
26
27
28
29
30
31
32
33
34
35
36
37
38
39
39
40
41
42
43
003700-08
Пружина
В узле: 1
003700-04
Пружина
В узле: 1
К06-1107200
Крышка корпуса
В узле: 1
11.1107305
Клапан
В узле: 1
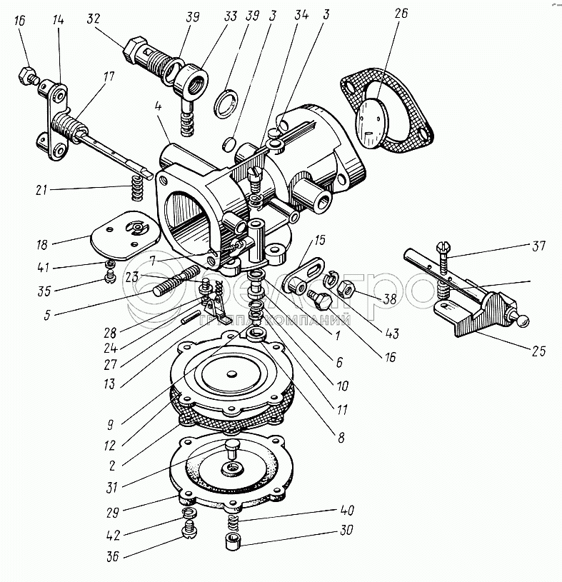
11.1107011
Карбюратор
В узле: 1
11.1107565.2
Заслонка воздушная
В узле: 1
1
11.1107021
Шайба
В узле: 1
2
11.1107029
Прокладка
В узле: 1
3
11.1107032
Заглушка
В узле: 2
4
11.1107106.2
Корпус карбюратора
В узле: 1
5
11.1107114
Шпилька
В узле: 2
6
11.1107171
Распылитель
В узле: 1
7
11.1107216
Жиклер
В узле: 1
8
11.1107306
Корпус обратного клапана
В узле: 1
9
11.1107307
Пластина клапана
В узле: 1
10
11.1107308
Замок обратного клапана
В узле: 1
11
11.1107309
Шайба
В узле: 1
12
11.1107370
Мембрана
В узле: 1
13
11.1107386.2
Рычаг
В узле: 1
14
11.1107520
Валик воздушной заслонки с рычагом
В узле: 1
15
11.1107540
Рычажок валика
В узле: 1
16
11.1107549
Винт муфты
В узле: 2
17
11.1107557.1
Пружина
В узле: 1
18
11.1107571.10
Заслонка
В узле: 1
21
11.1107578.1
Пружина клапана
В узле: 1
23
11.1107674
Седло топливного клапана
В узле: 1
24
11.1107675
Игла клапана
В узле: 1
25
11.1107820.3
Ось
В узле: 1
26
11.1107891
Заслонка дроссельная
В узле: 1
27
К02-1107117-А
Ось рычага клапана
В узле: 1
28
К06-1107106
Пружина
В узле: 1
29
К06-1107201-10
Крышка
В узле: 1
30
К06-1107202
Кнопка
В узле: 1
31
К06-1107203-10
Утолитель мембраны
В узле: 1
32
К13-1107207
Болт штуцера
В узле: 1
33
К16А-1107122
Штуцер топливоподводящий
В узле: 1
34
К23-59
Винт регулировочный
В узле: 1
35
001300
Винт М3х8
В узле: 2
36
001300-04
Винт М5х12
В узле: 6
37
001300-06
Винт М5х16
В узле: 1
38
002100-Д3
Гайка М6
В узле: 1
39
002500-07
Шайба
В узле: 2
40
003700-03
Пружина
В узле: 1
41
3Т.65Г
Шайба
В узле: 4
42
5Л.65Г
Шайба
В узле: 6
43
6Л.65Г
Шайба
В узле: 1
Содержащиеся в справочниках-каталогах запасные части и детали не предлагаются к продаже, а носят исключительно информационный характер

Ваша заявка была отправлена. В ближайшее время наши специалисты с Вами свяжутся по указанному Вами телефону.

Представьтесь
Поле обязательно для заполнения
Ваш телефон
Введите правильный номер телефона
E-mail
Введите правильный e-mail
Тема
Тема
применяемость финансирование доставка цена, наличие другое сервис и гарантия
Время для звонка
08:00
08:00 09:00 10:00 11:00 12:00 13:00 14:00 15:00 16:00 17:00 18:00 19:00
19:00
08:00 09:00 10:00 11:00 12:00 13:00 14:00 15:00 16:00 17:00 18:00 19:00

Мы постараемся перезвонить в указанное время

Если вы не хотите ждать, то звоните нашим вежливым консультантам:

8 800 100-2-700
Подтвердите, что вы не робот
Подтвердите, что вы не робот
Спасибо!

Ваше сообщение успешно отправлено!

ЗакрытьПовторить попытку