Каталог запасных частей к технике: ЮМЗ-6КЛ, (6КМ). Компрессор

zoom-in zoom-out enlarge shrink circle-right circle-left file-text2 info cart arraw right arraw left zoom out zoom in arraw maximize arraw minimize
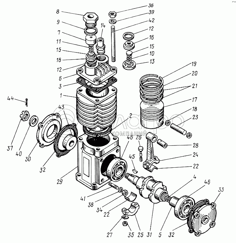
1
1
2
2
3
3
4
5
6
6
7
8
8
9
10
11
12
12
13
14
14
15
15
16
16
17
18
19
20
21
22
22
23
23
24
25
26
26
27
28
29
29
30
30
31
32
32
32
32
33
33
34
35
36
37
38
39
40
41
42
43
44
45
46
46
А29.01.150
Шатун
В узле: 1
А29.01.100
Поршень и шатун
В узле: 1
А29.03.020
Крышка
В узле: 1
А29.03.000-02
Компрессор
В узле: 1
А29.03.000-01
Компрессор
В узле: 1
А29.01.110
Комплект поршневых колец
В узле: 1
А29.03.010
Картер со шпильками
В узле: 1
А29.01.050-02
Головка цилиндра
В узле: 1
А29.01.050-01
Головка цилиндра
В узле: 1
1
А29.01.002-02
Цилиндр
В узле: 1
1
А29.01.002-01
Цилиндр
В узле: 1
2
А29.01.006
Прокладка цилиндра
В узле: 1
2
А29.01.006-01
Прокладка цилиндра
В узле: 1
3
А29.01.008
Прокладка головки
В узле: 1
3
А29.01.008-01
Прокладка головки
В узле: 1
4
А29.01.013А
Пружина
В узле: 1
5
А29.01.014А
Уплотнитель
В узле: 1
6
А29.01.051-01
Головка цилиндра
В узле: 1
6
А29.01.051-02
Головка цилиндра
В узле: 1
7
А29.01.052
Корпус клапана
В узле: 1
8
А29.01.053-01
Пробка
В узле: 1
8
А29.01.053-02
Пробка
В узле: 1
9
А29.01.054
Прокладка
В узле: 1
10
А29.01.055-01
Пружина
В узле: 1
11
А29.01.056-01
Пружина
В узле: 1
12
А29.01.057
Прокладка
В узле: 2
13
А29.01.058
Корпус
В узле: 1
14
А29.01.059-01
Штуцер
В узле: 1
14
А29.01.059-02
Штуцер
В узле: 1
15
А29.01.061
Клапан
В узле: 2
16
А29.01.062
Седло клапана
В узле: 2
17
А29.01.101
Поршень
В узле: 1
18
А29.01.102
Кольцо стопорное
В узле: 2
19
А29.01.103
Кольцо компрессионное
В узле: 1
20
А29.01.104
Кольцо компрессионное
В узле: 1
21
А29.01.105
Кольцо маслосъемное
В узле: 2
22
А29.01.106
Вкладыш шатуна
В узле: 2
23
А29.01.120
Палец поршневой
В узле: 1
23
А29.01.107
Палец поршневой
В узле: 1
24
А29.01.151
Шатун
В узле: 1
25
А29.01.152
Крышка
В узле: 1
26
А29.01.153
Болт
В узле: 2
26
А29.01.160
Болт
В узле: 2
27
А29.01.154
Шайба
В узле: 2
28
А29.01.155
Втулка
В узле: 1
29
А29.03.001-01
Картер
В узле: 1
29
А29.03.001-02
Картер
В узле: 1
30
А29.03.003-01
Крышка передняя
В узле: 1
30
А29.03.003-02
Крышка передняя
В узле: 1
31
А29.03.004
Вал коленчатый
В узле: 1
32
А29.03.009-01
Прокладка
В узле: 2
32
А29.03.009
Прокладка
В узле: 2
33
А29.03.012-01
Крышка задняя
В узле: 1
33
А29.03.012-02
Крышка задняя
В узле: 1
34
М8.5915
Гайка
В узле: 8
35
М8х1.15521
Гайка
В узле: 2
36
М8х1,5.15524
Гайка
В узле: 4
37
М14х1,5.5933
Гайка
В узле: 1
38
8.65Г
Шайба
В узле: 8
39
8.04
Шайба
В узле: 8
40
14.05
Шайба
В узле: 1
41
М8х(То/1,25)х18
Шпилька
В узле: 8
42
М8х(1,25То/1,0)х95
Шпилька
В узле: 4
43
2-24х40-4
Манжета
В узле: 1
44
3,2х25
Шплинт
В узле: 1
45
5х7,5
Шпонка
В узле: 1
46
207
Подшипник
В узле: 2
Содержащиеся в справочниках-каталогах запасные части и детали не предлагаются к продаже, а носят исключительно информационный характер

Ваша заявка была отправлена. В ближайшее время наши специалисты с Вами свяжутся по указанному Вами телефону.

Представьтесь
Поле обязательно для заполнения
Ваш телефон
Введите правильный номер телефона
E-mail
Введите правильный e-mail
Тема
Тема
применяемость финансирование доставка цена, наличие другое сервис и гарантия
Время для звонка
08:00
08:00 09:00 10:00 11:00 12:00 13:00 14:00 15:00 16:00 17:00 18:00 19:00
19:00
08:00 09:00 10:00 11:00 12:00 13:00 14:00 15:00 16:00 17:00 18:00 19:00

Мы постараемся перезвонить в указанное время

Если вы не хотите ждать, то звоните нашим вежливым консультантам:

8 800 100-2-700
Подтвердите, что вы не робот
Подтвердите, что вы не робот
Спасибо!

Ваше сообщение успешно отправлено!

ЗакрытьПовторить попытку