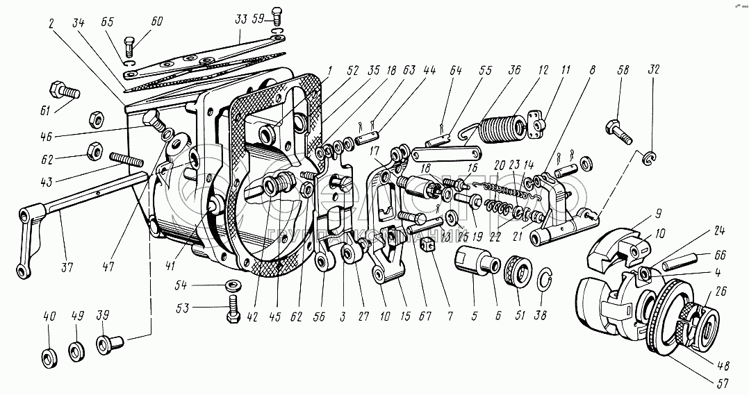
Каталог запасных частей к технике: ЮМЗ-6КЛ, (6КМ). Регулятор топливного насоса

zoom-in zoom-out enlarge shrink circle-right circle-left file-text2 info cart arraw right arraw left zoom out zoom in arraw maximize arraw minimize
1
2
3
4
5
6
7
8
9
10
10
11
12
13
14
15
16
17
18
18
19
20
21
22
23
24
25
26
27
32
33
34
35
36
37
38
39
40
41
42
43
44
45
46
47
48
49
51
52
53
54
55
56
57
58
59
60
61
62
62
63
64
65
66
67
УТН-5-1110240-Ж2
Ступица грузов в сборе
В узле: 1
УТН-5-1110210-Б
Рычаги регулятора
В узле: 1
УТН-5-1110200-В
Рычаг промежуточный со втулкой
В узле: 1
УТН-5-1110190-Л
Рычаг промежуточный
В узле: 1
УТН-5-1110290-А
Рычаг основной со втулками
В узле: 1
4УТНМ-П-1110010-30
Регулятор топливного насоса
В узле: 1
УТН-5-1110170-Г
Пружина
В узле: 1
УТН-3-1110140
Муфта регулятора со втулкой
В узле: 1
УТН-5-1110230-В3
Корректор
В узле: 1
4УТНМ-П-1110020
Корпус регулятора
В узле: 1
УТН-5-1110160-Д
Груз регулятора в сборе
В узле: 4
УТН-5-1110320-В
Втулка
В узле: 1
1
УТН-5-1110021-Б
Втулка рычага управления
В узле: 1
2
4УТНМ-П-1110025
Корпус регулятора
В узле: 1
3
УТН-3-1110026
Упор жесткий
В узле: 1
4
УТН-5-1110132-М3
Ступица
В узле: 1
5
УТН-3-1110144-Б
Муфта регулятора
В узле: 1
6
УТН-3-1110145
Втулка муфты
В узле: 1
7
УТН-5-1110153-Г2
Пята
В узле: 1
8
УТН-5-1110155-Г5
Рычаг пружины
В узле: 1
9
УТН-5-1110165-Д
Груз регулятора
В узле: 4
10
УТН-5-1110166
Втулка рычага
В узле: 5
11
УТН-5-1110171-Г
Серьга
В узле: 1
12
УТН-5-1110187-Г
Пружина
В узле: 1
13
УТН-5-1110191
Ось рычага
В узле: 1
14
УТН-5-1110193
Пружина обогатителя
В узле: 1
15
УТН-5-1110195-К
Рычаг промежуточный
В узле: 1
16
УТН-5-1110196-А
Шпилька
В узле: 1
17
УТН-1110231-Б
Корпус корректора
В узле: 1
18
УТН-5-1110232
Прокладка
В узле: 2
19
УТН-5-1110233-Б2
Шток корректора
В узле: 1
20
УТН-5-1110234-Д
Пружина
В узле: 1
21
УТН-5-1110235-Б3
Винт регулировочный
В узле: 1
22
УТН-5-1110237
Скоба
В узле: 1
23
УТН-5-1110238-А1
Тарелка
В узле: 1
24
УТН-5-1110241
Ось груза
В узле: 4
25
УТН-5-1110242-Б
Шайба
В узле: 10
26
УТН-5-1110251-Г2
Шайба упорная
В узле: 1
27
УТН-5-1110274-А
Рычаг основной
В узле: 1
32
УТН-5-1110279
Шайба
В узле: 1
33
УТН-5-1110301-10
Крышка регулятора
В узле: 1
34
УТН-5-1110302-А
Прокладка
В узле: 1
35
УТН-5-1110303-01
Прокладка
В узле: 1
36
УТН-5-1110304
Тяга рейки
В узле: 1
37
УТН-5-1110308-Д
Рычаг управления
В узле: 1
38
УТН-3-1110311-Б
Кольцо замковое
В узле: 1
39
УТН-5-1110321-Б1
Втулка
В узле: 1
40
УТН-5-1110323-Б
Обойма сальника
В узле: 1
41
Д40-1110365-Б
Ось рычагов
В узле: 1
42
Д40-1110386-А
Прокладка заглушки
В узле: 1
43
УТН-5-1110401-Б3
Винт регулировочный
В узле: 1
44
УТН-5-1110403
Палец рычага
В узле: 2
45
УТН-5-1110409
Заглушка оси рычагов
В узле: 1
46
УТН-5-1110411
Пробка
В узле: 1
47
УТН-5-1110412
Прокладка
В узле: 1
48
236-1110517-Б
Сухарь
В узле: 4
49
17-004-А
Сальник
В узле: 1
51
17-031-1А
Подшипник упорный 8202У
В узле: 1
52
17-071
Заглушка
В узле: 2
53
ОНМ-019-2
Болт
В узле: 1
54
ОНМ-086-1
Прокладка
В узле: 1
55
ОНМ-087
Палец рычага
В узле: 2
56
ОНМ-170
Втулка рычага короткая
В узле: 2
57
8110
Шарикоподшипник
В узле: 1
58
М6х12.7798
Болт
В узле: 1
59
М6х20.7795
Болт
В узле: 3
60
3М6х20.7795-Ш
Болт
В узле: 2
61
М6х25.7795
Болт
В узле: 1
62
М6.5915
Гайка
В узле: 5
63
2х10
Шплинт
В узле: 4
64
2х16
Шплинт
В узле: 6
65
6Т.65Г
Шайба
В узле: 5
66
УТН-5-1110241
Ось груза
В узле: 4
67
УТН-5-1110191
Ось рычага
В узле: 1
Содержащиеся в справочниках-каталогах запасные части и детали не предлагаются к продаже, а носят исключительно информационный характер

Ваша заявка была отправлена. В ближайшее время наши специалисты с Вами свяжутся по указанному Вами телефону.

Представьтесь
Поле обязательно для заполнения
Ваш телефон
Введите правильный номер телефона
E-mail
Введите правильный e-mail
Тема
Тема
применяемость финансирование доставка цена, наличие другое сервис и гарантия
Время для звонка
08:00
08:00 09:00 10:00 11:00 12:00 13:00 14:00 15:00 16:00 17:00 18:00 19:00
19:00
08:00 09:00 10:00 11:00 12:00 13:00 14:00 15:00 16:00 17:00 18:00 19:00

Мы постараемся перезвонить в указанное время

Если вы не хотите ждать, то звоните нашим вежливым консультантам:

8 800 100-2-700
Подтвердите, что вы не робот
Подтвердите, что вы не робот
Спасибо!

Ваше сообщение успешно отправлено!

ЗакрытьПовторить попытку