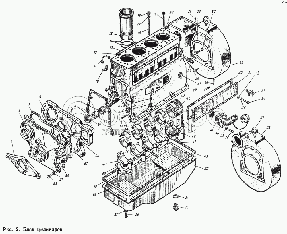
Каталог запасных частей к технике: ЮМЗ-6Л. Блок цилиндров

zoom-in zoom-out enlarge shrink circle-right circle-left file-text2 info cart arraw right arraw left zoom out zoom in arraw maximize arraw minimize
1
2
3
4
5
6
7
8
9
10
10
11
12
13
13
14
15
16
17
18
19
20
21
22
23
24
25
26
27
28
29
30
31
32
33
34
35
36
37
38
39
40
41
42
43
44
44
45
45
46
47
48
49
50
51
52
53
54
54
55
55
56
57
57
58
59
60
61
62
63
64
65
66
67
68
69
70
17
48-1002318
Шайба
В узле: 19
48-1002318 Шайба МТЗ головки блока, ММЗ >10 шт. 43.75 р.
26
Д01-015
Штифт установочный
В узле: 2
Д01-015 Штифт МТЗ корпуса сцепления установочный, САЗ Под заказ 41.53 р.
22
Шайба 12
Шайба 12
В узле: 15
Шайба пружинная 12 <10 шт. 174.51 р.
57
Шайба 10
Шайба 10
В узле: 36
Шайба 10 ОТ (ОСТ 37.001.115-75) (916 011), МТЗ Под заказ 3.89 р.
Д65-01-С01-Б СБ
Блок цилиндров в сборе
В узле: 1
Д65-01-С01 СБ
Блок цилиндров в сборе
В узле: 1
36-1002310-В1 СБ
Картер маховика в сборе
В узле: 1
36-1002310-Б1 СБ
Картер маховика в сборе
В узле: 1
Д65-01-С01-А-Т СБ
Блок цилиндров с гильзами в сборе
В узле: 1
Д65-1002009 СБ
Блок цилиндров и картер
В узле: 1
Д63-01-С01-А-Т СБ
Блок цилиндров с гильзами в сборе
В узле: 1
Д65-01-С94
Блок цилиндров в сборе
В узле: 1
1
36-1001015-А зам
Опора двигателя передняя
В узле: 1
2
Д65-01-С02 СБ
Крышка распределительных шестерен передняя в сборе
В узле: 1
3
36-1002064А
Прокладка передней крышки
В узле: 1
4
36-1002030-А
Щит распределительных шестерен передний
В узле: 1
5
А37-360
Шайба стопорная
В узле: 3
6
Д01-036-А
Прокладка среднего щита
В узле: 1
7
Д01-012-А
Втулка распределительного вала задняя
В узле: 1
8
36-1009060-Б СБ
Трубка масломера в сборе
В узле: 1
9
36-1009052-В СБ
Стержень масломера в сборе
В узле: 1
10
Д01-071
Угольник конечный
В узле: 2
11
Д01-С22-А1 СБ
Трубка масляная в сборе
В узле: 1
12
Д65-01-001-А
Блок цилиндров
В узле: 1
13
Д65-1002317-Н1
Табличка двигателя фирменная
В узле: 1
13
Д65-1002317-М
Табличка двигателя фирменная
В узле: 1
14
50-1002022
Кольцо гильзы уплотнительное
В узле: 8
15
50-1002021
Гильза цилиндра
В узле: 4
16
36-1002035
Шпилька
В узле: 13
18
Д65-01-037
Гайка
В узле: 21
19
Д65-01-017
Шпилька
В узле: 8
20
Пробка КГ 1/4"
Пробка КГ 1/4"
В узле: 2
21
Штифт 10Х22
Штифт 10Х22
В узле: 2
23
Болт М12Х35
Болт М12Х35
В узле: 15
24
Д48-01-32
Переходник
В узле: 1
25
36-1002312-В2
Картер маховика
В узле: 1
27
Д48-01-8
Заглушка
В узле: 1
28
Шплинт 3Х36
Шплинт 3Х36
В узле: 1
29
Д01-086
Болт фиксирующий
В узле: 1
30
Д01-033-А
Прокладка крышки блока цилиндров
В узле: 1
31
48-1002250 СБ
Крышка блока цилиндров в сборе
В узле: 1
35
Шайба 8
Шайба 8
В узле: 18
33
КР31-1305000
Кран Кр 1 1/4"
В узле: 1
34
Болт М8Х16
Болт М8Х16
В узле: 17
36
Болт М8Х20
Болт М8Х20
В узле: 3
37
Д01-093
Ушко такелажное
В узле: 1
38
36-1002312-Г3
Картер маховика
В узле: 1
39
36-1002253
Шайба
В узле: 2
40
48-1002260-М СБ
Маслозаливная горловина в сборе
В узле: 1
41
48-1002268
Прокладка маслозаливной горловины
В узле: 1
42
Д01-С39-А
Вкладыш пятого коренного подшипника
В узле: 1
43
Д65-01-030-А
Вкладыш
В узле: 2
44
Д65-01-031
Вставка уплотнения
В узле: 2
45
36-1005157
Шнур
В узле: 2
46
Д01-024-М
Крышка пятого коренного подшипника
В узле: 1
47
Д01-029-М
Крышка второго и четвертого коренных подшипников
В узле: 2
48
Д01-023-М
Крышка третьего коренного подшипника
В узле: 1
49
Д01-097-Б
Прокладка масляного картера
В узле: 1
50
36-1009010-А СБ
Картер масляный в сборе
В узле: 1
51
36-1009202
Кольцо уплотнительное
В узле: 1
52
36-1009200 СБ
Пробка магнитная в сборе
В узле: 1
53
Д01-125
Шайба стопорная
В узле: 8
54
Д01-С38-А
Вкладыш второго и четвертого коренных подшипников
В узле: 2
55
Вкладыш первого и третьего коренных подш
Вкладыш первого и третьего коренных подшипников
В узле: 2
56
Болт М10Х22
Болт М10Х22
В узле: 23
58
Д65-01-019
Гайка
В узле: 10
59
Д01-006-А
Шпилька
В узле: 10
60
Д01-124
Пластина стопорная
В узле: 1
61
Д01-022-М
Крышка первого коренного подшипника
В узле: 1
62
Д09-038-А
Прокладка
В узле: 1
63
Д01-014
Штифт установочный
В узле: 2
64
Д01-008-А1
Втулка распределительного вала передняя
В узле: 1
65
Д01-010-А
Втулка распределительного вала средняя
В узле: 1
66
Болт М10Х25
Болт М10Х25
В узле: 3
67
КФ-65-90-14
Уплотнение резиновое
В узле: 1
68
Болт М10Х40
Болт М10Х40
В узле: 6
69
Болт М10Х75
Болт М10Х75
В узле: 7
70
Д01-С37-А
Штифт 4С3Х10
В узле: 1
Содержащиеся в справочниках-каталогах запасные части и детали не предлагаются к продаже, а носят исключительно информационный характер

Ваша заявка была отправлена. В ближайшее время наши специалисты с Вами свяжутся по указанному Вами телефону.

Представьтесь
Поле обязательно для заполнения
Ваш телефон
Введите правильный номер телефона
E-mail
Введите правильный e-mail
Тема
Тема
применяемость финансирование доставка цена, наличие другое сервис и гарантия
Время для звонка
08:00
08:00 09:00 10:00 11:00 12:00 13:00 14:00 15:00 16:00 17:00 18:00 19:00
19:00
08:00 09:00 10:00 11:00 12:00 13:00 14:00 15:00 16:00 17:00 18:00 19:00

Мы постараемся перезвонить в указанное время

Если вы не хотите ждать, то звоните нашим вежливым консультантам:

8 800 100-2-700
Подтвердите, что вы не робот
Подтвердите, что вы не робот
Спасибо!

Ваше сообщение успешно отправлено!

ЗакрытьПовторить попытку