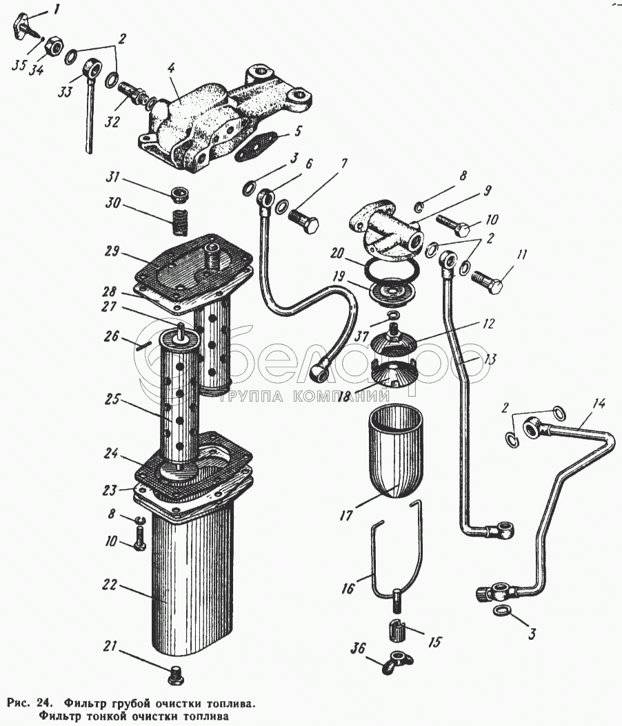
Каталог запасных частей к технике: ЮМЗ-6Л. Фильтр грубой очистки топлива. Фильтр тонкой очистки топлива

zoom-in zoom-out enlarge shrink circle-right circle-left file-text2 info cart arraw right arraw left zoom out zoom in arraw maximize arraw minimize
1
2
2
2
3
3
4
5
6
7
8
8
8
9
10
10
10
11
12
13
14
15
16
17
18
19
20
21
22
23
24
25
26
27
28
29
30
31
32
33
33
34
35
35
36
37
2
Д18-055-А
Кольцо уплотнительное
В узле: 10
Д18-055-А Кольцо уплотнительное МТЗ, ЗИЛ медное, d=14х19х1, ММЗ >10 шт. 54.66 р.
Д18-055-А кольцо медн.(диам. внутр. 14х19х1 мм) (А) >10 шт. 3.17 р.
37
Шайба 10
Шайба 10
В узле: 1
Шайба 10 ОТ (ОСТ 37.001.115-75) (916 011), МТЗ Под заказ 3.89 р.
36-1105015-В СБ
Фильтр грубой очистки топлива
В узле: 1
45-1108220 СБ
Рычаг с тягами и сектором
В узле: 1
Д65-1117010.01
Фильтр тонкой очистки топлива в сборе
В узле: 1
45-1105010 СБ
Фильтр грубой очистки топлива с кронштейном в сборе
В узле: 1
1
54.18.022-1
Игла вентиля
В узле: 1
3
Д18-055-Б
Кольцо
В узле: 1
4
Д65-1117020
Корпус фильтра
В узле: 1
5
36-1117043
Прокладка фланца
В узле: 1
6
Д65-1117070
Трубка в сборе
В узле: 1
11
Д18-051
Болт поворотного угольника
В узле: 2
8
Шайба 8
Шайба 8
В узле: 2
9
36-1105065-В1
Корпус фильтра
В узле: 1
10
Болт М8Х25
Болт М8Х25
В узле: 8
12
36-1105080
Элемент фильтрующий в сборе
В узле: 1
13
Д65-1117050
Трубка к фильтру в сборе
В узле: 1
14
Д65-18-С11
Трубка перепускная в сборе
В узле: 1
15
36-1105072
Втулка поджимная
В узле: 1
16
36-1105060
Дужка в сборе
В узле: 1
17
36-1105066
Колпак фильтра
В узле: 1
18
Д37.М-1105086
Успокоитель
В узле: 1
19
Д37М-1105087
Шайба направляющая
В узле: 1
20
36-1105071
Прокладка колпака
В узле: 1
21
Пробка КГ 1/8"
Пробка КГ 1/8"
В узле: 2
22
36-1117025
Колпак фильтра
В узле: 1
23
36-1117213
Пластина
В узле: 1
24
36-1117042
Прокладка плиты
В узле: 1
25
50-1117030-А
Элемент фильтрующий
В узле: 2
26
Д18-122
Штифт цилиндрический
В узле: 2
27
СМД-15с8-А
Стержень в сборе
В узле: 2
28
36-1117038
Плита
В узле: 1
29
36-1117026
Прокладка
В узле: 1
30
Д18-110-А2
Пружина
В узле: 2
31
Д18-111
Сухарь
В узле: 2
32
36-1117194
Штуцер
В узле: 1
33
36-1117210
Трубка в сборе
В узле: 1
33
36-1117210-Б
Трубка в сборе
В узле: 1
34
Гайка М14
Гайка М14
В узле: 1
35
Шарик ГОСТ 3722-60
Шарик ГОСТ 3722-60
В узле: 1
36
Гайка М10
Гайка М10
В узле: 1
Содержащиеся в справочниках-каталогах запасные части и детали не предлагаются к продаже, а носят исключительно информационный характер

Ваша заявка была отправлена. В ближайшее время наши специалисты с Вами свяжутся по указанному Вами телефону.

Представьтесь
Поле обязательно для заполнения
Ваш телефон
Введите правильный номер телефона
E-mail
Введите правильный e-mail
Тема
Тема
применяемость финансирование доставка цена, наличие другое сервис и гарантия
Время для звонка
08:00
08:00 09:00 10:00 11:00 12:00 13:00 14:00 15:00 16:00 17:00 18:00 19:00
19:00
08:00 09:00 10:00 11:00 12:00 13:00 14:00 15:00 16:00 17:00 18:00 19:00

Мы постараемся перезвонить в указанное время

Если вы не хотите ждать, то звоните нашим вежливым консультантам:

8 800 100-2-700
Подтвердите, что вы не робот
Подтвердите, что вы не робот
Спасибо!

Ваше сообщение успешно отправлено!

ЗакрытьПовторить попытку