Каталог запасных частей к технике: ЮМЗ-6Л. Гидрофицированный прицепной крюк

zoom-in zoom-out enlarge shrink circle-right circle-left file-text2 info cart arraw right arraw left zoom out zoom in arraw maximize arraw minimize
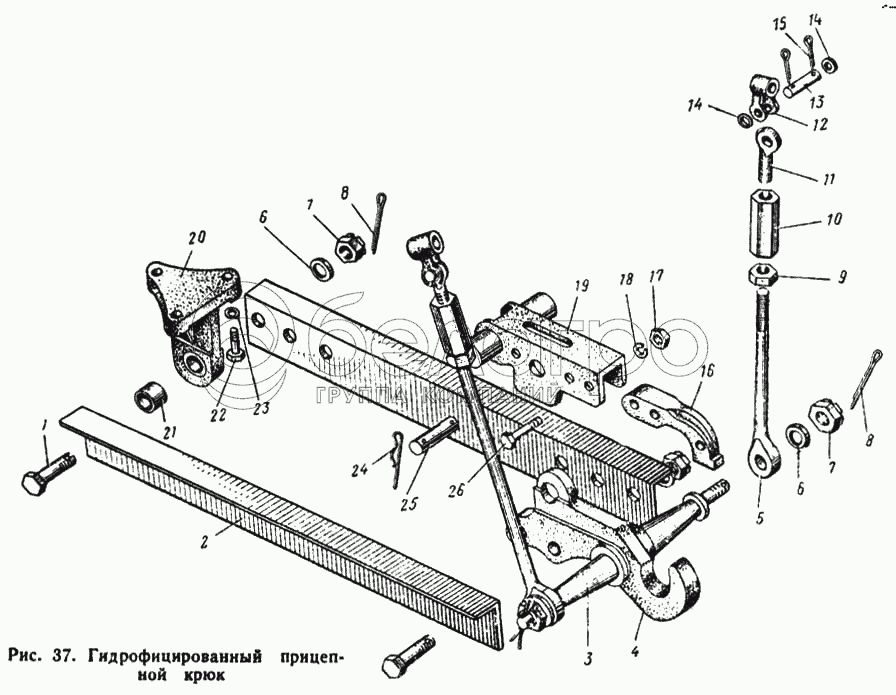
1
2
3
4
5
6
6
7
7
8
8
9
10
11
12
13
14
14
15
16
17
18
19
20
21
22
23
24
25
26
26
6
Шайба 20
Шайба 20
В узле: 5
Шайба 20 ГОСТ 11371-78 >10 шт. 20.53 р.
40-2807018 СБ
Крюк
В узле: 1
40-4605107
Втулка
В узле: 1
40-2807050-А СБ
Тяга крюка
В узле: 2
40-4605061-А3
Палец наружного рычага
В узле: 2
45-2807020 СБ
Крюк гидрофицированный
В узле: 1
40-2807010-Б СБ
Крюк гидрофицированный
В узле: 1
1
40-2807013-В
Болт крюка
В узле: 3
2
40-2807012-В
Тяга крюка
В узле: 2
3
40-2807016-Б
Ось крюка
В узле: 1
4
40-2807011-Б
Крюк
В узле: 1
5
40-2807051-Б
Тяга крюка
В узле: 1
7
Гайка М20
Гайка М20
В узле: 5
8
Шплинт 4Х36
Шплинт 4Х36
В узле: 5
9
40-4605091
Контргайка
В узле: 1
10
А62042-Б
Стяжка раскоса
В узле: 1
11
40-4605031
Винт раскоса верхний
В узле: 1
12
А62013-А2
Шарнир раскоса
В узле: 2
13
40-4605062
Палец раскоса
В узле: 2
23
Шайба 18
Шайба 18
В узле: 3
15
Шплинт 6,3Х36
Шплинт 6,3Х36
В узле: 4
16
40-2807043
Упор крюка
В узле: 1
17
Гайка М16
Гайка М16
В узле: 1
18
Шайба 16
Шайба 16
В узле: 1
19
40-2807040-Б СБ
Кронштейн упора
В узле: 1
20
40-2807015-Б
Кронштейн
В узле: 1
21
40-2807017
Втулка
В узле: 1
22
Болт М18Х50
Болт М18Х50
В узле: 3
24
15.62.059
Шплинт
В узле: 2
25
40-2807014-Б
Палец кронштейна упора
В узле: 1
26
Болт М16Х75
Болт М16Х75
В узле: 1
Содержащиеся в справочниках-каталогах запасные части и детали не предлагаются к продаже, а носят исключительно информационный характер

Ваша заявка была отправлена. В ближайшее время наши специалисты с Вами свяжутся по указанному Вами телефону.

Представьтесь
Поле обязательно для заполнения
Ваш телефон
Введите правильный номер телефона
E-mail
Введите правильный e-mail
Тема
Тема
применяемость финансирование доставка цена, наличие другое сервис и гарантия
Время для звонка
08:00
08:00 09:00 10:00 11:00 12:00 13:00 14:00 15:00 16:00 17:00 18:00 19:00
19:00
08:00 09:00 10:00 11:00 12:00 13:00 14:00 15:00 16:00 17:00 18:00 19:00

Мы постараемся перезвонить в указанное время

Если вы не хотите ждать, то звоните нашим вежливым консультантам:

8 800 100-2-700
Подтвердите, что вы не робот
Подтвердите, что вы не робот
Спасибо!

Ваше сообщение успешно отправлено!

ЗакрытьПовторить попытку