Каталог запасных частей к технике: ЮМЗ-6Л. Масляный бак и фильтр

zoom-in zoom-out enlarge shrink circle-right circle-left file-text2 info cart arraw right arraw left zoom out zoom in arraw maximize arraw minimize
1
2
3
4
5
6
7
8
9
10
11
12
13
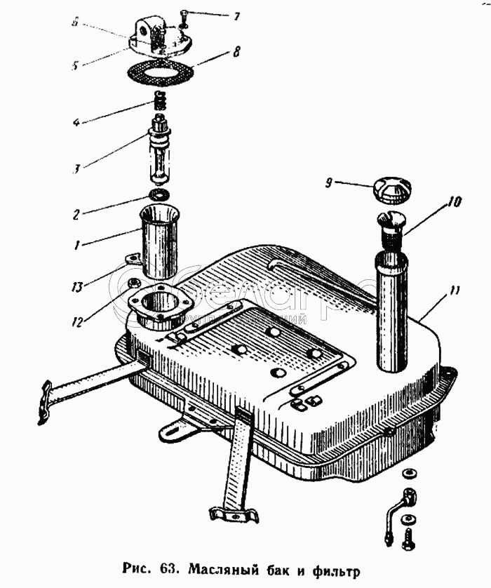
45-4608010 СБ
Бак масляный
В узле: 1
40-4608300
Фильтр масляного бака гидросистемы в сборе
В узле: 1
1
40-4608036
Корпус фильтра
В узле: 1
2
24-4614107
Кольцо уплотнительное
В узле: 1
3
40-4608200
Фильтр
В узле: 1
4
50-4607057
Пружина
В узле: 1
5
40-4608037-Б
Крышка фильтра
В узле: 1
6
Шайба 8
Шайба 8
В узле: 4
7
Болт М8Х25
Болт М8Х25
В узле: 4
8
40-4608034-Б
Прокладка
В узле: 1
9
40А-1119070
Пробка в сборе
В узле: 1
10
45-4608190
Фильтр с масломером
В узле: 1
11
45-4608011
Корпус масляного бака
В узле: 1
12
Гайка 2М8
Гайка 2М8
В узле: 2
13
40-4608303
Прижим
В узле: 2
Содержащиеся в справочниках-каталогах запасные части и детали не предлагаются к продаже, а носят исключительно информационный характер

Ваша заявка была отправлена. В ближайшее время наши специалисты с Вами свяжутся по указанному Вами телефону.

Представьтесь
Поле обязательно для заполнения
Ваш телефон
Введите правильный номер телефона
E-mail
Введите правильный e-mail
Тема
Тема
применяемость финансирование доставка цена, наличие другое сервис и гарантия
Время для звонка
08:00
08:00 09:00 10:00 11:00 12:00 13:00 14:00 15:00 16:00 17:00 18:00 19:00
19:00
08:00 09:00 10:00 11:00 12:00 13:00 14:00 15:00 16:00 17:00 18:00 19:00

Мы постараемся перезвонить в указанное время

Если вы не хотите ждать, то звоните нашим вежливым консультантам:

8 800 100-2-700
Подтвердите, что вы не робот
Подтвердите, что вы не робот
Спасибо!

Ваше сообщение успешно отправлено!

ЗакрытьПовторить попытку