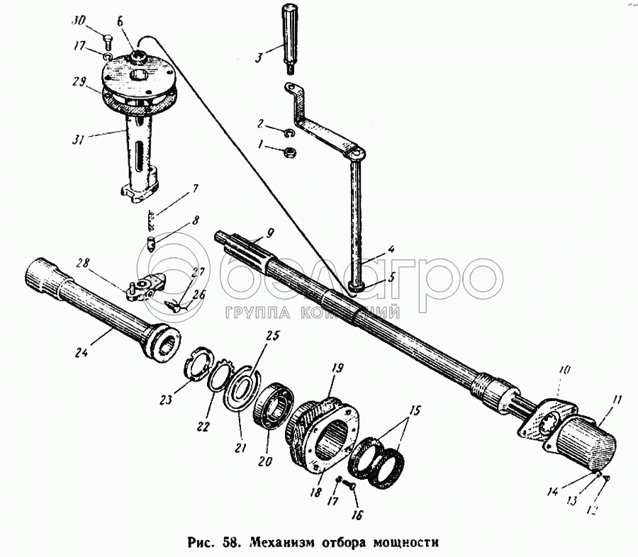
Каталог запасных частей к технике: ЮМЗ-6Л. Механизм отбора мощности

zoom-in zoom-out enlarge shrink circle-right circle-left file-text2 info cart arraw right arraw left zoom out zoom in arraw maximize arraw minimize
1
2
3
9
10
11
11
12
12
13
14
15
16
17
17
18
19
20
20
21
22
23
24
25
26
27
28
29
30
31
27
36-1702110
Винт установочный специальный
В узле: 1
36-1702110 Винт МТЗ, БЗТДиА <10 шт. 220 р.
17
Шайба 10
Шайба 10
В узле: 8
Шайба 10 ОТ (ОСТ 37.001.115-75) (916 011), МТЗ Под заказ 3.89 р.
36-4202065 СБ
Кронштейн
В узле: 1
36-4202060-А СБ
Кронштейн
В узле: 1
45-4202020 СБ
Стакан подшипников с валом
В узле: 1
45-4202010 СБ
Механизм отбора мощности
В узле: 1
1
Гайка М14
Гайка М14
В узле: 1
2
Шайба 14
Шайба 14
В узле: 1
3
А40-С38-А
Рукоятка рычага
В узле: 1
9
45-4202031
Вал отбора мощности
В узле: 1
10
140-4202099
Прокладка
В узле: 1
11
40-4202098-А 1
Колпак вала отбор а мощности
В узле: 1
11
40-4202098
Колпак вала отбора мощности
В узле: 1
12
Болт М8Х12
Болт М8Х12
В узле: 2
12
Болт М8Х20
Болт М8Х20
В узле: 2
14
Шайба 8
Шайба 8
В узле: 2
15
Манжета 2-60Х85-1
Манжета 2-60Х85-1
В узле: 2
16
Болт М10Х25
Болт М10Х25
В узле: 4
18
40-4202034-А1
Стакан подшипников
В узле: 1
19
36-4202054
Прокладка стакана
В узле: 1
20
Подшипник 210 ГОСТ 8338-57
Подшипник 210 ГОСТ 8338-57
В узле: 2
20
Подшипник 210СД ГОСТ 8338-57
Подшипник 210СД ГОСТ 8338-57
В узле: 2
21
136-4202035-А
Кольцо пружинное
В узле: 1
22
36-4202033-А
Шайба стопорная
В узле: 1
23
36-4202032
Гайка круглая
В узле: 1
24
36-4202040 СБ
Муфта соединительная
В узле: 1
25
45-4202102
Кольцо упорное
В узле: 1
26
Проволока 1,6Х-О-С
Проволока 1,6Х-О-С
В узле: 1
28
36-4202080-А
Рычаг переводной
В узле: 1
29
36-4202095
Прокладка кронштейна
В узле: 1
30
Болт М10Х20
Болт М10Х20
В узле: 4
31
36-4202066-Б
Кронштейн
В узле: 1
Содержащиеся в справочниках-каталогах запасные части и детали не предлагаются к продаже, а носят исключительно информационный характер

Ваша заявка была отправлена. В ближайшее время наши специалисты с Вами свяжутся по указанному Вами телефону.

Представьтесь
Поле обязательно для заполнения
Ваш телефон
Введите правильный номер телефона
E-mail
Введите правильный e-mail
Тема
Тема
применяемость финансирование доставка цена, наличие другое сервис и гарантия
Время для звонка
08:00
08:00 09:00 10:00 11:00 12:00 13:00 14:00 15:00 16:00 17:00 18:00 19:00
19:00
08:00 09:00 10:00 11:00 12:00 13:00 14:00 15:00 16:00 17:00 18:00 19:00

Мы постараемся перезвонить в указанное время

Если вы не хотите ждать, то звоните нашим вежливым консультантам:

8 800 100-2-700
Подтвердите, что вы не робот
Подтвердите, что вы не робот
Спасибо!

Ваше сообщение успешно отправлено!

ЗакрытьПовторить попытку