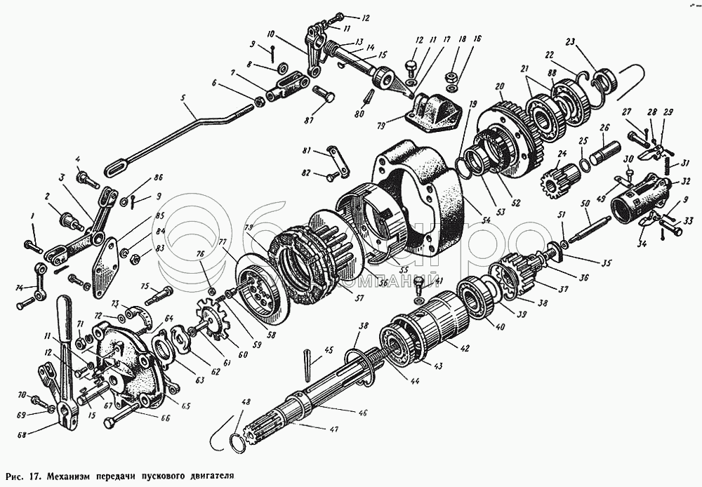
Каталог запасных частей к технике: ЮМЗ-6Л. Механизм передачи пускового двигателя

zoom-in zoom-out enlarge shrink circle-right circle-left file-text2 info cart arraw right arraw left zoom out zoom in arraw maximize arraw minimize
1
2
3
4
5
6
7
8
9
9
9
9
9
10
11
11
11
11
11
12
12
12
12
12
13
14
15
15
15
15
16
17
18
19
20
21
22
23
24
25
26
27
28
29
30
31
32
33
34
35
36
37
38
38
38
39
40
41
42
43
44
45
46
47
48
49
50
51
52
53
54
55
56
57
58
59
60
61
62
63
64
65
66
67
68
69
69
69
70
70
71
72
73
74
75
76
77
78
79
80
81
82
83
84
85
86
87
88
84
Шайба 12
Шайба 12
В узле: 1
Шайба пружинная 12 <10 шт. 174.51 р.
69
Шайба 10
Шайба 10
В узле: 9
Шайба 10 ОТ (ОСТ 37.001.115-75) (916 011), МТЗ Под заказ 3.89 р.
Д25-С08
Башмак выжимкой в сборе
В узле: 1
Д25-С02 СБ
Вал механизма передачи с муфтой в сборе
В узле: 1
Д25-С12
Корпус грузов бендикса в сборе
В узле: 1
Д65-25-С03
Крышка кожуха сцепления в сборе
В узле: 1
Д65-1015101 СБ
Механизм передачи пускового двигателя с бендиксом в сборе
В узле: 1
Д65-1015190-А
Рычаг привода бендикса в сборе
В узле: 1
Д25-С21 СБ
Рычаг привода бендикса с тягой а сборе
В узле: 1
Д25-С17
Тяга бендикса в сборе
В узле: 1
Д25-С13-Т
Шестерня ведущая в сборе
В узле: 1
1
Д25-086
Палец
В узле: 1
2
Д25-087
Палец
В узле: 1
3
Д25-085
Рычаг
В узле: 1
4
Д25-089
Палец
В узле: 1
5
Д25-098
Тяга
В узле: 1
6
Гайка 2М12
Гайка 2М12
В узле: 1
7
36-3503036-А
Вилка тяги регулировочная
В узле: 1
9
Шплинт 3,2Х18
Шплинт 3,2Х18
В узле: 3
10
Д25-092
Рычаг привода
В узле: 1
86
Шайба 8
Шайба 8
В узле: 3
12
Болт М8Х20
Болт М8Х20
В узле: 3
13
48А-1015217
Пружина
В узле: 1
14
36-1015194-Б
Валик рычага
В узле: 1
15
Шпонка 3Х5
Шпонка 3Х5
В узле: 2
17
36-1015202-Б
Поводок рычага
В узле: 1
18
Гайка М8
Гайка М8
В узле: 1
19
Д25-079
Кольцо стопорное
В узле: 1
20
Д25-003-А
Шестерня ведущая
В узле: 1
40
Подшипник 50207 ГОСТ 2893-73
Подшипник 50207 ГОСТ 2893-73
В узле: 2
38
Д25-013-А
Кольцо стопорное
В узле: 3
23
Д25-014
Кольцо вала дистанционное
В узле: 1
24
Д25-075-Б
Шестерня смазки
В узле: 1
25
Д25-080
Кольцо уплотнительное
В узле: 1
26
Д25-077-А
Палец шестерни
В узле: 1
27
Шплинт 2Х20
Шплинт 2Х20
В узле: 2
28
Д25-062
Упор пружины
В узле: 2
29
Д25-059-А
Груз верхний
В узле: 1
30
Д25-064-Б
Болт крепления грузов
В узле: 4
31
Д25-061-А
Пружина грузов бендикса
В узле: 1
32
Д25-057-А
Корпус грузов
В узле: 1
33
Д25-463-А
Ось груза
В узле: 2
34
Д25-060-А
Груз нижний
В узле: 1
35
Д25-056
Гайка бендикса в сборе
В узле: 1
36
Д25-054
Шайба замковая
В узле: 1
37
Д25-051
Шестерня стартерная
В узле: 1
39
Д25-017
Заглушка стакана
В узле: 1
41
Д25-073
Болт стопорный
В узле: 1
42
Д25-015
Стакан шарикоподшипников
В узле: 1
43
Д25-052
Пружина толкателя малая
В узле: 1
44
Д25-053
Пружина толкателя большая
В узле: 1
45
Д25-099
Штифт
В узле: 1
46
Д25-016
Кольцо вала упорное
В узле: 1
47
Д25-001-А
Вал механизма передачи
В узле: 1
48
Д25-031
Кольцо диска стопорное
В узле: 2
49
ОПД-124
Замок
В узле: 2
50
Д25-055-А
Толкатель бенднкса
В узле: 1
51
Д25-082
Шайба
В узле: 1
52
КФ45-65-11
Уплотнение самоподжимное
В узле: 1
53
Д25-002-А
Кольцо вала упорное
В узле: 1
54
Д65-25-037-М
Обечайка кожуха сцепления
В узле: 1
55
Д25-023
Барабан сцепления
В узле: 1
56
Д25-С04
Диск сцепления подвижной в сборе
В узле: 1
57
Д25-029
Диск сцепления ведомый
В узле: 1
58
Д25-033
Стакан пружины
В узле: 10
59
Д25-032
Пружина сцепления
В узле: 10
60
Д25-036-М
Диск сцепления нажимной
В узле: 1
61
Д25-С13
Штифт нажимного диска центробежный в сборе
В узле: 1
62
Д25-048-М
Башмак выжимной
В узле: 1
63
Д25-040-М
Башмак сцепления упорный
В узле: 1
64
Д25-047
Пружина колодки
В узле: 2
65
Д25-038-М
Крышка кожуха
В узле: 1
66
Болт М10Х90
Болт М10Х90
В узле: 4
67
Д25-049-А
Палец башмака
В узле: 1
68
Д25-С19
Рычаг сцепления в сборе
В узле: 1
70
Болт М10Х25
Болт М10Х25
В узле: 1
71
Гайка М10
Гайка М10
В узле: 2
72
Д25-083
Шайба
В узле: 2
73
Д25-С07
Колодка тормоза в сборе
В узле: 2
74
Д25-094
Звено
В узле: 1
75
Д25-046
Палец колодки
В узле: 2
76
Д25-034
Гайка пружины
В узле: 10
77
Д25-030
Диск сцеплений упорный
В узле: 1
78
Д48-25-027-А
Диск сцепления ведущий
В узле: 2
79
36-1015215-М
Крышка люка рычага
В узле: 1
80
Д03-038
Штифт
В узле: 1
81
Д25-024-А
Шайба замковая
В узле: 3
82
Болт М8Х12
Болт М8Х12
В узле: 6
83
Гайка М12
Гайка М12
В узле: 1
85
Д25-088
Кронштейн
В узле: 1
87
Д25-097
Палец
В узле: 1
88
Д25-012
Шайба дистанционная
В узле: 1
Содержащиеся в справочниках-каталогах запасные части и детали не предлагаются к продаже, а носят исключительно информационный характер

Ваша заявка была отправлена. В ближайшее время наши специалисты с Вами свяжутся по указанному Вами телефону.

Представьтесь
Поле обязательно для заполнения
Ваш телефон
Введите правильный номер телефона
E-mail
Введите правильный e-mail
Тема
Тема
применяемость финансирование доставка цена, наличие другое сервис и гарантия
Время для звонка
08:00
08:00 09:00 10:00 11:00 12:00 13:00 14:00 15:00 16:00 17:00 18:00 19:00
19:00
08:00 09:00 10:00 11:00 12:00 13:00 14:00 15:00 16:00 17:00 18:00 19:00

Мы постараемся перезвонить в указанное время

Если вы не хотите ждать, то звоните нашим вежливым консультантам:

8 800 100-2-700
Подтвердите, что вы не робот
Подтвердите, что вы не робот
Спасибо!

Ваше сообщение успешно отправлено!

ЗакрытьПовторить попытку