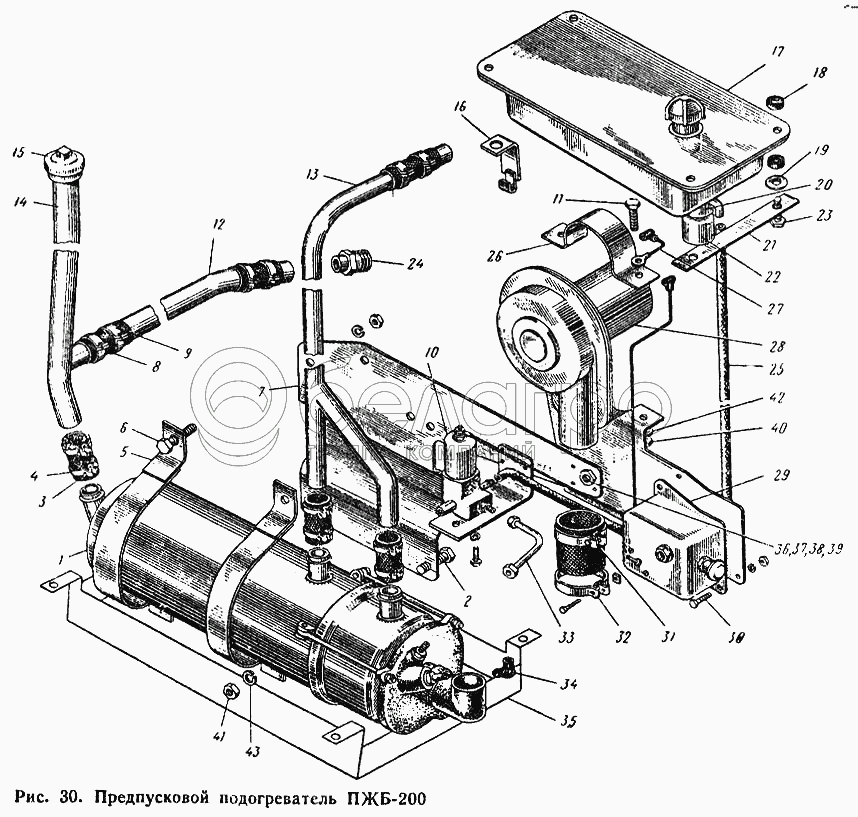
Каталог запасных частей к технике: ЮМЗ-6Л. Пусковой подогреватель ПЖБ-200

zoom-in zoom-out enlarge shrink circle-right circle-left file-text2 info cart arraw right arraw left zoom out zoom in arraw maximize arraw minimize
1
2
3
4
5
6
7
8
9
10
11
12
13
14
15
16
17
18
19
20
21
22
23
24
25
26
27
28
29
30
31
32
33
34
35
36
37
38
39
40
41
42
43
20
Д18-055-А
Кольцо уплотнительное
В узле: 1
Д18-055-А Кольцо уплотнительное МТЗ, ЗИЛ медное, d=14х19х1, ММЗ >10 шт. 54.66 р.
Д18-055-А кольцо медн.(диам. внутр. 14х19х1 мм) (А) >10 шт. 3.17 р.
39
Шайба 12
Шайба 12
В узле: 2
Шайба пружинная 12 <10 шт. 174.51 р.
43
Шайба 10
Шайба 10
В узле: 4
Шайба 10 ОТ (ОСТ 37.001.115-75) (916 011), МТЗ Под заказ 3.89 р.
45-1015000 СБ
Установка предпускового подогревателя ПЖБ-200 трактора ЮМЗ-6Л
В узле: ---
45-1015090 СБ
Котел с кронштейном и пультом управления
В узле: 1
1
ПЖБ-200-1015010-А СБ
Котел пускового подогревателя
В узле: 1
2
Болт М10Х45
Болт М10Х45
В узле: 2
3
45-1015014
Шланг
В узле: 3
4
ХС-41
Хомутик стяжной
В узле: 6
5
45-1015060 СБ
Лента стяжная
В узле: 2
6
Болт М10Х25
Болт М10Х25
В узле: 2
7
45-1015100 СБ
Кронштейн подогревателя
В узле: 1
8
45-1015013
Шланг
В узле: 3
9
ХС-36
Хомутик стяжной
В узле: 6
10
ЭМК-12
Клапан электромагнитный
В узле: 1
11
Болт М6Х20
Болт М6Х20
В узле: 2
12
45-1015018-А
Труба сливная
В узле: 1
13
45-1015070 СБ
Труба отводная
В узле: 1
14
45-1015020 СБ
Труба заливная
В узле: 1
15
45-1015050 СБ
Пробка
В узле: 1
16
45-3801020
Кронштейн со скобой
В узле: 2
17
45-1015110 СБ
Бак
В узле: 1
18
45А-1119074
Прокладка
В узле: 4
19
45А-1119026
Шайба
В узле: 2
21
45-1015016
Пластина стопорная
В узле: 2
22
КР-12Д
Краник в сборе
В узле: 1
23
Болт М8Х25
Болт М8Х25
В узле: 2
24
45-1015001
Штуцер
В узле: 1
25
45-1015015
Трубка
В узле: 1
26
45-1015008
Хомут вентилятора
В узле: 1
27
45-3724056
Провод корпус вентилятора - «масса»
В узле: 1
28
ПЖБ-300-1015200 СБ
Вентилятор подогревателя ПЖБ-300
В узле: 1
29
45-1015170СЕ
Пульт управления подогревателя с проводами
В узле: 1
30
Болт М6Х14
Болт М6Х14
В узле: 4
31
45-1015012
Шланг
В узле: 1
32
ХС-56
Хомутик стяжной
В узле: 2
33
45-1015040 СБ
Бензопровод
В узле: 1
34
45-3700002
Наконечник изоляционный
В узле: 4
35
45-1015030 СБ
Кожух поддона с патрубком
В узле: 1
36
Болт М12Х30
Болт М12Х30
В узле: 2
37
Гайка М12
Гайка М12
В узле: 2
40
Гайка М6
Гайка М6
В узле: 4
41
Гайка М10
Гайка М10
В узле: 4
42
Шайба 6
Шайба 6
В узле: 6
Содержащиеся в справочниках-каталогах запасные части и детали не предлагаются к продаже, а носят исключительно информационный характер

Ваша заявка была отправлена. В ближайшее время наши специалисты с Вами свяжутся по указанному Вами телефону.

Представьтесь
Поле обязательно для заполнения
Ваш телефон
Введите правильный номер телефона
E-mail
Введите правильный e-mail
Тема
Тема
применяемость финансирование доставка цена, наличие другое сервис и гарантия
Время для звонка
08:00
08:00 09:00 10:00 11:00 12:00 13:00 14:00 15:00 16:00 17:00 18:00 19:00
19:00
08:00 09:00 10:00 11:00 12:00 13:00 14:00 15:00 16:00 17:00 18:00 19:00

Мы постараемся перезвонить в указанное время

Если вы не хотите ждать, то звоните нашим вежливым консультантам:

8 800 100-2-700
Подтвердите, что вы не робот
Подтвердите, что вы не робот
Спасибо!

Ваше сообщение успешно отправлено!

ЗакрытьПовторить попытку