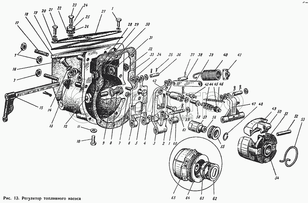
Каталог запасных частей к технике: ЮМЗ-6Л. Регулятор топливного насоса

zoom-in zoom-out enlarge shrink circle-right circle-left file-text2 info cart arraw right arraw left zoom out zoom in arraw maximize arraw minimize
1
1
1
2
3
4
5
6
7
7
7
7
7
8
9
10
11
12
13
14
15
16
17
17
18
18
19
20
21
22
23
24
25
26
27
28
29
30
31
32
33
34
35
36
37
37
37
38
39
40
41
42
43
44
45
46
47
48
49
50
51
51
52
53
54
55
56
57
58
59
60
61
62
63
64
65
УТН-5-1110320-Б
Втулка в сборе
В узле: 1
УТН-3-1110320-Б
Втулка в сборе
В узле: 1
УТН-5-1110240-Ж2
Ступица грузов в сборе
В узле: 1
УТН-15-1110210
Рычаги регулятора в сборе
В узле: 1
УТН-5-1110200-В
Рычаг промежуточный со втулкой
В узле: 1
УТН-15-1Н0190-Б2
Рычаг промежуточный в сборе
В узле: 1
УТН-15-1110190-Б2
Рычаг промежуточный в сборе
В узле: 1
УТН-5-1110290-А
Рычаг основной со втулками
В узле: 1
УТН-5-1110290-А
Рычаг основной со втулками
В узле: 1
УТН-5ПА-1110010-Б
Регулятор без повышающей передачи с внешним натяжением пружины в сборе
В узле: 1
УТН-3-1110170-Г
Пружина регулятора в сборе
В узле: 1
УТН-3-1110170-Г
Пружина регулятора в сборе
В узле: ---
УТН-3-1110140
Муфта регулятора со втулкой
В узле: 1
УТН-3-1110140
Муфта регулятора со втулкой
В узле: 1
УТН-15-1110230
Корректор
В узле: 1
УТН-5П-1110020
Корпус регулятора в сборе
В узле: 1
УТН-5-1110160-Д
Груз регулятора в сборе
В узле: 4
УТН-5ПА-1110010-Б
Регулятор без повышающей передачи с внешним натяжением пружины в сборе
В узле: 1
1
Болт М6Х20
Болт М6Х20
В узле: 1
1
Болт М6Х20
Болт М6Х20
В узле: 2
2
УТН-5-1110195-К
Рычаг промежуточный
В узле: 1
3
УТН-5-1110166
Втулка рычага
В узле: 1
4
УТН-5-1110274-А
Рычаг основной
В узле: 1
5
УТН-3-1110026
Упор жесткий
В узле: 1
6
ОНМ-170
Втулка рычага короткая
В узле: 2
7
Гайка М6
Гайка М6
В узле: 2
7
Гайка М6
Гайка М6
В узле: 1
7
Гайка М6
Гайка М6
В узле: 1
7
Гайка М6
Гайка М6
В узле: 1
8
УТН-5-1110409
Заглушка оси рычагов
В узле: 1
9
Д40-1110386-А
Прокладка заглушки
В узле: 1
10
ОНМ-019-2
Болт
В узле: 1
11
ОНМ-086-1
Прокладка
В узле: 1
12
Д40-1110365-Б
Ось рычагов
В узле: 1
13
УТН-3-1111028-В2
Футорка
В узле: 1
14
16-006
Прокладка
В узле: 2
15
УТН-5-1110308-Б2
Рычаг управления
В узле: 1
16
УТН-5-1110402
Пробка
В узле: 2
17
УТН-5-1110401-Б3
Винт регулировочный
В узле: 1
17
УТН-5-1110401-Г
Винт регулировочный
В узле: 1
18
УТН-5П-1110025
Корпус регулятора
В узле: 1
18
УТН-5П-1110025-Г
Корпус регулятора
В узле: 1
19
УТН-5-1110302-А1
Прокладка
В узле: 1
20
Шайба 6
Шайба 6
В узле: 1
21
Болт 3М6Х20
Болт 3М6Х20
В узле: 2
22
УТН-5-1110276
Тарелка сапуна
В узле: 1
23
УТН-5-1110275-Б
Болт сапуна
В узле: 1
24
УТН-5-1110279
Шайба
В узле: 3
25
УТН-5-1110277
Колпак сапуна
В узле: 1
26
УТН-5-1110278
Фильтр
В узле: 1
27
УТН-5-1110301-Д
Крышка регулятора
В узле: 1
28
УТН-5-1110321
Втулка
В узле: 1
29
УТН-5-1110322
Кольцо
В узле: 1
30
УТН-5-1110323
Тарелка
В узле: 1
31
УТН-5-1110021-Б
Втулка рычага управления
В узле: 1
32
17-071
Заглушка
В узле: 2
33
УТН-5-1110303
Прокладка корпуса
В узле: 1
34
17-021
Прокладка регулировочная
В узле: 2
35
Шплинт 2Х10
Шплинт 2Х10
В узле: 4
36
УТН-5-1110403
Палец рычага
В узле: 2
37
Шплинт 2Х16
Шплинт 2Х16
В узле: 1
37
Шплинт 2Х16
Шплинт 2Х16
В узле: 2
37
Шплинт 2Х16
Шплинт 2Х16
В узле: 3
38
ОНМ-087
Палец рычага
В узле: 1
39
УТН-5-1110304
Тяга рейки
В узле: 1
40
УТН-3-1110187
Пружина регулятора
В узле: 1
41
УТН-3-1110171
Серьга пружины
В узле: 1
42
УТН-5-1110231
Корпус корректора
В узле: 1
43
УТН-5-1110196-А
Шпилька
В узле: 1
44
УТН-15-1110234
Пружина корректора
В узле: 1
45
УТН-5-1110235-А
Винт регулировочный
В узле: 1
46
УТН-5-1110193
Пружина обогатителя
В узле: 1
47
УТН-5-1110155-Б1
Рычаг пружины
В узле: 1
48
УТН-3-1110311-Б
Кольцо замковое
В узле: 1
49
УТН-5-1110165-Д
Груз регулятора
В узле: 1
50
УТН-5-1110166
Втулка рычага
В узле: 1
51
УТН-5-1110242-Б
Шайба
В узле: 2
51
УТН-5-1110242-Б
Шайба
В узле: 2
52
УТН-5-1110241
Ось груза
В узле: 4
53
УТН-3-1110133
Пружина
В узле: 1
54
УТН-5-1110132-М
Ступица грузов
В узле: 1
55
Подшипник 8202 ГОСТ 6874-54
Подшипник 8202 ГОСТ 6874-54
В узле: 1
56
УТН-3-1110145
Втулка муфты
В узле: 1
57
УТН-3-1110140-Б
Муфта регулятора
В узле: 1
58
УТН-5-1110233-Б
Шток корректора
В узле: 1
59
УТН-5-1110232
Прокладка
В узле: 6
60
УТН-5-1110153-Г2
Пята
В узле: 1
61
УТН-5-1110191
Ось рычага
В узле: 1
62
УТН-5-1110251-Г2
Шайба упорная
В узле: 1
63
236-1110517-Б
Сухарь
В узле: 4
64
Подшипник 8110 ГОСТ 6874-54
Подшипник 8110 ГОСТ 6874-54
В узле: 1
65
УТН-5-1110240-Ж2
Ступица грузов в сборе
В узле: 1
Содержащиеся в справочниках-каталогах запасные части и детали не предлагаются к продаже, а носят исключительно информационный характер

Ваша заявка была отправлена. В ближайшее время наши специалисты с Вами свяжутся по указанному Вами телефону.

Представьтесь
Поле обязательно для заполнения
Ваш телефон
Введите правильный номер телефона
E-mail
Введите правильный e-mail
Тема
Тема
применяемость финансирование доставка цена, наличие другое сервис и гарантия
Время для звонка
08:00
08:00 09:00 10:00 11:00 12:00 13:00 14:00 15:00 16:00 17:00 18:00 19:00
19:00
08:00 09:00 10:00 11:00 12:00 13:00 14:00 15:00 16:00 17:00 18:00 19:00

Мы постараемся перезвонить в указанное время

Если вы не хотите ждать, то звоните нашим вежливым консультантам:

8 800 100-2-700
Подтвердите, что вы не робот
Подтвердите, что вы не робот
Спасибо!

Ваше сообщение успешно отправлено!

ЗакрытьПовторить попытку