Каталог запасных частей к технике: ЮМЗ-6Л. Рулевое управление. Колесо рулевого управления

zoom-in zoom-out enlarge shrink circle-right circle-left file-text2 info cart arraw right arraw left zoom out zoom in arraw maximize arraw minimize
1
2
3
4
5
6
7
8
9
10
10
11
12
13
14
15
16
17
18
19
20
21
22
23
24
25
26
27
28
29
30
31
32
33
34
35
36
37
37
38
38
39
40
41
42
43
44
45
34
Шайба 12
Шайба 12
В узле: 8
Шайба пружинная 12 <10 шт. 174.51 р.
27
Шайба 10
Шайба 10
В узле: 1
Шайба 10 ОТ (ОСТ 37.001.115-75) (916 011), МТЗ Под заказ 3.89 р.
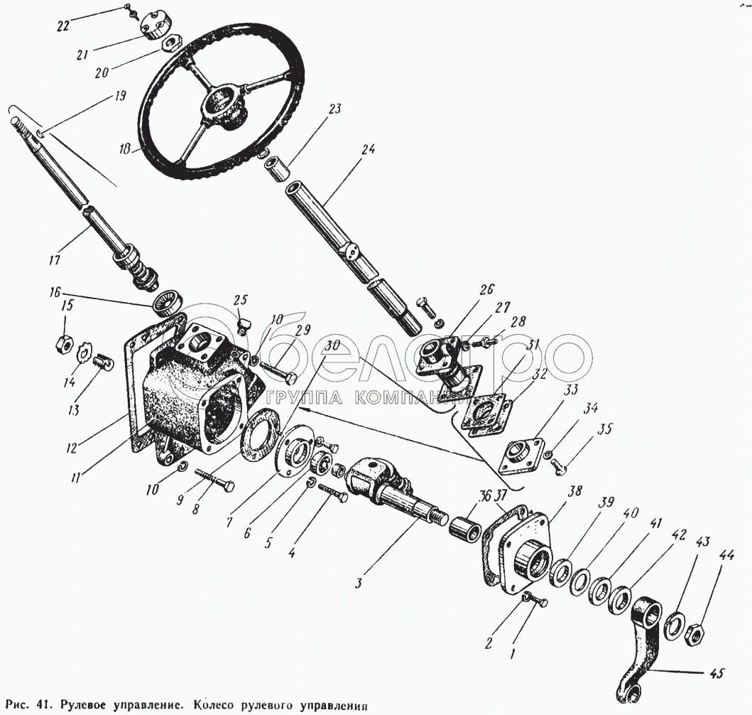
36-3401010-Б СБ
Картер рулевого управления
В узле: ---
45-3400010 СБ
Рулевое управление с рулевым колесом
В узле: 1
45-3401015 СБ
Рулевое управление
В узле: ---
36-3401086-Б СБ
Крышка боковая
В узле: 1
38
36-3401080-Б СБ
Крышка боковая
В узле: 1
45-3401040-Б СБ
Колонка рулевого управления
В узле: 1
1
Болт М10Х30
Болт М10Х30
В узле: 4
3
36-3401060-Б СБ
Вал сошки
В узле: 1
4
Болт М10Х25
Болт М10Х25
В узле: 3
6
Подшипник 292205К ГОСТ 5377-60
Подшипник 292205К ГОСТ 5377-60
В узле: 1
7
36-3401017-Б
Стакан подшипника
В узле: 1
8
Болт М14Х45
Болт М14Х45
В узле: 3
9
36-3401018-Б
Прокладка
В узле: 1
10
Шайба 14
Шайба 14
В узле: 4
11
36-3401016-Б1
Картер рулевого управления
В узле: 1
12
36-3400016
Прокладка
В узле: 1
13
40-3401072
Бинт регулировочный
В узле: 1
14
36-3401073
Шайба стопорная
В узле: 1
15
36-3401075-А
Гайка
В узле: 1
16
Роликоподшипник 46,673Х12Х14
Роликоподшипник 46,673Х12Х14
В узле: 2
17
40-3401020
Вал с червяком
В узле: 1
18
40-3402015 СБ
Колесо рулевое
В узле: 1
19
Шпонка 5Х19
Шпонка 5Х19
В узле: 1
20
Гайка М24
Гайка М24
В узле: 1
21
40-3400019-А
Заглушка
В узле: 1
22
Шуруп М5Х36
Шуруп М5Х36
В узле: 3
23
40-3401049-А
Втулка
В узле: 1
24
40-3401048
Труба
В узле: 1
25
Пробка КГ 3/8"
Пробка КГ 3/8"
В узле: 1
26
36-3401046-Б
Крышка верхняя
В узле: 1
28
45-3401041
Ось
В узле: 1
29
Болт М14Х140
Болт М14Х140
В узле: 1
30
Штифт 5Х12
Штифт 5Х12
В узле: 1
31
36-3401029-Б
Прокладка регулировочная
В узле: 10
32
36-3401030-Б
Прокладка регулировочная
В узле: 2
33
36-3401028
Крышка нижняя
В узле: 1
35
Болт М12Х35
Болт М12Х35
В узле: 8
36
36-3401087-Б
Втулка
В узле: 1
37
36-3401091-Б
Прокладка
В узле: 1
37
45-3401091-Б
Прокладка
В узле: 1
38
36-3401088
Крышка боковая
В узле: 1
39
Манжета 2-38Х58-1
Манжета 2-38Х58-1
В узле: 1
40
36-3401092
Шайба сальника
В узле: 1
41
36-3401090-Б
Сальник
В узле: 1
42
36-3401089-Б
0бойма сальника
В узле: 1
43
Шайба 27
Шайба 27
В узле: 1
44
36-3401096
Гайка
В узле: 1
45
36-3401095-В
Сошка
В узле: 1
Содержащиеся в справочниках-каталогах запасные части и детали не предлагаются к продаже, а носят исключительно информационный характер

Ваша заявка была отправлена. В ближайшее время наши специалисты с Вами свяжутся по указанному Вами телефону.

Представьтесь
Поле обязательно для заполнения
Ваш телефон
Введите правильный номер телефона
E-mail
Введите правильный e-mail
Тема
Тема
применяемость финансирование доставка цена, наличие другое сервис и гарантия
Время для звонка
08:00
08:00 09:00 10:00 11:00 12:00 13:00 14:00 15:00 16:00 17:00 18:00 19:00
19:00
08:00 09:00 10:00 11:00 12:00 13:00 14:00 15:00 16:00 17:00 18:00 19:00

Мы постараемся перезвонить в указанное время

Если вы не хотите ждать, то звоните нашим вежливым консультантам:

8 800 100-2-700
Подтвердите, что вы не робот
Подтвердите, что вы не робот
Спасибо!

Ваше сообщение успешно отправлено!

ЗакрытьПовторить попытку