Каталог запасных частей к технике: ЧТЗ Бульдозер Б11. Установка двигателя

zoom-in zoom-out enlarge shrink circle-right circle-left file-text2 info cart arraw right arraw left zoom out zoom in arraw maximize arraw minimize
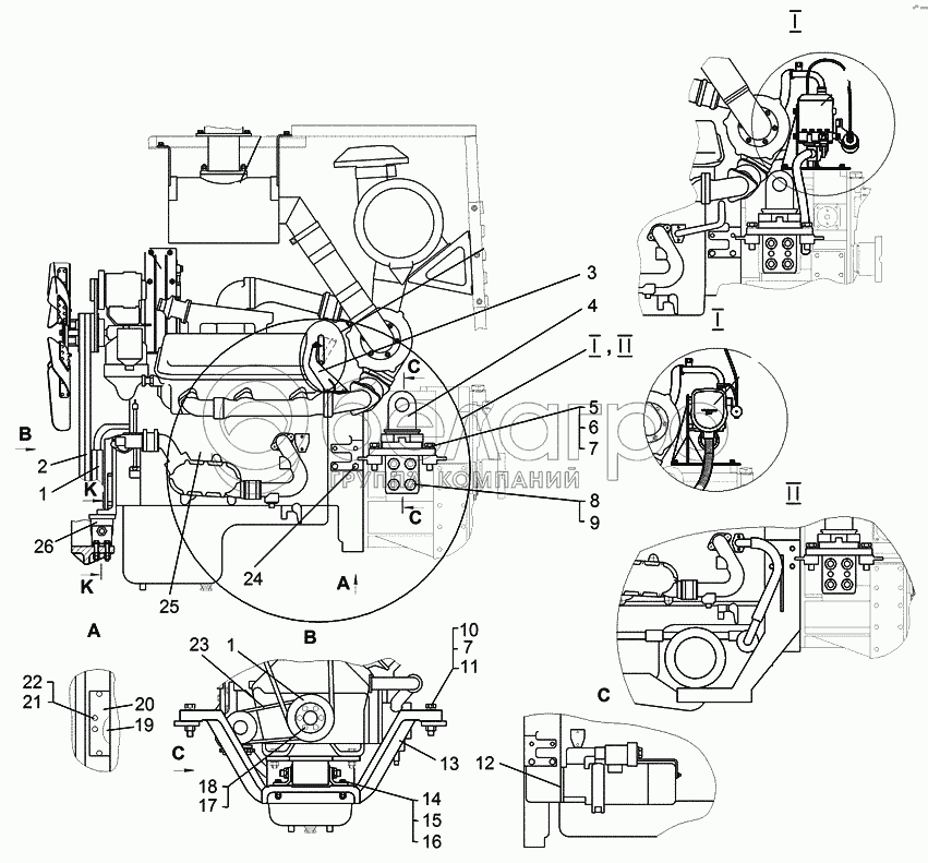
1
1
2
3
4
5
6
7
7
8
9
10
11
12
13
14
15
16
17
18
19
20
21
22
23
24
25
26
114-404СП
Установка двигателя
В узле: ---
114-401-02CП
Уcтановка двигателя
В узле: ---
114-404-02СП
Установка двигателя
В узле: ---
1
64-01-20
Шкив
В узле: ---
2
238АК-1308005
Комплект ремней привода вентилятора
В узле: ---
3
64-01-114СП
Кронштейн
В узле: ---
4
64-01-106СП
Лапа
В узле: ---
5
50-11-72
Планка
В узле: ---
6
700-28-2480
Болт
В узле: ---
7
Шайба20.ОТ.65Г.09
Шайба 20.ОТ.65Г.09
В узле: ---
8
700-30-2093
Гайка
В узле: ---
9
Шайба22.ОТ.65Г.09
Шайба 22.ОТ.65Г.09
В узле: ---
10
700-28-2527-01
Болт
В узле: ---
11
31342-01
Шайба
В узле: ---
12
700-40-9555
Прокладка
В узле: ---
13
64-01-115СП
Балка
В узле: ---
14
700-28-2707
Болт
В узле: ---
15
ГайкаМ12-7Н.6.019
Гайка
В узле: ---
16
3135-1
Шайба
В узле: ---
17
БолтМ10-6gх30.58.019
Болт
В узле: ---
18
Шайба10.ОТ.65Г.09
Шайба 10.ОТ.65Г.09
В узле: ---
19
700-40-9545
Прокладка
В узле: ---
20
64-01-19
Крышка
В узле: ---
21
БолтМ8-6gх35.88.35.019
Болт
В узле: ---
22
Шайба8Т.65Г.09
Шайба 8Т.65Г.09
В узле: ---
23
2664111404
Ремень зубчатый II-14х10-887
В узле: ---
24
700-28-2708
Болт
В узле: ---
25
ЯМЗ-236Н-3
Дизель ЯМЗ-236Н-3
В узле: ---
26
64-01-2СП
Установка передней опоры
В узле: ---
Содержащиеся в справочниках-каталогах запасные части и детали не предлагаются к продаже, а носят исключительно информационный характер

Ваша заявка была отправлена. В ближайшее время наши специалисты с Вами свяжутся по указанному Вами телефону.

Представьтесь
Поле обязательно для заполнения
Ваш телефон
Введите правильный номер телефона
E-mail
Введите правильный e-mail
Тема
Тема
применяемость финансирование доставка цена, наличие другое сервис и гарантия
Время для звонка
08:00
08:00 09:00 10:00 11:00 12:00 13:00 14:00 15:00 16:00 17:00 18:00 19:00
19:00
08:00 09:00 10:00 11:00 12:00 13:00 14:00 15:00 16:00 17:00 18:00 19:00

Мы постараемся перезвонить в указанное время

Если вы не хотите ждать, то звоните нашим вежливым консультантам:

8 800 100-2-700
Подтвердите, что вы не робот
Подтвердите, что вы не робот
Спасибо!

Ваше сообщение успешно отправлено!

ЗакрытьПовторить попытку