Каталог запасных частей к технике: ЧТЗ Бульдозер Б12. Каток поддерживающий

zoom-in zoom-out enlarge shrink circle-right circle-left file-text2 info cart arraw right arraw left zoom out zoom in arraw maximize arraw minimize
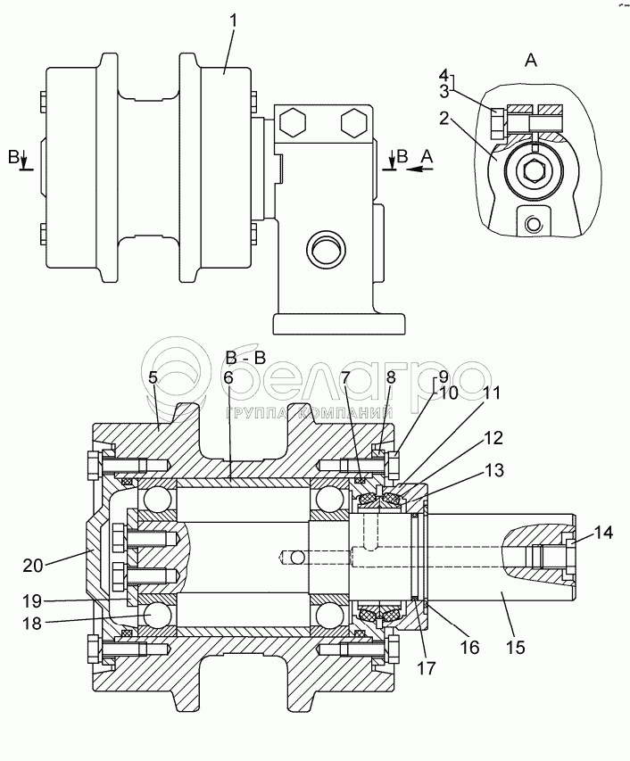
64-21-209СП
1
2
3
4
5
6
7
7
8
9
10
11
12
13
13
14
15
16
17
18
19
20
64-21-209СП
Каток поддерживающий
В узле: ---
1
64-21-208СП
Каток поддерживающий
В узле: 1
2
50-21-314-01
Кронштейн
В узле: 1
3
БолтМ20х1,5х62
Болт
В узле: 2
4
Шайба20ОТ65Г09
Шайба
В узле: 2
5
50-21-417СП
Ролик
В узле: 1
6
Кат-21-212
Втулка дистанционная
В узле: 1
7
Кат-21-60-02
Кольцо
В узле: 2
7
Кат-21-60-03
Кольцо
В узле: 2
8
64-21-170
Шайба упорная
В узле: 1
9
2816
Болт
В узле: 14
10
Шайба12Т65Г09
Шайба
В узле: 14
11
64-21-169
Лабиринт
В узле: 1
12
Кат-21-57
Кольцо
В узле: 2
13
Кат-21-31
Кольцо
В узле: 2
13
Кат-21-43
Кольцо
В узле: 2
14
700-37-2240
Пробка
В узле: 1
15
64-21-155-01
Ось
В узле: 1
16
700-58-2659
Кольцо
В узле: 1
17
Кат-21-60-07
Кольцо
В узле: 1
18
311
Подшипник шариковый радиальный однорядный
В узле: 2
19
64-21-156
Пластина
В узле: 1
20
50-21-436
Крышка
В узле: 1
Содержащиеся в справочниках-каталогах запасные части и детали не предлагаются к продаже, а носят исключительно информационный характер

Ваша заявка была отправлена. В ближайшее время наши специалисты с Вами свяжутся по указанному Вами телефону.

Представьтесь
Поле обязательно для заполнения
Ваш телефон
Введите правильный номер телефона
E-mail
Введите правильный e-mail
Тема
Тема
применяемость финансирование доставка цена, наличие другое сервис и гарантия
Время для звонка
08:00
08:00 09:00 10:00 11:00 12:00 13:00 14:00 15:00 16:00 17:00 18:00 19:00
19:00
08:00 09:00 10:00 11:00 12:00 13:00 14:00 15:00 16:00 17:00 18:00 19:00

Мы постараемся перезвонить в указанное время

Если вы не хотите ждать, то звоните нашим вежливым консультантам:

8 800 100-2-700
Подтвердите, что вы не робот
Подтвердите, что вы не робот
Спасибо!

Ваше сообщение успешно отправлено!

ЗакрытьПовторить попытку