Каталог запасных частей к технике: ЧТЗ Бульдозер Б12. Установка двигателя

zoom-in zoom-out enlarge shrink circle-right circle-left file-text2 info cart arraw right arraw left zoom out zoom in arraw maximize arraw minimize
1
2
3
4
5
6
7
8
9
10
11
12
13
14
15
16
17
18
19
20
21
22
23
24
25
26
27
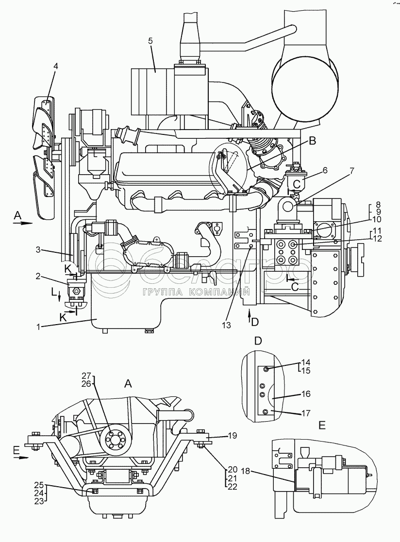
1
ЯМЗ-236Б-4
Дизель ЯМЗ-236Б-4
В узле: 1
2
64-01-103СП
Установка передней опоры
В узле: 1
3
64-07-105СП
Шкив
В узле: 1
4
Вентилятор
Установка вентилятора
В узле: 1
5
Впуск-выпуск
Установка агрегатов систем впуска и выпуска
В узле: 1
6
51-70-148СП
Фильтр топливный грубой очистки
В узле: 1
7
111-01-102СП
Лапа
В узле: 2
8
700-28-2480
Болт
В узле: 4
9
Шайба20ОТ65Г09
Шайба
В узле: 4
10
50-11-72
Планка
В узле: 4
11
700-30-2093
Гайка
В узле: 8
12
Шайба22ОТ65Г 09
Шайба
В узле: 8
13
700-28-2708
Болт
В узле: 2
14
БолтМ8-6gх35.88.35.019
Болт
В узле: 4
15
Шайба8Т65Г09
Шайба
В узле: 4
16
700-40-9545
Прокладка
В узле: 1
17
64-01-19
Крышка
В узле: 1
18
700-40-9555
Прокладка
В узле: 1
19
700-16-540СП
Балка
В узле: 1
20
700-28-2527-01
Болт
В узле: 4
21
Шайба12ОТ65Г09
Шайба
В узле: 4
22
31342-01
Шайба
В узле: 4
23
700-28-2707
Болт
В узле: 4
24
ГайкаМ12-7Н.6.019
Гайка
В узле: 4
25
3135-1
Шайба
В узле: 4
26
БолтМ10-6gх30.58.019
Болт
В узле: 6
27
Шайба10ОТ65Г09
Шайба
В узле: 6
Содержащиеся в справочниках-каталогах запасные части и детали не предлагаются к продаже, а носят исключительно информационный характер

Ваша заявка была отправлена. В ближайшее время наши специалисты с Вами свяжутся по указанному Вами телефону.

Представьтесь
Поле обязательно для заполнения
Ваш телефон
Введите правильный номер телефона
E-mail
Введите правильный e-mail
Тема
Тема
применяемость финансирование доставка цена, наличие другое сервис и гарантия
Время для звонка
08:00
08:00 09:00 10:00 11:00 12:00 13:00 14:00 15:00 16:00 17:00 18:00 19:00
19:00
08:00 09:00 10:00 11:00 12:00 13:00 14:00 15:00 16:00 17:00 18:00 19:00

Мы постараемся перезвонить в указанное время

Если вы не хотите ждать, то звоните нашим вежливым консультантам:

8 800 100-2-700
Подтвердите, что вы не робот
Подтвердите, что вы не робот
Спасибо!

Ваше сообщение успешно отправлено!

ЗакрытьПовторить попытку