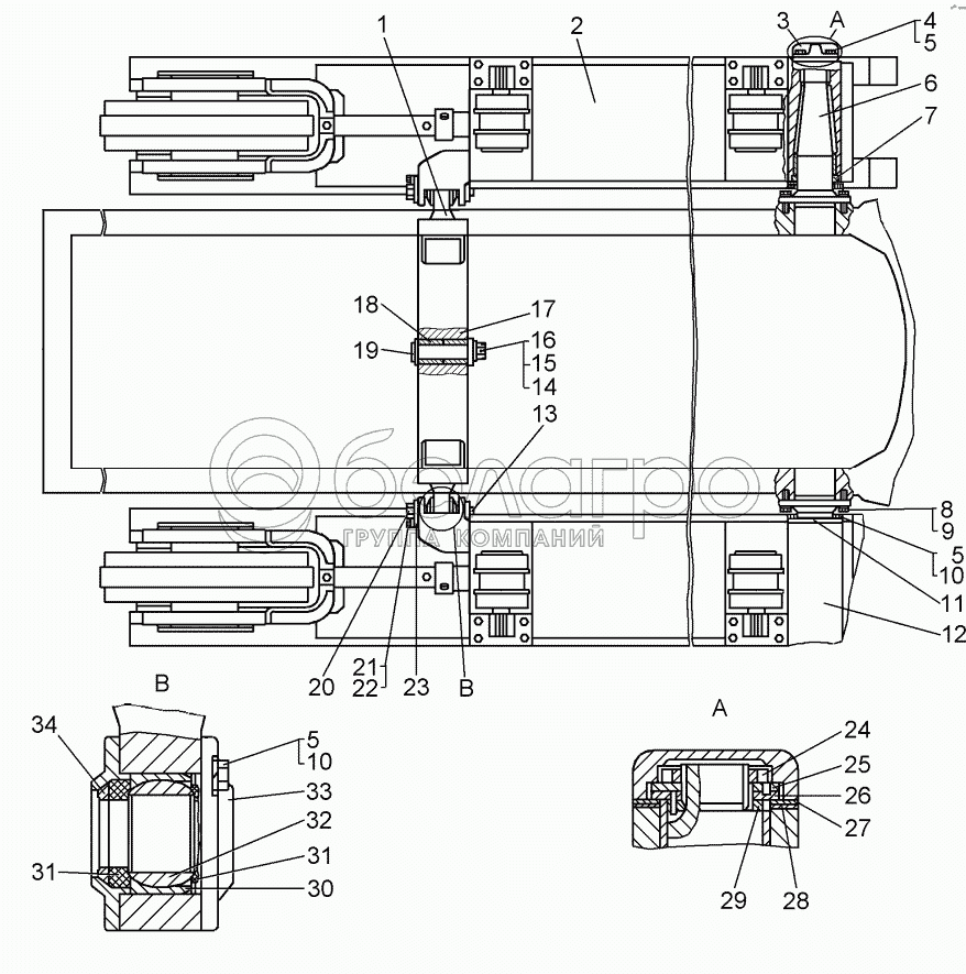
Каталог запасных частей к технике: ЧТЗ Бульдозер Б12. Установка тележек

zoom-in zoom-out enlarge shrink circle-right circle-left file-text2 info cart arraw right arraw left zoom out zoom in arraw maximize arraw minimize
1
2
3
4
5
5
5
6
7
8
9
10
10
11
12
13
14
15
16
17
18
19
20
21
22
23
24
25
26
27
28
29
30
31
31
32
33
34
1
64-20-105-01СП
Установка балки
В узле: 1
2
48-21-16СП
Тележка
В узле: 1
3
60-19-9-01
Крышка
В узле: 2
4
28648
Болт
В узле: 8
5
Шайба12ОТ65Г09
Шайба
В узле: 32
6
64-20-15-01
Полуось
В узле: 2
7
700-42-2724-01
Кольцо
В узле: 2
8
БолтМ24-8gх75.88.45.019
Болт
В узле: 28
9
Шайба24Т65Г09
Шайба
В узле: 20
10
БолтМ12х25.58.019
Болт
В узле: 24
11
64-20-16
Крышка
В узле: 2
12
48-21-15СП
Тележка
В узле: 1
13
64-20-12
Палец
В узле: 2
14
700-31-2613
Шайба
В узле: 1
15
700-30-2352
Гайка
В узле: 1
16
Шплинт8х80
Шплинт
В узле: 1
17
64-20-106-01СП
Балка
В узле: 1
18
20733
Втулка
В узле: 2
19
64-20-13
Палец
В узле: 1
20
700-30-2275
Гайка
В узле: 2
21
БолтМ10-6gх25.58.019
Болт
В узле: 4
22
Шайба10ОТ65Г09
Шайба
В узле: 4
23
64-20-14
Стопор
В узле: 2
24
19457-01
Гайка
В узле: 2
25
60-19-103СП
Стопор
В узле: 2
26
60-19-104СП
Фиксатор
В узле: 2
27
15-19-30
Прокладка
В узле: 4
28
700-40-2165
Прокладка
В узле: 2
29
19458
Прокладка
В узле: 16
30
64-20-8
Обойма
В узле: 2
31
700-42-2873
Сальник
В узле: 8
32
64-20-9
Шарнир
В узле: 2
33
64-20-19
Крышка
В узле: 4
34
64-20-10
Кольцо
В узле: 4
Содержащиеся в справочниках-каталогах запасные части и детали не предлагаются к продаже, а носят исключительно информационный характер

Ваша заявка была отправлена. В ближайшее время наши специалисты с Вами свяжутся по указанному Вами телефону.

Представьтесь
Поле обязательно для заполнения
Ваш телефон
Введите правильный номер телефона
E-mail
Введите правильный e-mail
Тема
Тема
применяемость финансирование доставка цена, наличие другое сервис и гарантия
Время для звонка
08:00
08:00 09:00 10:00 11:00 12:00 13:00 14:00 15:00 16:00 17:00 18:00 19:00
19:00
08:00 09:00 10:00 11:00 12:00 13:00 14:00 15:00 16:00 17:00 18:00 19:00

Мы постараемся перезвонить в указанное время

Если вы не хотите ждать, то звоните нашим вежливым консультантам:

8 800 100-2-700
Подтвердите, что вы не робот
Подтвердите, что вы не робот
Спасибо!

Ваше сообщение успешно отправлено!

ЗакрытьПовторить попытку