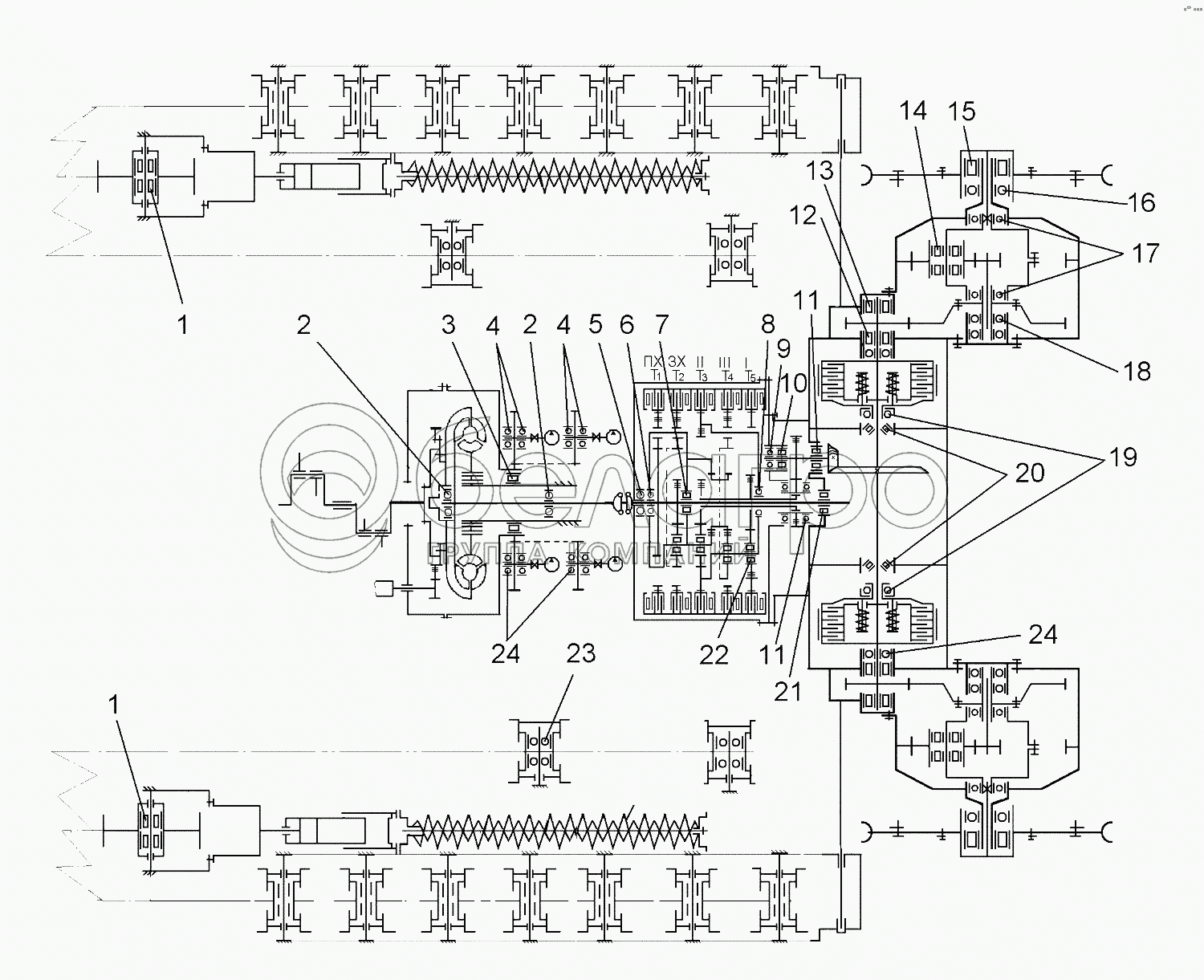
Каталог запасных частей к технике: ЧТЗ Бульдозер Б14. Схема расположения подшипников на тракторе

zoom-in zoom-out enlarge shrink circle-right circle-left file-text2 info cart arraw right arraw left zoom out zoom in arraw maximize arraw minimize
1
1
2
2
3
4
4
5
6
7
8
9
10
11
11
12
13
14
15
16
17
18
19
20
21
22
23
24
24
ШСП70
Подшипник ШСП70
В узле: ---
943/25
Подшипник
В узле: ---
941/25
Подшипник 941/25
В узле: ---
942/20
Подшипник 942/20
В узле: ---
942/25
Подшипник 942/25
В узле: ---
943/20
Подшипник
В узле: ---
ШСЛ70
Подшипник ШСЛ70
В узле: ---
180204С17
Подшипник 180204С17
В узле: ---
ШС10
Подшипник ШС10
В узле: ---
941/20
Подшипник 941/20
В узле: ---
ШС10
Подшипник ШС10
В узле: ---
ШС70
Подшипник ШС70
В узле: ---
941/17
Подшипник 941/17
В узле: ---
1
2614К2
Подшипник 2614 К2
В узле: ---
1
272614
Подшипник 272614
В узле: ---
2
6218
Подшипник
В узле: ---
2
176218
Подшипник
В узле: ---
2
176218Б3
Подшипник
В узле: ---
3
32124
Подшипник
В узле: ---
4
122
Подшипник
В узле: ---
5
214
Подшипник 214
В узле: ---
6
114
Подшипник 114
В узле: ---
7
NJ212ЕН
Подшипник NJ212ЕН
В узле: ---
7
42212КМ
Подшипник 42212КМ
В узле: ---
7
700-39-2297
Подшипник
В узле: ---
8
6920М
Подшипник 6920М
В узле: ---
9
213
Подшипник 213
В узле: ---
9
6213H
Подшипник 6213H
В узле: ---
9
700-39-2302
Подшипник
В узле: ---
10
2313КМ
Подшипник 2313КМ
В узле: ---
11
2615КМ
Подшипник 2615КМ
В узле: ---
12
70-32315К1М
Подшипник
В узле: ---
13
70-32612К1М
Подшипник
В узле: ---
14
42312ЛМ
Подшипник
В узле: ---
15
2236
Подшипник
В узле: ---
16
236
Подшипник
В узле: ---
17
1000932
Подшипник
В узле: ---
18
134
Подшипник
В узле: ---
19
120
Подшипник 120
В узле: ---
19
46120
Подшипник шариковый радиально-упорный однорядный
В узле: ---
20
7516А
Подшипник 7516А
В узле: ---
21
12210К1
Подшипник 12210К1
В узле: ---
22
К35х43х35ZW
Подшипник
В узле: ---
23
311
Подшипник шариковый радиальный однорядный
В узле: ---
24
118
Подшипник шариковый радиальный однорядный
В узле: ---
Содержащиеся в справочниках-каталогах запасные части и детали не предлагаются к продаже, а носят исключительно информационный характер

Ваша заявка была отправлена. В ближайшее время наши специалисты с Вами свяжутся по указанному Вами телефону.

Представьтесь
Поле обязательно для заполнения
Ваш телефон
Введите правильный номер телефона
E-mail
Введите правильный e-mail
Тема
Тема
применяемость финансирование доставка цена, наличие другое сервис и гарантия
Время для звонка
08:00
08:00 09:00 10:00 11:00 12:00 13:00 14:00 15:00 16:00 17:00 18:00 19:00
19:00
08:00 09:00 10:00 11:00 12:00 13:00 14:00 15:00 16:00 17:00 18:00 19:00

Мы постараемся перезвонить в указанное время

Если вы не хотите ждать, то звоните нашим вежливым консультантам:

8 800 100-2-700
Подтвердите, что вы не робот
Подтвердите, что вы не робот
Спасибо!

Ваше сообщение успешно отправлено!

ЗакрытьПовторить попытку