Каталог запасных частей к технике: ЧТЗ Бульдозер Б14. Установка радиаторов 114-303СП

zoom-in zoom-out enlarge shrink circle-right circle-left file-text2 info cart arraw right arraw left zoom out zoom in arraw maximize arraw minimize
1
2
2
3
3
4
5
6
7
7
8
8
8
8
8
9
10
11
12
13
13
14
15
16
17
17
17
17
18
18
18
19
19
19
20
21
22
23
24
25
26
27
27
28
29
30
31
32
33
34
35
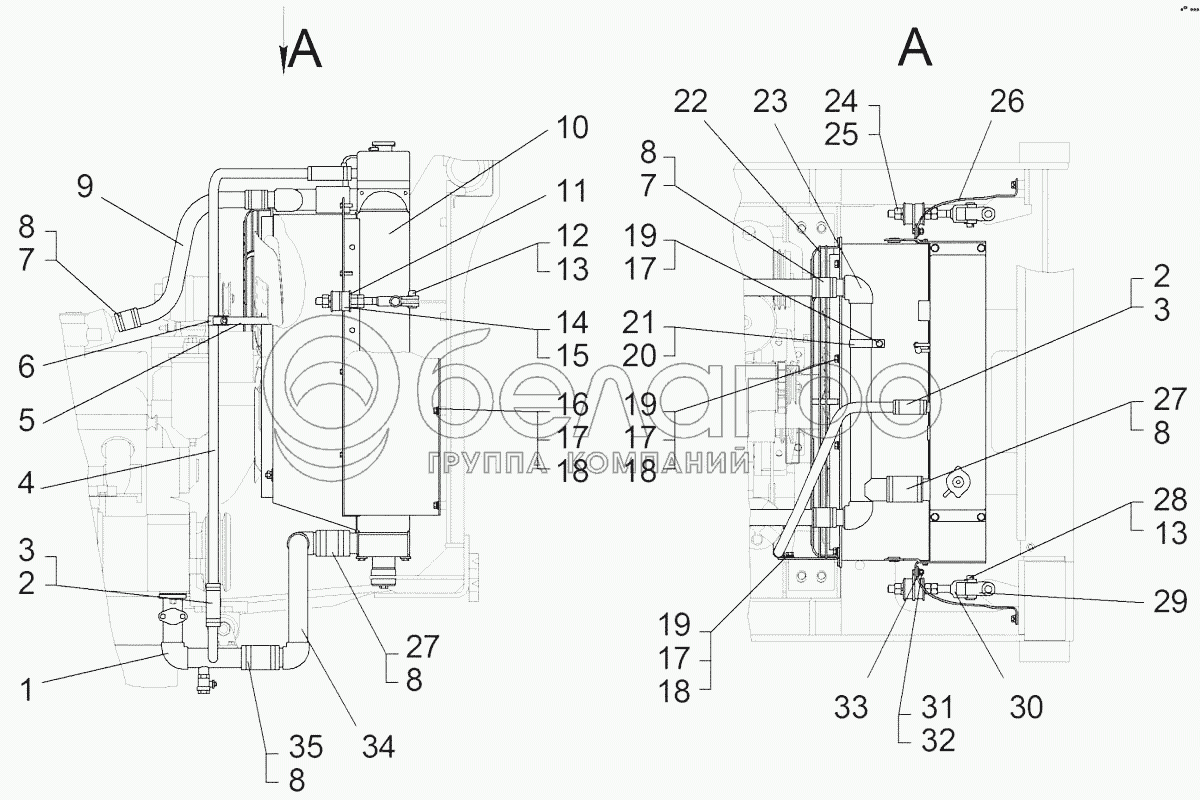
114-301СП
Установка радиаторов
В узле: ---
1
64-08-15СП
Блок радиаторов
В узле: ---
2
БолтМ8-6gх25.88.35.019
Болт
В узле: ---
3
Шайба8Т.65Г.09
Шайба 8Т.65Г.09
В узле: ---
4
64-08-287СП
Кронштейн
В узле: ---
5
64-08-290
Палец
В узле: ---
6
Шплинт3,2х22.019
Шплинт
В узле: ---
7
64-08-427
Проушина
В узле: ---
8
64-08-290-01
Палец
В узле: ---
9
64-08-291
Раскос
В узле: ---
10
ГайкаМ18х1,5-7Н.6.019
Гайка
В узле: ---
11
Шайба18.ОТ.65Г.09
Шайба 18.ОТ.65Г.09
В узле: ---
12
24-08-157
Втулка
В узле: ---
13
700-40-4428
Втулка
В узле: ---
14
24-08-154
Тарелка амортизатора
В узле: ---
15
64-08-471
Патрубок
В узле: ---
16
64-08-562
Труба
В узле: ---
17
64-08-573
Труба
В узле: ---
18
ГайкаМ8-7Н.6.019
Гайка
В узле: ---
19
64-08-54
Накладка
В узле: ---
20
64-08-564
Щиток
В узле: ---
21
700-40-3495
Рукав
В узле: ---
22
SGТ50-70/9
Хомут червячный
В узле: ---
23
114-08-4
Планка
В узле: ---
24
114-08-3
Планка
В узле: ---
25
114-08-2
Планка
В узле: ---
26
700-40-9749
Штора
В узле: ---
27
3197
Шайба
В узле: ---
28
Шайба10.ОТ.65Г.09
Шайба 10.ОТ.65Г.09
В узле: ---
29
БолтМ10-6gх20.88.35.019
Болт
В узле: ---
30
700-40-9748
Уплотнение
В узле: ---
31
114-08-1
Планка боковая
В узле: ---
32
700-40-8714
Прокладка
В узле: ---
33
3083
Гайка
В узле: ---
34
64-08-477
Патрубок
В узле: ---
35
700-40-3504
Рукав
В узле: ---
36
SGT70-90/9
Хомут червячный
В узле: ---
37
64-08-292СП
Патрубок
В узле: ---
38
700-40-3503
Рукав
В узле: ---
39
64-08-389
Втулка
В узле: ---
40
700-40-9292
Амортизатор
В узле: ---
41
64-08-446
Патрубок
В узле: ---
42
БолтМ8-6gх30.88.35.019
Болт
В узле: ---
43
31386
Шайба
В узле: ---
44
Шайба16.ОТ.65Г.09
Шайба 16.ОТ.65Г.09
В узле: ---
45
3013
Гайка
В узле: ---
46
64-08-388
Накладка
В узле: ---
47
БолтМ10-6gх30.58.019
Болт
В узле: ---
48
64-08-265СП
Накладка
В узле: ---
49
700-40-9588
Прокладка
В узле: ---
Содержащиеся в справочниках-каталогах запасные части и детали не предлагаются к продаже, а носят исключительно информационный характер

Ваша заявка была отправлена. В ближайшее время наши специалисты с Вами свяжутся по указанному Вами телефону.

Представьтесь
Поле обязательно для заполнения
Ваш телефон
Введите правильный номер телефона
E-mail
Введите правильный e-mail
Тема
Тема
применяемость финансирование доставка цена, наличие другое сервис и гарантия
Время для звонка
08:00
08:00 09:00 10:00 11:00 12:00 13:00 14:00 15:00 16:00 17:00 18:00 19:00
19:00
08:00 09:00 10:00 11:00 12:00 13:00 14:00 15:00 16:00 17:00 18:00 19:00

Мы постараемся перезвонить в указанное время

Если вы не хотите ждать, то звоните нашим вежливым консультантам:

8 800 100-2-700
Подтвердите, что вы не робот
Подтвердите, что вы не робот
Спасибо!

Ваше сообщение успешно отправлено!

ЗакрытьПовторить попытку