Каталог запасных частей к технике: ЧТЗ Бульдозер Б14. Установка тележек. Балка

zoom-in zoom-out enlarge shrink circle-right circle-left file-text2 info cart arraw right arraw left zoom out zoom in arraw maximize arraw minimize
1
2
3
4
5
5
6
7
7
8
9
10
11
12
13
14
14
15
16
17
18
19
20
21
22
23
23
24
25
26
27
28
29
30
31
32
33
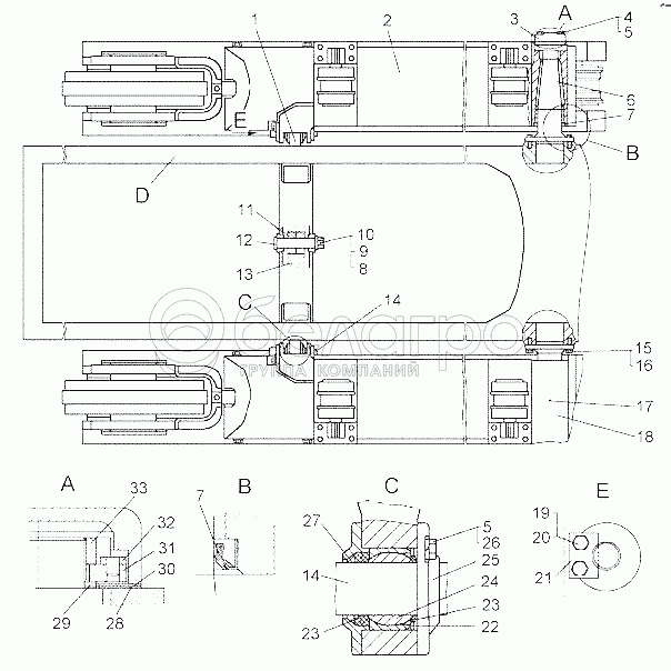
48-20-6СП
Установка тележек
В узле: ---
1
64-20-105-01СП
Установка балки
В узле: ---
2
48-21-16СП
Тележка
В узле: ---
3
60-19-9-01
Крышка
В узле: ---
4
28648
Болт
В узле: ---
5
Шайба12.ОТ.65Г.09
Шайба 12.ОТ.65Г.09
В узле: ---
6
64-20-15-01
Полуось
В узле: ---
7
В1FUD140-160-13
Манжета
В узле: ---
8
700-31-2613
Шайба
В узле: ---
9
700-30-2352
Гайка
В узле: ---
10
Шплинт8х80
Шплинт
В узле: ---
11
20733
Втулка
В узле: ---
12
64-20-13
Палец
В узле: ---
13
64-20-106-01СП
Балка
В узле: ---
14
64-20-23
Палец
В узле: ---
15
БолтМ24-8gх75.88.45.019
Болт
В узле: ---
16
Шайба24Т.65Г.09
Шайба 24Т.65Г.09
В узле: ---
17
Масленка1.3.Ц6
Масленка
В узле: ---
18
48-21-15СП
Тележка
В узле: ---
19
700-28-2621
Болт
В узле: ---
20
Шайба16.ОТ.65Г.09
Шайба 16.ОТ.65Г.09
В узле: ---
21
64-20-24
Стопор
В узле: ---
22
64-20-8
Обойма
В узле: ---
23
700-42-2873
Сальник
В узле: ---
24
64-20-9
Шарнир
В узле: ---
25
64-20-19
Крышка
В узле: ---
26
БолтМ12х1,25-8gх25.58.019
Болт
В узле: ---
27
64-20-10
Кольцо
В узле: ---
28
700-40-2165
Прокладка
В узле: ---
29
19458
Прокладка
В узле: ---
30
15-19-30
Прокладка
В узле: ---
31
60-19-104СП
Фиксатор
В узле: ---
32
60-19-103СП
Стопор
В узле: ---
33
19457-01
Гайка
В узле: ---
Содержащиеся в справочниках-каталогах запасные части и детали не предлагаются к продаже, а носят исключительно информационный характер

Ваша заявка была отправлена. В ближайшее время наши специалисты с Вами свяжутся по указанному Вами телефону.

Представьтесь
Поле обязательно для заполнения
Ваш телефон
Введите правильный номер телефона
E-mail
Введите правильный e-mail
Тема
Тема
применяемость финансирование доставка цена, наличие другое сервис и гарантия
Время для звонка
08:00
08:00 09:00 10:00 11:00 12:00 13:00 14:00 15:00 16:00 17:00 18:00 19:00
19:00
08:00 09:00 10:00 11:00 12:00 13:00 14:00 15:00 16:00 17:00 18:00 19:00

Мы постараемся перезвонить в указанное время

Если вы не хотите ждать, то звоните нашим вежливым консультантам:

8 800 100-2-700
Подтвердите, что вы не робот
Подтвердите, что вы не робот
Спасибо!

Ваше сообщение успешно отправлено!

ЗакрытьПовторить попытку