Каталог запасных частей к технике: ЧТЗ ДЭТ-250М2. Бак масляный

zoom-in zoom-out enlarge shrink circle-right circle-left file-text2 info cart arraw right arraw left zoom out zoom in arraw maximize arraw minimize
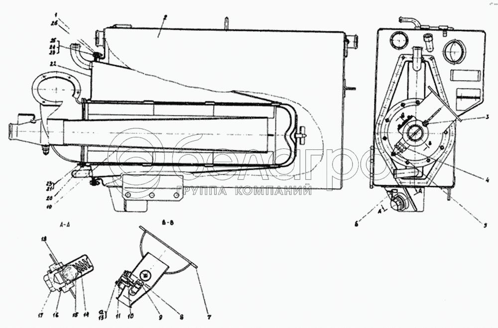
1
2
3
4
5
6
7
8
9
10
11
12
13
14
15
16
17
18
19
20
21
22
23
23
24
25
26
748-09-175СП
Горелка
В узле: ---
1
748-09-76
Прокладка
В узле: ---
2
748-09-220СП
Бак
В узле: ---
3
730-26-457
Пробка
В узле: ---
4
700-31-1027
Прокладка
В узле: ---
5
748-09-198СП
Свеча накаливания
В узле: ---
6
Проволока КО 1,6 [ГОСТ 792-67]
Проволока КО 1,6
В узле: ---
7
748-09-178СП
Корпус
В узле: ---
8
748-09-233СП
Форсунка
В узле: ---
9
730-26-268
Прокладка
В узле: ---
10
730-26-375
Прокладка
В узле: ---
11
730-26-сб191
Крышка
В узле: ---
12
Болт М6-6gх16.88.35.019 [ГОСТ 7798-70]
Болт М6-6gх16.88.35.019
В узле: ---
13
Шайба 6Т 65Г 09 [ГОСТ 6402-70]
Шайба 6Т 65Г 09
В узле: ---
14
700-38-1933
Пружина
В узле: ---
15
Шарик Б25,4-100 [ГОСТ 3722-81]
Шарик Б25,4-100
В узле: ---
16
МН 4152-62
Кольцо 12х18
В узле: ---
17
700-37-2242
Пробка
В узле: ---
18
748-20-1013
Седло
В узле: ---
19
748-09-74
Труба
В узле: ---
20
748-09-224
Прокладка
В узле: ---
21
351-02Б
Гайка
В узле: ---
22
748-09-225СП
Котел
В узле: ---
23
Шайба 8Т 65Г 09 [ГОСТ 6402-70]
Шайба 8Т 65Г 09
В узле: ---
24
Гайка М8-7Н.6.019 [ГОСТ 5915-70]
Гайка М8-7Н.6.019
В узле: ---
25
Болт М8-6gх25.88.35.019 [ГОСТ 7796-70]
Болт М8-6gх25.88.35.019
В узле: ---
26
748-09-75
Накладка
В узле: ---
Содержащиеся в справочниках-каталогах запасные части и детали не предлагаются к продаже, а носят исключительно информационный характер

Ваша заявка была отправлена. В ближайшее время наши специалисты с Вами свяжутся по указанному Вами телефону.

Представьтесь
Поле обязательно для заполнения
Ваш телефон
Введите правильный номер телефона
E-mail
Введите правильный e-mail
Тема
Тема
применяемость финансирование доставка цена, наличие другое сервис и гарантия
Время для звонка
08:00
08:00 09:00 10:00 11:00 12:00 13:00 14:00 15:00 16:00 17:00 18:00 19:00
19:00
08:00 09:00 10:00 11:00 12:00 13:00 14:00 15:00 16:00 17:00 18:00 19:00

Мы постараемся перезвонить в указанное время

Если вы не хотите ждать, то звоните нашим вежливым консультантам:

8 800 100-2-700
Подтвердите, что вы не робот
Подтвердите, что вы не робот
Спасибо!

Ваше сообщение успешно отправлено!

ЗакрытьПовторить попытку