Каталог запасных частей к технике: ЧТЗ ДЭТ-250М2. Картер

zoom-in zoom-out enlarge shrink circle-right circle-left file-text2 info cart arraw right arraw left zoom out zoom in arraw maximize arraw minimize
1
2
2
3
4
5
6
7
8
9
10
11
12
13
14
15
16
17
18
19
20
20
21
22
23
24
25
26
27
28
29
30
31
32
33
34
35
36
37
38
39
40
41
42
43
44
45
46
47
48
49
50
51
51
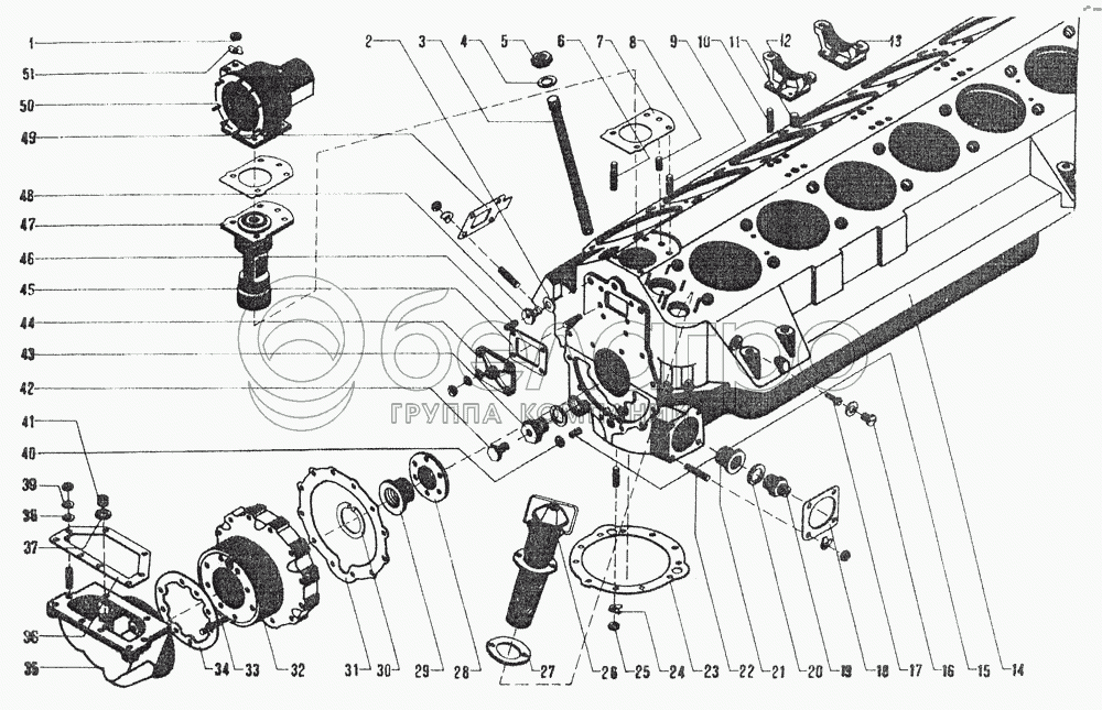
401-263-1
Опора
В узле: ---
401-266
Кронштейн маслофильтра
В узле: ---
401-261-1
Опора
В узле: ---
1
351-50
Гайка М10
В узле: ---
2
355-08
Кольцо
В узле: ---
2
355-08
Кольцо
В узле: ---
3
3301-17-1
Шпилька
В узле: ---
4
301-23-1
Шайба
В узле: ---
5
301-20-2
Гайка
В узле: ---
6
350-18
Шпилька М10х57
В узле: ---
7
308-94-2
Прокладка
В узле: ---
8
301-32
Штифт контрольный
В узле: ---
9
350-21-1
Шпилька М10х48
В узле: ---
10
350-15
Шпилька М8х35
В узле: ---
11
352-26
Штифт цилиндрический 6h8х14
В узле: ---
12
301-51-4
Кронштейн
В узле: ---
13
301-52-4
Кронштейн
В узле: ---
14
401-15-41
Картер
В узле: ---
15
301-160-4
Жиклер
В узле: ---
16
401-366
Заглушка
В узле: ---
17
401-122
Винт
В узле: ---
18
402-17
Прокладка под водяной насос
В узле: ---
19
402-21-1
Штуцер
В узле: ---
20
355-10
Кольцо 24-30
В узле: ---
20
355-10
Кольцо 24-30
В узле: ---
21
402-07
Втулка
В узле: ---
22
350-11
Шпилька М10х52
В узле: ---
23
402-16-1
Прокладка под масляный насос
В узле: ---
24
353-16-1
Шайба стопорная 8
В узле: ---
25
351-02
Гайка М8
В узле: ---
26
301-08-8
Суфлер
В узле: ---
27
301-97
Прокладка
В узле: ---
28
3305-34
Гильза
В узле: ---
29
3305-54
Втулка
В узле: ---
30
3305-33
Замок
В узле: ---
31
301-112-2
Прокладка
В узле: ---
32
401-262-1
Опора
В узле: ---
33
350-60
Шпилька М10х82
В узле: ---
34
401-268
Прокладка
В узле: ---
35
401-267
Кронштейн маслофильтра
В узле: ---
36
3301-189-2
Прокладка
В узле: ---
37
3301-176А
Кольцо
В узле: ---
38
353-07-1
Шайба чистая 10
В узле: ---
39
353-26
Шайба 10Т
В узле: ---
40
301-161А
Кольцо
В узле: ---
41
3301-175-1
Трубка
В узле: ---
42
320-37
Зажим
В узле: ---
43
402-28-1
Втулка
В узле: ---
44
301-91-7
Крышка люка
В узле: ---
45
301-95-1
Прокладка
В узле: ---
46
301-160-3
Жиклер
В узле: ---
47
308-145
Подшипник
В узле: ---
48
301-106-1
Втулка
В узле: ---
49
3301-39-1
Прокладка
В узле: ---
50
308-04-14
Корпус привода
В узле: ---
51
353-15
Шайба стопорная 11
В узле: ---
51
353-15
Шайба стопорная 11
В узле: ---
Содержащиеся в справочниках-каталогах запасные части и детали не предлагаются к продаже, а носят исключительно информационный характер

Ваша заявка была отправлена. В ближайшее время наши специалисты с Вами свяжутся по указанному Вами телефону.

Представьтесь
Поле обязательно для заполнения
Ваш телефон
Введите правильный номер телефона
E-mail
Введите правильный e-mail
Тема
Тема
применяемость финансирование доставка цена, наличие другое сервис и гарантия
Время для звонка
08:00
08:00 09:00 10:00 11:00 12:00 13:00 14:00 15:00 16:00 17:00 18:00 19:00
19:00
08:00 09:00 10:00 11:00 12:00 13:00 14:00 15:00 16:00 17:00 18:00 19:00

Мы постараемся перезвонить в указанное время

Если вы не хотите ждать, то звоните нашим вежливым консультантам:

8 800 100-2-700
Подтвердите, что вы не робот
Подтвердите, что вы не робот
Спасибо!

Ваше сообщение успешно отправлено!

ЗакрытьПовторить попытку