Каталог запасных частей к технике: ЧТЗ ДЭТ-250М2. Масляная система трансмиссии

zoom-in zoom-out enlarge shrink circle-right circle-left file-text2 info cart arraw right arraw left zoom out zoom in arraw maximize arraw minimize
1
2
3
4
5
6
7
8
9
10
11
12
13
14
15
16
17
18
19
20
21
22
23
24
25
26
27
28
29
30
31
32
33
34
35
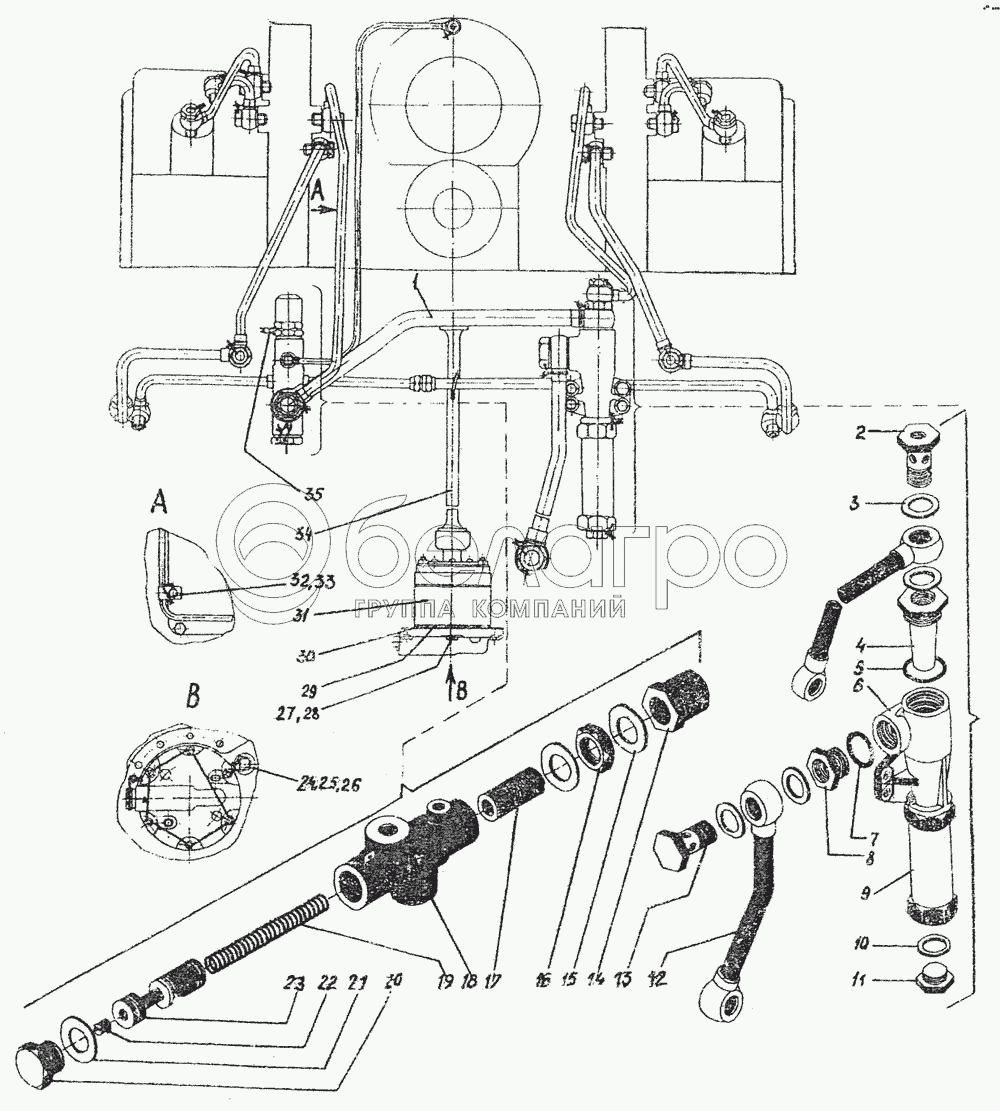
748-60-241 СП
Клапан
В узле: ---
748-60-195СП
Клапан
В узле: ---
743-60-180СП
Циклон
В узле: ---
1
748-60-288ССП
Труба
В узле: ---
2
700-41-3402
Штуцер
В узле: ---
3
МН 4152-79
Кольцо 30х36
В узле: ---
4
748-60-380
Штуцер
В узле: ---
5
46588
Кольцо
В узле: ---
6
748-60-384
Корпус
В узле: ---
7
46764
Кольцо
В узле: ---
8
748-60-172
Ввертыш
В узле: ---
9
748-60-287СП
Бункер
В узле: ---
10
700-40-260-16
Прокладка
В узле: ---
11
700-37-2234
Пробка
В узле: ---
12
748-60-281СП
Труба
В узле: ---
13
700-41-3387
Болт поворотного угольника
В узле: ---
14
748-60-191
Колпачок
В узле: ---
15
700-40-260-20
Прокладка
В узле: ---
16
700-30-316
Гайка
В узле: ---
17
748-60-197
Винт
В узле: ---
18
748-60-343
Корпус
В узле: ---
19
700-38-889
Пружина
В узле: ---
20
700-37-142
Пробка
В узле: ---
21
МН 4152-79
Кольцо 30х36
В узле: ---
22
748-60-138
Дроссель
В узле: ---
23
748-60-182
Золотник
В узле: ---
24
700-37-2161
Пробка
В узле: ---
25
700-40 260-15
Прокладка
В узле: ---
26
Проволока КО 1,4 [ГОСТ 792-67]
Проволока КО 1,4
В узле: ---
27
748-28-911
Болт
В узле: ---
28
Шайба 10.02 [ГОСТ 11371-78]
Шайба 10.02
В узле: ---
29
748-60-89
Прокладка
В узле: ---
30
700-40-4451
Кольцо
В узле: ---
31
748-60-276СП
Насос
В узле: ---
32
700-41-3339
Хомутик
В узле: ---
33
Проволока КО 1,6 [ГОСТ 792-67]
Проволока КО 1,6
В узле: ---
34
748-60-164
Валик
В узле: ---
35
700-42-2011
Проволока
В узле: ---
Содержащиеся в справочниках-каталогах запасные части и детали не предлагаются к продаже, а носят исключительно информационный характер

Ваша заявка была отправлена. В ближайшее время наши специалисты с Вами свяжутся по указанному Вами телефону.

Представьтесь
Поле обязательно для заполнения
Ваш телефон
Введите правильный номер телефона
E-mail
Введите правильный e-mail
Тема
Тема
применяемость финансирование доставка цена, наличие другое сервис и гарантия
Время для звонка
08:00
08:00 09:00 10:00 11:00 12:00 13:00 14:00 15:00 16:00 17:00 18:00 19:00
19:00
08:00 09:00 10:00 11:00 12:00 13:00 14:00 15:00 16:00 17:00 18:00 19:00

Мы постараемся перезвонить в указанное время

Если вы не хотите ждать, то звоните нашим вежливым консультантам:

8 800 100-2-700
Подтвердите, что вы не робот
Подтвердите, что вы не робот
Спасибо!

Ваше сообщение успешно отправлено!

ЗакрытьПовторить попытку