Каталог запасных частей к технике: ЧТЗ ДЭТ-250М2. Монтаж проводов

zoom-in zoom-out enlarge shrink circle-right circle-left file-text2 info cart arraw right arraw left zoom out zoom in arraw maximize arraw minimize
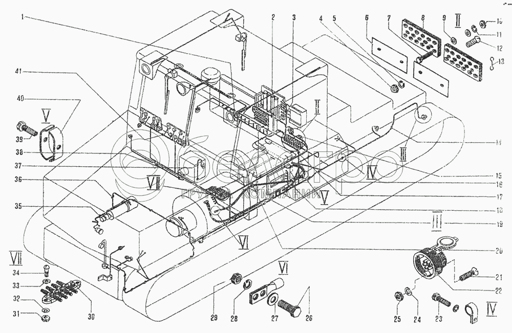
1
2
3
4
5
6
7
8
9
10
11
12
13
14
15
16
17
18
19
20
21
22
23
24
25
26
27
28
29
30
31
32
33
34
35
36
37
38
39
40
41
1
700-54-201-18
Хомутик
В узле: ---
2
700-54-201-16
Хомутик
В узле: ---
3
700-54-201-17
Хомутик
В узле: ---
4
Гайка М8-7Н.6.019 [ГОСТ 5915-70]
Гайка М8-7Н.6.019
В узле: ---
5
Шайба 8Т 65Г 09 [ГОСТ 6402-70]
Шайба 8Т 65Г 09
В узле: ---
6
700-40-4387
Прокладка
В узле: ---
7
28466
Болт
В узле: ---
8
700-42-2362
Клеммная колодка
В узле: ---
9
Шайба 6.01.019 [ГОСТ 11371-78]
Шайба 6.01.019
В узле: ---
10
Гайка М6-7Н.6.019 [ГОСТ 5915-70]
Гайка М6-7Н.6.019
В узле: ---
11
Шайба 6Т 65Г 09 [ГОСТ 6402-70]
Шайба 6Т 65Г 09
В узле: ---
12
Винт ВМ8-8gх22.58.019 [ГОСТ 17473-80]
Винт ВМ8-8gх22.58.019
В узле: ---
13
748-88-94
Плавкая вставка на 125А
В узле: ---
14
700-54-201-12
Хомутик
В узле: ---
15
Шунт Ш-180А вольтамперметра
Шунт Ш-180А вольтамперметра
В узле: ---
16
700-54-201-15
Хомутик
В узле: ---
17
700-54-201-20
Хомутик
В узле: ---
18
748-88-986СП
Кабельный узел
В узле: ---
19
748-88-957СП
Кабельный узел
В узле: ---
20
700-54-201-19
Хомутик
В узле: ---
21
Винт В2М5-8gх35.58.019 [ГОСТ 17475-80]
Винт В2М5-8gх35.58.019
В узле: ---
22
Розетка штепсельная ПС 300АЗ-100 [ГОСТ 9200-76]
Розетка штепсельная ПС 300АЗ-100
В узле: ---
23
Болт М6-6gх12.88.35.019 [ГОСТ 7798-70]
Болт М6-6gх12.88.35.019
В узле: ---
24
Шайба 5Т 65Г 06 [ГОСТ 6402-70]
Шайба 5Т 65Г 06
В узле: ---
25
Гайка М5-7Н.6.019 [ГОСТ 5927-70]
Гайка М5-7Н.6.019
В узле: ---
26
Болт М12-6gх40.58.019 [ГОСТ 7796-70]
Болт М12-6gх40.58.019
В узле: ---
27
Шайба 12х2.02.019 [ГОСТ 11371-78]
Шайба 12х2.02.019
В узле: ---
28
Шайба 12 ОТ 65Г 019 [ГОСТ 6402-70]
Шайба 12 ОТ 65Г 019
В узле: ---
29
Гайка М12х1,25-6Н.04.45.019 [ГОСТ 5916-70]
Гайка М12х1,25-6Н.04.45.019
В узле: ---
30
Панель соединительная ПС-5
Панель соединительная ПС-5
В узле: ---
31
Гайка М4-7Н.6.016 [ГОСТ5927-70]
Гайка М4-7Н.6.016
В узле: ---
32
Шайба 4Т 65Г 06 [ГОСТ 6402-70]
Шайба 4Т 65Г 06
В узле: ---
33
Шайба 4.01.019 [ГОСТ 11371-78]
Шайба 4.01.019
В узле: ---
34
Винт ВМ4-6gх20.58.016 [ГОСТ 17473-80]
Винт ВМ4-6gх20.58.016
В узле: ---
35
700-54-202-06
Хомутик
В узле: ---
36
700-54-201-13
Хомутик
В узле: ---
37
700-54-202
Хомутик
В узле: ---
38
700-40-2973
Прокладка
В узле: ---
39
28434
Болт
В узле: ---
40
748-88-43
Прижим
В узле: ---
41
700-54-202-05
Хомутик
В узле: ---
Содержащиеся в справочниках-каталогах запасные части и детали не предлагаются к продаже, а носят исключительно информационный характер

Ваша заявка была отправлена. В ближайшее время наши специалисты с Вами свяжутся по указанному Вами телефону.

Представьтесь
Поле обязательно для заполнения
Ваш телефон
Введите правильный номер телефона
E-mail
Введите правильный e-mail
Тема
Тема
применяемость финансирование доставка цена, наличие другое сервис и гарантия
Время для звонка
08:00
08:00 09:00 10:00 11:00 12:00 13:00 14:00 15:00 16:00 17:00 18:00 19:00
19:00
08:00 09:00 10:00 11:00 12:00 13:00 14:00 15:00 16:00 17:00 18:00 19:00

Мы постараемся перезвонить в указанное время

Если вы не хотите ждать, то звоните нашим вежливым консультантам:

8 800 100-2-700
Подтвердите, что вы не робот
Подтвердите, что вы не робот
Спасибо!

Ваше сообщение успешно отправлено!

ЗакрытьПовторить попытку