Каталог запасных частей к технике: ЧТЗ ДЭТ-250М2. Мостик (горного тормоза)

zoom-in zoom-out enlarge shrink circle-right circle-left file-text2 info cart arraw right arraw left zoom out zoom in arraw maximize arraw minimize
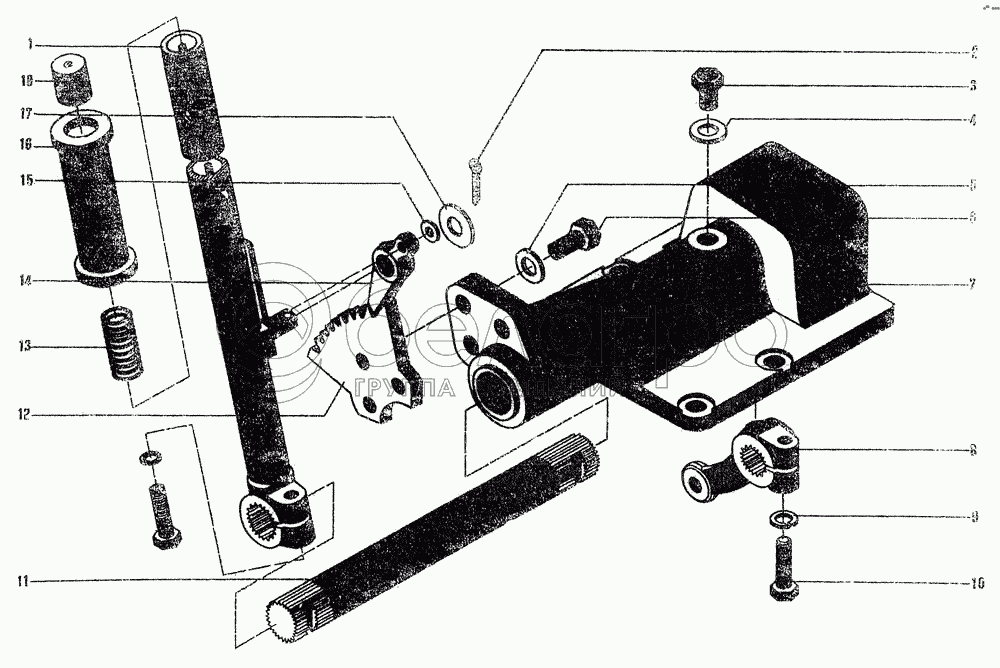
1
2
3
4
5
6
7
8
9
10
11
12
13
14
15
16
17
18
1
748-17-249СП
Рычаг
В узле: ---
2
Шплинт 3,2х25.019 [ГОСТ 397-79]
Шплинт 3,2х25.019
В узле: ---
3
700-37-315
Пробка
В узле: ---
4
МН 4152-62
Кольцо 12х18
В узле: ---
5
700-31-96
Шайба
В узле: ---
6
700-28-915
Болт
В узле: ---
7
748-17-398СП
Кронштейн
В узле: ---
8
748-17-336
Рычаг
В узле: ---
9
Шайба 10 ОТ 65Г 09 [ГОСТ 6402-70]
Шайба 10 ОТ 65Г 09
В узле: ---
10
Болт М10-6gх40.58.019 [ГОСТ 7796-70]
Болт М10-6gх40.58.019
В узле: ---
11
748-17-333
Валик
В узле: ---
12
748-17-334
Сектор
В узле: ---
13
730-17-239
Пружина
В узле: ---
14
748-17-335-1
Защелка
В узле: ---
15
Шайба 5.01.019 [ГОСТ 11371-78]
Шайба 5.01.019
В узле: ---
16
КВ 17-96
Рукоятка рычага управления
В узле: ---
17
Шайба 16х2,5-01 [ГОСТ 11371-78]
Шайба 16х2,5-01
В узле: ---
18
748-17-638
Кнопка
В узле: ---
Содержащиеся в справочниках-каталогах запасные части и детали не предлагаются к продаже, а носят исключительно информационный характер

Ваша заявка была отправлена. В ближайшее время наши специалисты с Вами свяжутся по указанному Вами телефону.

Представьтесь
Поле обязательно для заполнения
Ваш телефон
Введите правильный номер телефона
E-mail
Введите правильный e-mail
Тема
Тема
применяемость финансирование доставка цена, наличие другое сервис и гарантия
Время для звонка
08:00
08:00 09:00 10:00 11:00 12:00 13:00 14:00 15:00 16:00 17:00 18:00 19:00
19:00
08:00 09:00 10:00 11:00 12:00 13:00 14:00 15:00 16:00 17:00 18:00 19:00

Мы постараемся перезвонить в указанное время

Если вы не хотите ждать, то звоните нашим вежливым консультантам:

8 800 100-2-700
Подтвердите, что вы не робот
Подтвердите, что вы не робот
Спасибо!

Ваше сообщение успешно отправлено!

ЗакрытьПовторить попытку