Каталог запасных частей к технике: ЧТЗ ДЭТ-250М2. Насос топливный и регулятор

zoom-in zoom-out enlarge shrink circle-right circle-left file-text2 info cart arraw right arraw left zoom out zoom in arraw maximize arraw minimize
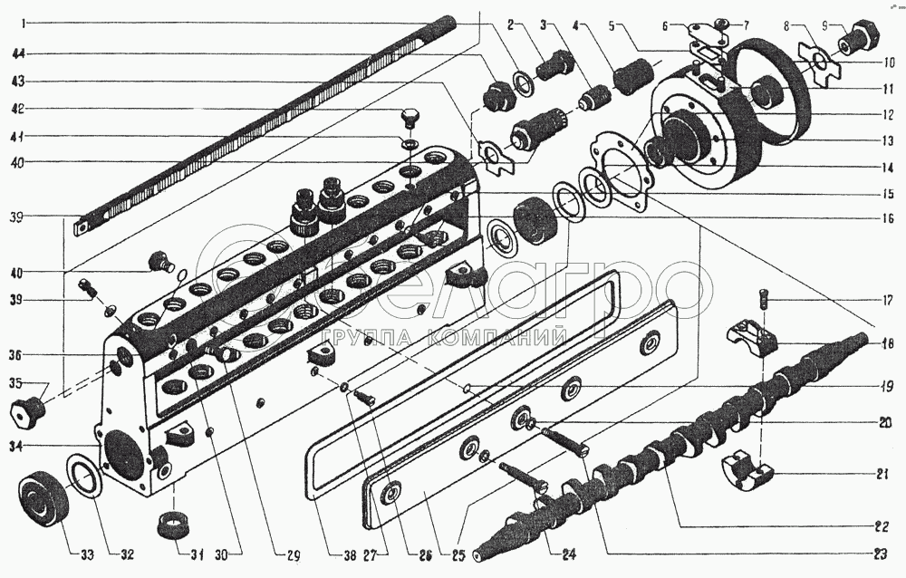
1
2
3
4
5
6
7
8
9
10
11
12
13
14
15
16
17
18
19
20
21
22
23
24
25
26
27
28
29
30
31
32
33
33
34
35
36
37
38
39
40
41
42
43
44
3327-04
Вал топливного насоса
В узле: ---
3327-02-8
Букса шарикоподшипника
В узле: ---
327-13-1
Подшипник
В узле: ---
327-00-49
Насос топливный НК-10
В узле: ---
3327-05-16
Корпус топливного насоса
В узле: ---
327-10-52
Крышка корпуса насоса
В узле: ---
1
355-08
Кольцо
В узле: ---
2
3327-112
Зажим
В узле: ---
3
327-71-4
Гайка упора
В узле: ---
4
327-135-1
Колпачок
В узле: ---
5
3327-140-1
Прокладка
В узле: ---
6
3327-139-3
Крышка
В узле: ---
7
351-06
Гайка М6
В узле: ---
8
3334-33
Шайба
В узле: ---
9
3334-34-3
Гайка
В узле: ---
10
3334-07-13
Маховик
В узле: ---
11
3327-03-6
Букса
В узле: ---
12
327-108-1
Прокладка
В узле: ---
13
327-18-1А
Манжета армированная
В узле: ---
14
327-89-2
Прокладка регулировочная
В узле: ---
15
327-86
Прокладка
В узле: ---
16
3327-85А
Винт установочный
В узле: ---
17
327-44
Винт стяжной
В узле: ---
18
327-43-1
Крышка подшипника
В узле: ---
19
327-66
Кольцо упорное
В узле: ---
20
327-126
Прокладка
В узле: ---
21
327-42-1
Подушка подшипника
В узле: ---
22
3327-41
Вал топливного насоса
В узле: ---
23
327-65А
Винт крышки
В узле: ---
24
327-65
Винт крышки
В узле: ---
25
327-63-2
Крышка корпуса
В узле: ---
26
3327-84А
Винт стопорный
В узле: ---
27
327-102
Прокладка регулировочная
В узле: ---
28
327-64-1А
Прокладка
В узле: ---
29
320-37
Зажим
В узле: ---
30
355-06
Кольцо 12-16
В узле: ---
31
327-82
Пробка корпуса
В узле: ---
32
327-45
Маслоотражатель
В узле: ---
33
327-46
Подшипник 205К
В узле: ---
33
Подшипник 205К [ГОСТ 8338-75]
Подшипник 205К
В узле: ---
34
322-27-01-14
Корпус топливного насоса
В узле: ---
35
315-621
Заглушка
В узле: ---
36
355-06
Кольцо 12-16
В узле: ---
37
327-90-1
Пробка
В узле: ---
38
327-33-1
Заглушка
В узле: ---
39
327-75-6
Рейка регулирующая
В узле: ---
40
327-70-5
Гильза упора
В узле: ---
41
329-31А
Прокладка
В узле: ---
42
301-101
Заглушка
В узле: ---
43
327-107-1
Замок пластинчатый
В узле: ---
44
327-24-1
Штуцер
В узле: ---
Содержащиеся в справочниках-каталогах запасные части и детали не предлагаются к продаже, а носят исключительно информационный характер

Ваша заявка была отправлена. В ближайшее время наши специалисты с Вами свяжутся по указанному Вами телефону.

Представьтесь
Поле обязательно для заполнения
Ваш телефон
Введите правильный номер телефона
E-mail
Введите правильный e-mail
Тема
Тема
применяемость финансирование доставка цена, наличие другое сервис и гарантия
Время для звонка
08:00
08:00 09:00 10:00 11:00 12:00 13:00 14:00 15:00 16:00 17:00 18:00 19:00
19:00
08:00 09:00 10:00 11:00 12:00 13:00 14:00 15:00 16:00 17:00 18:00 19:00

Мы постараемся перезвонить в указанное время

Если вы не хотите ждать, то звоните нашим вежливым консультантам:

8 800 100-2-700
Подтвердите, что вы не робот
Подтвердите, что вы не робот
Спасибо!

Ваше сообщение успешно отправлено!

ЗакрытьПовторить попытку